TOP
|
特許
|
意匠
|
商標
特許ウォッチ
Twitter
他の特許を見る
公開番号
2025177785
公報種別
公開特許公報(A)
公開日
2025-12-05
出願番号
2024084884
出願日
2024-05-24
発明の名称
ボイラシステム
出願人
三浦工業株式会社
代理人
個人
,
個人
主分類
F22D
11/00 20060101AFI20251128BHJP(蒸気発生)
要約
【課題】滴状凝縮促進剤がボイラのボイラ水管に付着して不具合を引き起こすことが抑制されたボイラシステムを提供すること。
【解決手段】ボイラ70と熱交換器20とを備えるボイラシステム1であって、ドレン回収ライン122およびボイラ給水ライン132のうちの少なくとも1つに設けられ、ドレン回収ライン122を流れるドレン水120およびボイラ給水ライン132を流れるボイラ給水130のうちの少なくとも一方に含まれる滴状凝縮促進剤140の少なくとも一部を除去する滴状凝縮促進剤処理装置50を備えるボイラシステム1。
【選択図】図1
特許請求の範囲
【請求項1】
ボイラと熱交換器とを備えるボイラシステムであって、
他端が前記熱交換器に接続され、前記ボイラから前記熱交換器に蒸気を流す蒸気ラインと、
一端が前記熱交換器に接続され、前記熱交換器において蒸気が凝縮して生じたドレン水を流すドレン回収ラインと、
前記ドレン回収ラインの他端に配置され、前記ドレン水を貯留する回収タンクと、
前記ボイラに前記回収タンクに貯留された水をボイラ給水として流すボイラ給水ラインと、
滴状凝縮促進剤を前記蒸気ラインに供給する滴状凝縮促進剤供給部と、
一端が前記滴状凝縮促進剤供給部に接続され他端が前記蒸気ラインに接続され、前記滴状凝縮促進剤供給部から前記蒸気ラインに滴状凝縮促進剤を注入する滴状凝縮促進剤注入ラインと、
前記ドレン回収ラインおよび前記ボイラ給水ラインのうちの少なくとも1つに設けられ、前記ドレン回収ラインを流れる前記ドレン水および前記ボイラ給水ラインを流れる前記ボイラ給水のうちの少なくとも一方に含まれる前記滴状凝縮促進剤の少なくとも一部を除去する滴状凝縮促進剤処理装置と、を備えるボイラシステム。
続きを表示(約 740 文字)
【請求項2】
前記滴状凝縮促進剤処理装置は、前記滴状凝縮促進剤を吸着する吸着材を備えたろ過装置、前記滴状凝縮促進剤とのイオン交換が可能なイオン交換材料を備えたイオン交換装置および前記滴状凝縮促進剤を透過しにくい水処理膜を備えた膜ろ過装置のうちの少なくとも1つから選ばれる請求項1に記載のボイラシステム。
【請求項3】
前記ボイラ給水ラインに設けられ、前記ボイラ給水ラインを流れる前記ボイラ給水にボイラ薬品を注入するボイラ薬品注入部を更に備え、
前記滴状凝縮促進剤処理装置は、前記回収タンクと、前記ボイラ薬品注入部との間に設けられている請求項1または2に記載のボイラシステム。
【請求項4】
前記ボイラは前記ボイラ給水として供給された水を加熱して蒸気を発生させるボイラ水管を備え、
前記ボイラシステムは、
前記ボイラ水管に設けられ、前記ボイラ水管の温度をモニタリングする温度モニタリング部と、
前記滴状凝縮促進剤供給部に設けられ、前記温度モニタリング部が前記ボイラ水管の温度の異常上昇を検知した際に前記滴状凝縮促進剤の供給量を減少させる供給量調節部と、を更に備える請求項1または2に記載のボイラシステム。
【請求項5】
ボイラと熱交換器とを備えるボイラシステムにおける滴状凝縮促進剤の注入制御方法であって、
前記ボイラ内のボイラ水管の温度をモニタリングし、
前記ボイラ水管の温度の異常上昇を検知した際に、前記滴状凝縮促進剤の供給量を減らす、および供給された前記滴状凝縮促進剤の少なくとも一部を除去する、
のうちの少なくとも一方を実施する、滴状凝縮促進剤の注入制御方法。
発明の詳細な説明
【技術分野】
【0001】
本発明は、ボイラシステムに関する。
続きを表示(約 1,600 文字)
【背景技術】
【0002】
蒸気を、熱交換器内の冷却体に接触させて液化凝縮するシステムにおいて、滴状凝縮を促進して効率良く熱交換を行う方法として、皮膜性アミンをボイラの蒸気ヘッダに注入するボイラシステムが知られている。特許文献1は、ボイラシステムにおける滴状凝縮促進剤の添加方法を開示する。
【先行技術文献】
【特許文献】
【0003】
特許第6506865号公報
【発明の概要】
【発明が解決しようとする課題】
【0004】
ところで、滴状凝縮促進剤を用いるボイラシステムでは、熱交換器の皮膜形成に消費されなかった余剰の滴状凝縮促進剤が、ドレン回収によってボイラに供給される場合がある。その場合、ボイラシステムに供給され、安定運転を損ねる恐れがある。
【0005】
そこで本発明は、滴状凝縮促進剤がボイラのボイラ水管に付着して不具合を引き起こすことが抑制されたボイラシステムを提供することを目的とする。
【課題を解決するための手段】
【0006】
本発明のボイラシステムは、ボイラと熱交換器とを備えるボイラシステムであって、他端が前記熱交換器に接続され、前記ボイラから前記熱交換器に蒸気を流す蒸気ラインと、一端が前記熱交換器に接続され、前記熱交換器において蒸気が凝縮して生じたドレン水を流すドレン回収ラインと、前記ドレン回収ラインの他端に配置され、前記ドレン水を貯留する回収タンクと、前記ボイラに前記回収タンクに貯留された水をボイラ給水として流すボイラ給水ラインと、滴状凝縮促進剤を前記蒸気ラインに供給する滴状凝縮促進剤供給部と、一端が前記滴状凝縮促進剤供給部に接続され他端が前記蒸気ラインに接続され、前記滴状凝縮促進剤供給部から前記蒸気ラインに滴状凝縮促進剤を注入する滴状凝縮促進剤注入ラインと、前記ドレン回収ラインおよび前記ボイラ給水ラインのうちの少なくとも1つに設けられ、前記ドレン回収ラインを流れる前記ドレン水および前記ボイラ給水ラインを流れる前記ボイラ給水のうちの少なくとも一方に含まれる前記滴状凝縮促進剤の少なくとも一部を除去する滴状凝縮促進剤処理装置とを更に備える。
【0007】
本発明の滴状凝縮促進剤の注入制御方法は、ボイラと熱交換器とを備えるボイラシステムにおける滴状凝縮促進剤の注入制御方法であって、前記ボイラ内のボイラ水管の温度をモニタリングし、前記ボイラ水管の温度の異常上昇を検知した際に、前記滴状凝縮促進剤の供給量を減らす、および供給された前記滴状凝縮促進剤の少なくとも一部を除去する、のうちの少なくとも一方を実施する。
【発明の効果】
【0008】
本発明によれば、滴状凝縮促進剤がボイラのボイラ水管に付着して不具合を引き起こすことが抑制されたボイラシステムを提供することができる。
【図面の簡単な説明】
【0009】
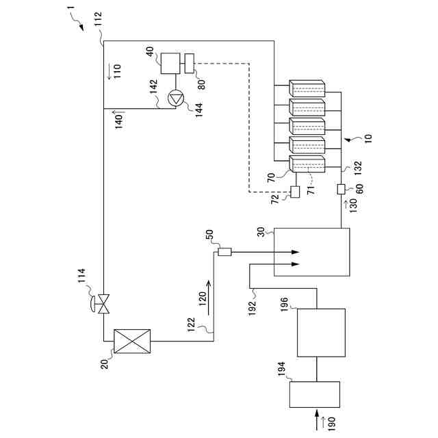
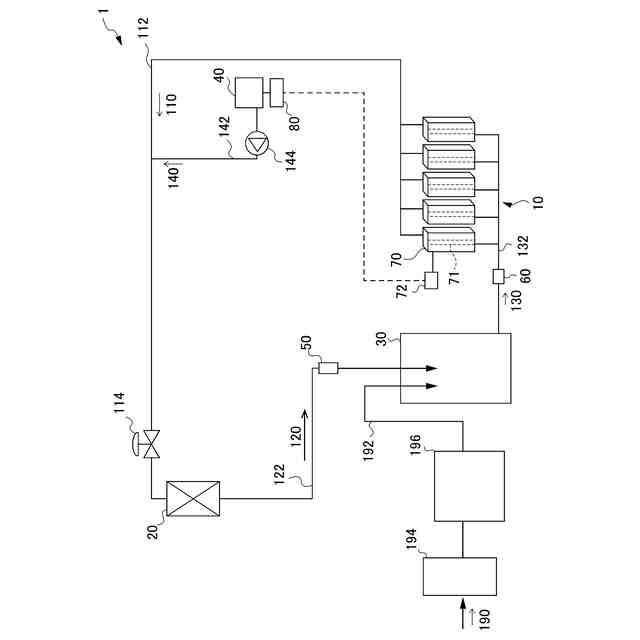
本発明の実施形態のボイラシステムを示す図である。
【発明を実施するための形態】
【0010】
本発明のボイラシステム1の実施形態を図1を参照して説明する。図1は、本発明の実施形態のボイラシステム1を示す図である。ボイラシステム1は、ボイラ70を1台又は複数台設置したボイラ部10、熱交換器20、蒸気ライン112および蒸気ラインバルブ114を備える。蒸気ライン112の一端は、ボイラ部10に接続されている。蒸気ライン112の他端は、熱交換器20に接続されている。蒸気ライン112は、ボイラ部10から熱交換器20に蒸気110を流す。蒸気ラインバルブ114は、蒸気ライン112に設けられている。蒸気ラインバルブ114は、蒸気ライン112を流れる蒸気110の量を調節することを可能にする。
(【0011】以降は省略されています)
この特許をJ-PlatPat(特許庁公式サイト)で参照する
関連特許
三浦工業株式会社
燃焼装置
1か月前
三浦工業株式会社
燃焼装置
1か月前
三浦工業株式会社
燃焼装置
2か月前
三浦工業株式会社
撹拌装置
1か月前
三浦工業株式会社
貫流ボイラ
1か月前
三浦工業株式会社
ガス化装置
1か月前
三浦工業株式会社
流体殺菌装置
9日前
三浦工業株式会社
電極式ボイラ
17日前
三浦工業株式会社
流体殺菌装置
17日前
三浦工業株式会社
劣化検出装置
2か月前
三浦工業株式会社
流体殺菌装置
1か月前
三浦工業株式会社
台数制御装置
2か月前
三浦工業株式会社
汚泥減容方法
2か月前
三浦工業株式会社
燃焼システム
1か月前
三浦工業株式会社
洗浄システム
2日前
三浦工業株式会社
水蒸気発生装置
1か月前
三浦工業株式会社
二重管接続構造
1か月前
三浦工業株式会社
ウエスコポンプ
1か月前
三浦工業株式会社
ボイラシステム
2日前
三浦工業株式会社
汚泥乾燥加熱釜
1か月前
三浦工業株式会社
水素貯蔵供給装置
1か月前
三浦工業株式会社
汚泥減容システム
1か月前
三浦工業株式会社
熱媒供給システム
2か月前
三浦工業株式会社
精製水供給システム
1か月前
三浦工業株式会社
船舶用発電システム
2か月前
三浦工業株式会社
環境情報収集システム
3日前
三浦工業株式会社
コンピュータプログラム
1か月前
三浦工業株式会社
燃焼装置、アンモニア評価方法
1か月前
三浦工業株式会社
船舶用ハイブリッド発電システム
3日前
東京瓦斯株式会社
電力供給システム
1か月前
三浦工業株式会社
メンテナンス業務支援システム及びメンテナンス業務運用方法
3日前
三浦工業株式会社
台数制御装置
2か月前
三浦工業株式会社
ボイラ
5か月前
三浦工業株式会社
ボイラシステム
2日前
三浦工業株式会社
水蒸気発生装置
1か月前
三菱重工業株式会社
ボイラ壁
1か月前
続きを見る
他の特許を見る