TOP
|
特許
|
意匠
|
商標
特許ウォッチ
Twitter
他の特許を見る
公開番号
2025177325
公報種別
公開特許公報(A)
公開日
2025-12-05
出願番号
2024084041
出願日
2024-05-23
発明の名称
作業機械及び作業機械を制御するための方法
出願人
株式会社小松製作所
代理人
弁理士法人新樹グローバル・アイピー
主分類
F16H
61/4017 20100101AFI20251128BHJP(機械要素または単位;機械または装置の効果的機能を生じ維持するための一般的手段)
要約
【課題】メカニカルトランスミッションとHSTとの両方を備える作業機械において、HSTの構成部品の耐久性の低下を抑えると共に、燃費を向上させる。
【解決手段】作業機械は、駆動源と、第1の駆動輪と、メカニカルトランスミッションと、第2の駆動輪と、HSTと、コントローラとを備える。メカニカルトランスミッションは、駆動源の駆動力を第1の駆動輪に伝達する。HSTは、油圧ポンプと、油圧モータと、駆動回路とを含む。油圧ポンプは、駆動源によって駆動される。油圧モータは、油圧ポンプから吐出される作動油によって駆動される。駆動回路は、油圧ポンプと油圧モータとを接続する。HSTは、駆動源の駆動力を第2の駆動輪に伝達する。コントローラは、メカニカルトランスミッションの現在の速度段を取得する。コントローラは、駆動回路の油圧を、現在の速度段に応じたカットオフ圧力以下に制限するように、HSTを制御する。
【選択図】図7
特許請求の範囲
【請求項1】
駆動源と、
第1の駆動輪と、
複数の速度段を有し、前記駆動源の駆動力を前記第1の駆動輪に伝達するメカニカルトランスミッションと、
第2の駆動輪と、
前記駆動源によって駆動される油圧ポンプと、前記油圧ポンプから吐出される作動油によって駆動される油圧モータと、前記油圧ポンプと前記油圧モータとを接続する駆動回路とを含み、前記駆動源の駆動力を前記第2の駆動輪に伝達するハイドロスタティックトランスミッションと、
前記メカニカルトランスミッションの現在の速度段を取得し、前記駆動回路の油圧を、前記現在の速度段に応じたカットオフ圧力以下に制限するように、前記ハイドロスタティックトランスミッションを制御するコントローラと、
を備える作業機械。
続きを表示(約 1,800 文字)
【請求項2】
前記ハイドロスタティックトランスミッションは、前記駆動回路に接続されるリリーフ弁を含み、
前記リリーフ弁は、前記駆動回路の油圧が第1カットオフ圧力以上である場合に開かれることで、前記駆動回路の油圧を前記第1カットオフ圧力以下に制限し、
前記コントローラは、前記現在の速度段が所定の速度段である場合には、前記駆動回路の油圧を、前記第1カットオフ圧力よりも低い第2カットオフ圧力以下に制限するように、前記ハイドロスタティックトランスミッションを制御する、
請求項1に記載の作業機械。
【請求項3】
前記ハイドロスタティックトランスミッションは、前記駆動回路に接続され前記駆動回路の油圧を検出する圧力センサを含み、
前記コントローラは、
前記駆動回路の油圧を取得し、
前記現在の速度段が前記所定の速度段であり、前記駆動回路の油圧が前記第2カットオフ圧力以上である場合には、前記油圧ポンプの容量を低減することで、前記駆動回路の油圧を前記第2カットオフ圧力以下に制限する、
請求項2に記載の作業機械。
【請求項4】
前記駆動源の駆動力によって駆動される作業機と、
前記作業機の動作をロックするためにオペレータによって操作される作業機ロック部材と、
をさらに備え、
前記コントローラは、前記作業機ロック部材の操作によって前記作業機の動作がロックされていない状態で、前記現在の速度段が所定の速度段である場合には、前記駆動回路の油圧を、前記第2カットオフ圧力以下に制限するように、前記ハイドロスタティックトランスミッションを制御する、
請求項2に記載の作業機械。
【請求項5】
駆動源と、第1の駆動輪と、複数の速度段を有し前記駆動源の駆動力を前記第1の駆動輪に伝達するメカニカルトランスミッションと、第2の駆動輪と、前記駆動源によって駆動される油圧ポンプと、前記油圧ポンプから吐出される作動油によって駆動される油圧モータと、前記油圧ポンプと前記油圧モータとを接続する駆動回路とを含み、前記駆動源の駆動力を前記第2の駆動輪に伝達するハイドロスタティックトランスミッションと、を備える作業機械を制御するための方法であって、
前記メカニカルトランスミッションの現在の速度段を取得することと、
前記駆動回路の油圧を、前記現在の速度段に応じたカットオフ圧力以下に制限するように、前記ハイドロスタティックトランスミッションを制御すること、
を備える方法。
【請求項6】
前記ハイドロスタティックトランスミッションは、前記駆動回路に接続されるリリーフ弁を含み、
前記リリーフ弁は、前記駆動回路の油圧が第1カットオフ圧力以上である場合に開かれることで、前記駆動回路の油圧を前記第1カットオフ圧力以下に制限し、
前記現在の速度段が所定の速度段である場合には、前記駆動回路の油圧を、前記第1カットオフ圧力よりも低い第2カットオフ圧力以下に制限するように、前記ハイドロスタティックトランスミッションを制御することを備える、
請求項5に記載の方法。
【請求項7】
前記ハイドロスタティックトランスミッションは、前記駆動回路に接続され前記駆動回路の油圧を検出する圧力センサを含み、
前記駆動回路の油圧を取得することと、
前記現在の速度段が前記所定の速度段であり、前記駆動回路の油圧が前記第2カットオフ圧力以上である場合には、前記油圧ポンプの容量を低減することで、前記駆動回路の油圧を前記第2カットオフ圧力以下に制限すること、を備える
請求項6に記載の方法。
【請求項8】
前記作業機械は、
前記駆動源の駆動力によって駆動される作業機と、
前記作業機の動作をロックするためにオペレータによって操作される作業機ロック部材と、
をさらに備え、
前記作業機ロック部材の操作によって前記作業機の動作がロックされていない状態で、前記現在の速度段が所定の速度段である場合には、前記駆動回路の油圧を、前記第2カットオフ圧力以下に制限するように、前記ハイドロスタティックトランスミッションを制御することを備える、
請求項6に記載の方法。
発明の詳細な説明
【技術分野】
【0001】
本開示は、作業機械及び作業機械を制御するための方法に関する。
続きを表示(約 2,300 文字)
【背景技術】
【0002】
作業機械には、メカニカルトランスミッションとハイドロスタティックトランスミッションとの両方を備えるものがある。例えば、特許文献1の作業機械では、エンジンからの駆動力は、メカニカルトランスミッションを介して後輪に伝達される。また、エンジンからの駆動力は、ハイドロスタティックトランスミッションを介して前輪に伝達される。
【先行技術文献】
【特許文献】
【0003】
米国特許US5474147
【発明の概要】
【発明が解決しようとする課題】
【0004】
上記のような作業機械では、メカニカルトランスミッションによる走行性能が、ハイドロスタティックトランスミッションによる走行性能に対して、過大となることがある。そのような場合、油圧モータなどのハイドロスタティックトランスミッションの構成部品への負荷が大きくなることで、構成部品の耐久性の低下が懸念される。
【0005】
一方、ハイドロスタティックトランスミッションは、構成部品を保護するために、駆動回路の油圧を所定のカットオフ圧力以下に制限するカットオフ機能を有している。従って、上記のようにメカニカルトランスミッションによる走行性能が、ハイドロスタティックトランスミッションによる走行性能に対して、過大となった場合には、カットオフ機能により、駆動回路の油圧がカットオフ圧力以下に制限される。それにより、構成部品への負荷が低減される。
【0006】
しかし、メカニカルトランスミッションによる走行性能とハイドロスタティックトランスミッションによる走行性能とのバランスは、メカニカルトランスミッションの速度段によって異なる。そのため、メカニカルトランスミッションによる走行性能とハイドロスタティックトランスミッションによる走行性能とのバランスに対して、カットオフ圧力が過少である場合には、燃費の低下が懸念される。本開示の目的は、メカニカルトランスミッションとハイドロスタティックトランスミッションとの両方を備える作業機械において、ハイドロスタティックトランスミッションの構成部品の耐久性の低下を抑えると共に、燃費を向上させることにある。
【課題を解決するための手段】
【0007】
本開示の一態様に係る作業機械は、駆動源と、第1の駆動輪と、メカニカルトランスミッションと、第2の駆動輪と、ハイドロスタティックトランスミッションと、コントローラとを備える。メカニカルトランスミッションは、複数の速度段を有する。メカニカルトランスミッションは、駆動源の駆動力を第1の駆動輪に伝達する。ハイドロスタティックトランスミッションは、油圧ポンプと、油圧モータと、駆動回路とを含む。油圧ポンプは、駆動源によって駆動される。油圧モータは、油圧ポンプから吐出される作動油によって駆動される。駆動回路は、油圧ポンプと油圧モータとを接続する。ハイドロスタティックトランスミッションは、駆動源の駆動力を第2の駆動輪に伝達する。コントローラは、メカニカルトランスミッションの現在の速度段を取得する。コントローラは、駆動回路の油圧を、現在の速度段に応じたカットオフ圧力以下に制限するように、ハイドロスタティックトランスミッションを制御する。
【0008】
本開示の他の態様に係る方法は、作業機械を制御するための方法である。作業機械は、駆動源と、第1の駆動輪と、メカニカルトランスミッションと、第2の駆動輪と、ハイドロスタティックトランスミッションとを備える。メカニカルトランスミッションは、複数の速度段を有する。メカニカルトランスミッションは、駆動源の駆動力を第1の駆動輪に伝達する。ハイドロスタティックトランスミッションは、油圧ポンプと、油圧モータと、駆動回路とを含む。油圧ポンプは、駆動源によって駆動される。油圧モータは、油圧ポンプから吐出される作動油によって駆動される。駆動回路は、油圧ポンプと油圧モータとを接続する。ハイドロスタティックトランスミッションは、駆動源の駆動力を第2の駆動輪に伝達する。本態様に係る方法は、メカニカルトランスミッションの現在の速度段を取得することと、駆動回路の油圧を、現在の速度段に応じたカットオフ圧力以下に制限するように、ハイドロスタティックトランスミッションを制御すること、を備える。
【発明の効果】
【0009】
本開示によれば、ハイドロスタティックトランスミッションの駆動回路の油圧が、メカニカルトランスミッションの現在の速度段に応じたカットオフ圧力以下に制限される。それにより、ハイドロスタティックトランスミッションの構成部品の耐久性の低下が抑えられると共に、燃費が向上する。
【図面の簡単な説明】
【0010】
実施形態に係る作業機械の側面図である。
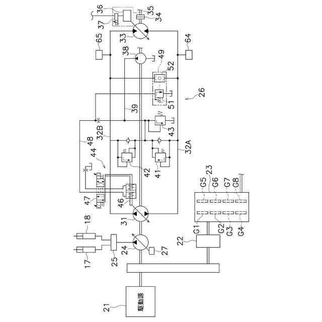
作業機械の駆動系の構成を示す模式図である。
作業機械の制御系を示す模式図である。
AWDモードにおけるHSTの制御の処理を示すフローチャートである。
高圧カットオフ制御の処理を示すフローチャートである。
閾値データの一例を示す表である。
高圧カットオフ制御におけるHSTの駆動圧と走行ポンプの容量との変化を示す図である。
他の実施形態に係るAWDモードにおけるHSTの制御の処理を示すフローチャートである。
【発明を実施するための形態】
(【0011】以降は省略されています)
この特許をJ-PlatPat(特許庁公式サイト)で参照する
関連特許
株式会社小松製作所
多段変速機
3日前
株式会社小松製作所
作業機械および方法
1か月前
株式会社小松製作所
磁気結合型リアクトル
1か月前
株式会社小松製作所
評価装置および評価方法
26日前
株式会社小松製作所
制御システムおよび制御方法
1か月前
株式会社小松製作所
作業機械および作業機械の制御方法
18日前
株式会社小松製作所
作業機械および作業機械の制御方法
18日前
株式会社小松製作所
管理システム、管理装置、及び管理方法
10日前
株式会社小松製作所
ファン駆動システム及びファン駆動方法
1か月前
株式会社小松製作所
作業機械及び作業機械を制御するための方法
3日前
株式会社小松製作所
作業車両の制御装置および作業車両の制御方法
10日前
株式会社小松製作所
作業現場の従事者支援システム及び従事者支援方法
1か月前
株式会社小松製作所
作業機械の制御システム、および作業機械の制御方法
1か月前
株式会社小松製作所
作業機械の制御システム、および作業機械の制御方法
1か月前
株式会社小松製作所
トレーニングシステムおよびステージデータの生成方法
1か月前
株式会社小松製作所
認証情報表示システム、情報端末、及び認証情報表示方法
1か月前
株式会社小松製作所
作業機械の遠隔操作システムおよび作業機械の遠隔操作方法
4日前
株式会社小松製作所
表示制御装置、情報端末、表示制御方法、及び表示制御システム
1か月前
株式会社小松製作所
作業機械のペイロード算出システムおよび作業機械のペイロード算出方法
1か月前
株式会社小松製作所
管理システム及び管理方法
18日前
株式会社小松製作所
作業機械の動作条件決定システム、作業機械、及び作業機械の動作条件決定方法
18日前
株式会社小松製作所
作業機械の動作条件決定システム、作業機械、及び作業機械の動作条件決定方法
18日前
株式会社小松製作所
消費電力予測装置、作業機械、消費電力予測システム、消費電力予測方法、およびプログラム
11日前
個人
留め具
1か月前
個人
鍋虫ねじ
3か月前
個人
回転伝達機構
4か月前
個人
紛体用仕切弁
3か月前
個人
ホース保持具
7か月前
個人
差動歯車用歯形
5か月前
個人
トーションバー
8か月前
個人
給排気装置
2か月前
個人
ジョイント
2か月前
株式会社不二工機
電磁弁
6か月前
個人
ナット
2か月前
株式会社不二工機
電磁弁
5か月前
個人
ナット
1か月前
続きを見る
他の特許を見る