TOP
|
特許
|
意匠
|
商標
特許ウォッチ
Twitter
他の特許を見る
10個以上の画像は省略されています。
公開番号
2025176934
公報種別
公開特許公報(A)
公開日
2025-12-05
出願番号
2024083350
出願日
2024-05-22
発明の名称
コネクタ装置及びワイヤハーネス
出願人
矢崎総業株式会社
代理人
弁理士法人虎ノ門知的財産事務所
主分類
H01R
13/64 20060101AFI20251128BHJP(基本的電気素子)
要約
【課題】メスコネクタとアライニングプレートの係合をより適正に実現することができるコネクタ装置を提供する。
【解決手段】コネクタ装置1は、オスハウジング11、アライニングプレート12及びメスハウジング21を備える。アライニングプレート12は、接続方向Xに沿って移動可能であって、係脱片122を有する。メスハウジング21は、係合突起222aを有する。係脱片122は、高さ方向Zの一方側に設けられ、係合突起222aが乗り越えることで係脱可能に形成される被係合突起122aと、高さ方向Zの他方側に設けられる被当接突起122bとを有する。オスハウジング11は、係合突起222aと被係合突起122aが係脱可能とされる非規制領域DAと、被当接突起122bに当接する当接面120が設けられる規制領域DNとを有する。
【選択図】図11
特許請求の範囲
【請求項1】
開口部を有し、複数のオス端子を第1方向に沿って前記開口部に向けて突出させて保持するオスハウジングと、
前記オスハウジングの内部に前記第1方向に沿って移動可能に設けられ、各前記オス端子が挿通される複数の挿通孔を有するアライニング部材と、
各前記オス端子と電気的に接続される複数のメス端子を保持し、前記開口部から前記第1方向に沿って前記オスハウジングの内部に嵌合されて前記アライニング部材に対して接近離間するように移動可能に設けられるメスハウジングと、
を備え、
前記アライニング部材は、前記第1方向に沿って前記メスハウジングに向けて突出し、前記第1方向と交差する第2方向に可撓可能に形成される係脱片を有し、
前記メスハウジングは、前記第2方向に沿って突出する係合突起を有し、
前記係脱片は、前記第2方向の一方側に設けられ、前記メスハウジングが前記第1方向に沿って移動して前記係合突起が乗り越えることで係脱可能に形成される被係合突起と、前記第2方向の他方側に設けられ、前記第2方向に対して前記被係合突起と反対側に向けて突出する被当接突起とを有し、
前記オスハウジングは、前記係合突起と前記被係合突起が係脱可能とされるよう前記被当接突起が没入可能に形成される凹状空間を有する非規制領域と、前記非規制領域よりも前記第1方向における前記オス端子の基端側に位置して前記係合突起と前記被係合突起が係合した状態で前記被当接突起に当接する当接面が設けられる規制領域とを有する、コネクタ装置。
続きを表示(約 1,800 文字)
【請求項2】
前記第1方向の前記開口部側における前記非規制領域の端部には、前記被当接突起と当接することで前記アライニング部材の前記第1方向の前記開口部側への移動を規制する規制突起が設けられる、請求項1に記載のコネクタ装置。
【請求項3】
前記当接面は平坦面状に形成され、
前記係脱片は、ランス形状の先端部を有する舌片状に形成され、前記先端部に前記被係合突起と前記被当接突起が設けられる、請求項1に記載のコネクタ装置。
【請求項4】
前記オスハウジングは、第1係止部と、前記第1係止部よりも前記第1方向の前記開口部側に位置する第2係止部とを有し、
前記アライニング部材は、前記第1係止部に係止可能に設けられる第1被係止部と、前記第2係止部に係止可能に設けられる第2被係止部とを有し、
前記メスハウジングは、前記第1係止部と前記第1被係止部の係止状態を解除する係止解除部を有し、
前記係脱片が前記非規制領域に位置して前記係合突起と前記被係合突起が係合していない状態において、前記第1係止部は前記第1被係止部と係止し、各前記メス端子は各前記オス端子と離間しており、前記メスハウジングが前記第1方向の前記オス端子の基端側に移動すると、前記係合突起は前記被係合突起を乗越えて係合し、前記係合突起と前記被係合突起が係合した後、前記係止解除部により前記第1係止部と前記第1被係止部との係止が解除されて、前記係合突起と前記被係合突起の係合を維持しながら前記係脱片は前記非規制領域から前記規制領域に進入することができ、
前記係脱片が前記規制領域に位置した状態では、各前記メス端子は各前記オス端子に電気的に接続され、
前記係脱片が前記規制領域に位置した状態から前記係脱片が前記メスハウジングと共に前記第1方向の前記開口部側に移動すると、前記係脱片は前記係合突起と前記被係合突起の係合を維持しつつ前記規制領域から前記非規制領域に戻り、前記第2係止部は前記第2被係止部に係止し、各前記メス端子は各前記オス端子と離間した状態となり、更に前記メスハウジングが前記第1方向の前記開口部側に移動すると、前記係合突起は前記被係合突起を乗越えて係合状態を脱する、請求項1に記載のコネクタ装置。
【請求項5】
前記オスハウジングに係合することで前記メスハウジングに対して回動操作が可能とされるレバー部材を備え、
前記レバー部材は、前記オスハウジングに対する前記メスハウジングの脱着に伴って前記メスハウジングを前記アライニング部材と共に前記第1方向に沿って移動させる、請求項1乃至4のいずれか1つに記載のコネクタ装置。
【請求項6】
複数の電線と、
前記複数の電線に設けられるコネクタ装置と、を備え、
前記コネクタ装置は、
開口部を有し、複数のオス端子を第1方向に沿って前記開口部に向けて突出させて保持するオスハウジングと、
前記オスハウジングの内部に前記第1方向に沿って移動可能に設けられ、各前記オス端子が挿通される複数の挿通孔を有するアライニング部材と、
各前記オス端子と電気的に接続される複数のメス端子を保持し、前記開口部から前記第1方向に沿って前記オスハウジングの内部に嵌合されて前記アライニング部材に対して接近離間するように移動可能に設けられるメスハウジングと、
を備え、
前記アライニング部材は、前記第1方向に沿って前記メスハウジングに向けて突出し、前記第1方向と交差する第2方向に可撓可能に形成される係脱片を有し、
前記メスハウジングは、前記第2方向に沿って突出する係合突起を有し、
前記係脱片は、前記第2方向の一方側に設けられ、前記メスハウジングが前記第1方向に沿って移動して前記係合突起が乗り越えることで係脱可能に形成される被係合突起と、前記第2方向の他方側に設けられ、前記第2方向に対して前記被係合突起と反対側に向けて突出する被当接突起とを有し、
前記オスハウジングは、前記係合突起と前記被係合突起が係脱可能とされるよう前記被当接突起が没入可能に形成される凹状空間を有する非規制領域と、前記非規制領域よりも前記第1方向における前記オス端子の基端側に位置して前記係合突起と前記被係合突起が係合した状態で前記被当接突起に当接する当接面が設けられる規制領域とを有する、
ワイヤハーネス。
発明の詳細な説明
【技術分野】
【0001】
本発明は、コネクタ装置及びワイヤハーネスに関する。
続きを表示(約 3,400 文字)
【背景技術】
【0002】
従来のコネクタ装置に関する技術として、例えば、特許文献1には、オスコネクタとアライニングプレートとメスコネクタとを備えるコネクタ装置が開示されている。オスコネクタは、オス端子と係止部を備える。アライニングプレートは、オス端子の保護およびオス端子のアライメントの補正の少なくともいずれかをするためにオス端子に係合し、オス端子の突出方向でオスコネクタに対して移動自在とされている。また、アライニングプレートは、被係合部とオス端子の基端側の面に設けられた被係止部とを備えており、オスコネクタに仮設置されている状態では、被係止部がオスコネクタの係止部に当接する。これにより、アライニングプレートは、オス端子の基端側への移動が阻止される。メスコネクタは、オスコネクタ側に移動することでアライニングプレートとともにオスコネクタに設置される。メスコネクタは、係合部を備え、オスコネクタに設置されている状態からオスコネクタから離れる側に移動してオスコネクタから取り外すときに、メスコネクタの係合部がアライニングプレートの被係合部に係合し、アライニングプレートをオスコネクタから離れる側に移動するように構成されている。
【先行技術文献】
【特許文献】
【0003】
国際公開第2014/192800号公報
【発明の概要】
【発明が解決しようとする課題】
【0004】
ところで、このようなコネクタ装置は、例えば、メスコネクタの係合部とアライニングプレートの被係合部が係合する構成について、両者をより適正に係合させるため、更なる改善の余地がある。
【0005】
本発明は、上記の事情に鑑みてなされたものであって、メスコネクタとアライニングプレートの係合をより適正に実現することができるコネクタ装置及びワイヤハーネスを提供することを目的とする。
【課題を解決するための手段】
【0006】
上記目的を達成するために、本発明のコネクタ装置は、開口部を有し、複数のオス端子を第1方向に沿って前記開口部に向けて突出させて保持するオスハウジングと、前記オスハウジングの内部に前記第1方向に沿って移動可能に設けられ、各前記オス端子が挿通される複数の挿通孔を有するアライニング部材と、各前記オス端子と電気的に接続される複数のメス端子を保持し、前記開口部から前記第1方向に沿って前記オスハウジングの内部に嵌合されて前記アライニング部材に対して接近離間するように移動可能に設けられるメスハウジングと、を備え、前記アライニング部材は、前記第1方向に沿って前記メスハウジングに向けて突出し、前記第1方向と交差する第2方向に可撓可能に形成される係脱片を有し、前記メスハウジングは、前記第2方向に沿って突出する係合突起を有し、前記係脱片は、前記第2方向の一方側に設けられ、前記メスハウジングが前記第1方向に沿って移動して前記係合突起が乗り越えることで係脱可能に形成される被係合突起と、前記第2方向の他方側に設けられ、前記第2方向に対して前記被係合突起と反対側に向けて突出する被当接突起とを有し、前記オスハウジングは、前記係合突起と前記被係合突起が係脱可能とされるよう前記被当接突起が没入可能に形成される凹状空間を有する非規制領域と、前記非規制領域よりも前記第1方向における前記オス端子の基端側に位置して前記係合突起と前記被係合突起が係合した状態で前記被当接突起に当接する当接面が設けられる規制領域とを有する。
【0007】
上記目的を達成するために、本発明のワイヤハーネスは、複数の電線と、前記複数の電線に設けられるコネクタ装置と、を備え、前記コネクタ装置は、開口部を有し、複数のオス端子を第1方向に沿って前記開口部に向けて突出させて保持するオスハウジングと、前記オスハウジングの内部に前記第1方向に沿って移動可能に設けられ、各前記オス端子が挿通される複数の挿通孔を有するアライニング部材と、各前記オス端子と電気的に接続される複数のメス端子を保持し、前記開口部から前記第1方向に沿って前記オスハウジングの内部に嵌合されて前記アライニング部材に対して接近離間するように移動可能に設けられるメスハウジングと、を備え、前記アライニング部材は、前記第1方向に沿って前記メスハウジングに向けて突出し、前記第1方向と交差する第2方向に可撓可能に形成される係脱片を有し、前記メスハウジングは、前記第2方向に沿って突出する係合突起を有し、前記係脱片は、前記第2方向の一方側に設けられ、前記メスハウジングが前記第1方向に沿って移動して前記係合突起が乗り越えることで係脱可能に形成される被係合突起と、前記第2方向の他方側に設けられ、前記第2方向に対して前記被係合突起と反対側に向けて突出する被当接突起とを有し、前記オスハウジングは、前記係合突起と前記被係合突起が係脱可能とされるよう前記被当接突起が没入可能に形成される凹状空間を有する非規制領域と、前記非規制領域よりも前記第1方向における前記オス端子の基端側に位置して前記係合突起と前記被係合突起が係合した状態で前記被当接突起に当接する当接面が設けられる規制領域とを有する。
【発明の効果】
【0008】
本発明に係るコネクタ装置及びワイヤハーネスは、メスコネクタとアライニングプレートの係合をより適正に実現することができる、という効果を奏する。
【図面の簡単な説明】
【0009】
図1は、実施形態に係るコネクタ装置を示す斜視図である。
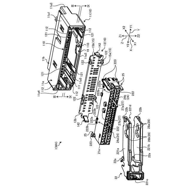
図2は、実施形態に係るコネクタ装置を示す分解斜視図である。
図3は、図2のIII-III断面図である。
図4は、図2のIX-IX断面図である。
図5は、図2のIII-III断面に相当する断面斜視図である。
図6は、図3のVI-VI断面図である。
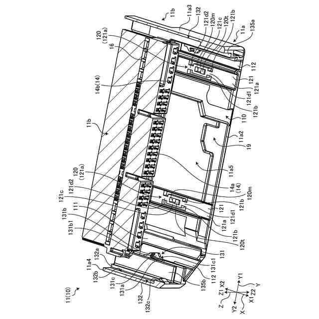
図7は、実施形態に係るアライニングプレートの斜視図である。
図8は、実施形態に係るオスハウジングにアライニングプレートを組付けた状態における、図2のIII-III断面に相当する断面斜視図である。
図9は、実施形態に係るメスハウジングを示す斜視図である。
図10は、実施形態に係るコネクタ装置のメスコネクタとオスコネクタの嵌合を説明するための平面図である。
図11は、図10のXI-XI断面を示す一部拡大断面図である。
図12は、図11のXII-XII断面を示す一部拡大断面図である。
図13は、図10のXI-XI断面に相当する断面であって、係合突起が被係合突起を乗越えている途中の状態を示す一部拡大断面図である。
図14は、図13のXIV-XIV断面を示す一部拡大断面図である。
図15は、実施形態に係るコネクタ装置のメスコネクタとオスコネクタの嵌合を説明するための平面図である。
図16は、図15のXVI-XVI断面を示す一部拡大断面図である。
図17は、図16のXVII-XVII断面を示す一部拡大断面図である。
図18は、実施形態に係るコネクタ装置のメスコネクタとオスコネクタの嵌合を説明するための平面図である。
図19は、図18のXIX-XIX断面を示す一部拡大断面図である。
図20は、図19のXX-XX断面を示す一部拡大断面図である。
図21は、図10のXI-XI断面に相当する断面であって、被係合突起と係合突起が係合し、かつ、係脱片が非規制領域に位置する状態を示す一部拡大断面図である。
図22は、実施形態のコネクタ装置であって、メスコネクタがオスコネクタから分離した状態を示す、図2のIII-III断面に相当する断面図である。
【発明を実施するための形態】
【0010】
以下に、本発明に係る実施形態を図面に基づいて詳細に説明する。なお、この実施形態によりこの発明が限定されるものではない。また、下記実施形態における構成要素には、当業者が置換可能かつ容易なもの、あるいは実質的に同一のものが含まれる。
(【0011】以降は省略されています)
この特許をJ-PlatPat(特許庁公式サイト)で参照する
関連特許
矢崎総業株式会社
端子
11日前
矢崎総業株式会社
端子台
6日前
矢崎総業株式会社
端子台
6日前
矢崎総業株式会社
端子台
6日前
矢崎総業株式会社
端子台
6日前
矢崎総業株式会社
バスバー
今日
矢崎総業株式会社
コネクタ
4日前
矢崎総業株式会社
コネクタ
5日前
矢崎総業株式会社
接合装置
4日前
矢崎総業株式会社
コネクタ
4日前
矢崎総業株式会社
コネクタ
4日前
矢崎総業株式会社
コネクタ
5日前
矢崎総業株式会社
コネクタ
11日前
矢崎総業株式会社
給電装置
12日前
矢崎総業株式会社
コネクタ
11日前
矢崎総業株式会社
光ケーブル
今日
矢崎総業株式会社
電気接続箱
6日前
矢崎総業株式会社
電流センサ
5日前
矢崎総業株式会社
端子防水構造
5日前
矢崎総業株式会社
端子防水構造
5日前
矢崎総業株式会社
電線固定構造
4日前
矢崎総業株式会社
抵抗溶接装置
4日前
矢崎総業株式会社
コネクタ構造
4日前
矢崎総業株式会社
抵抗溶接装置
4日前
矢崎総業株式会社
端子付き電線
4日前
矢崎総業株式会社
バスバユニット
6日前
矢崎総業株式会社
バスバユニット
6日前
矢崎総業株式会社
電気接点用ばね
11日前
矢崎総業株式会社
ワイヤハーネス
11日前
矢崎総業株式会社
電池モジュール
11日前
矢崎総業株式会社
充電インレット
11日前
矢崎総業株式会社
導電モジュール
11日前
矢崎総業株式会社
コネクタ嵌合体
5日前
矢崎総業株式会社
車載用切替装置
6日前
矢崎総業株式会社
センサ搭載構造
4日前
矢崎総業株式会社
センサ搭載構造
4日前
続きを見る
他の特許を見る