TOP
|
特許
|
意匠
|
商標
特許ウォッチ
Twitter
他の特許を見る
公開番号
2025176193
公報種別
公開特許公報(A)
公開日
2025-12-03
出願番号
2025155612,2021167078
出願日
2025-09-19,2021-10-11
発明の名称
管構造物
出願人
アクアインテック株式会社
代理人
個人
,
個人
,
個人
主分類
F16L
21/02 20060101AFI20251126BHJP(機械要素または単位;機械または装置の効果的機能を生じ維持するための一般的手段)
要約
【課題】施工性のよい管構造物を提供する。
【解決手段】埋設された既設管EPLと、既設管EPLの内周面を裏打ちしたライニング管LPと、ライニング管LPの端部に配置された管端部材10と、既設管EPLの端部と別管の端部を連結する筒状の継手部材20とを備えた管構造物PSであって、管端部材10は、既設管EPLの管端における外周面と内周面の間の既設管厚み面EPL2と、ライニング管LPの管端における内周面と外周面の間のライニング管厚み面LP2の両方に跨って延在した中空円盤状のフランジ部111を有するものであり、継手部材20は、継手部材20の内周面から内側に向かって環状に突出した環状突部24を有するものであり、フランジ部111は、環状突部24によって既設管厚み面EPL2およびライニング管厚み面LP2のうち少なくとも一方に、既設管EPLを軸回りに回転させることなく押し付けられたものである。
【選択図】図6
特許請求の範囲
【請求項1】
埋設された既設管と、
前記既設管の内周面を裏打ちしたライニング管と、
前記ライニング管の端部に配置された管端部材と、
前記既設管の端部と別管の端部を連結する筒状の継手部材とを備えた管構造物であって、
前記管端部材は、前記既設管の管端における外周面と内周面の間の既設管厚み面と、前記ライニング管の管端における内周面と外周面の間のライニング管厚み面の両方に跨って延在した中空円盤状のフランジ部を有するものであり、
前記継手部材は、該継手部材の内周面から内側に向かって環状に突出した環状突部を有するものであり、
前記フランジ部は、前記環状突部によって前記既設管厚み面および前記ライニング管厚み面のうち少なくとも一方に、前記既設管を軸回りに回転させることなく押し付けられたものであることを特徴とする管構造物。
続きを表示(約 330 文字)
【請求項2】
前記環状突部を前記既設管厚み面に向かって移動させることで、前記フランジ部を前記既設管厚み面および前記ライニング管厚み面のうち少なくとも一方に押し付ける押し付け機構を備え、
前記押し付け機構は、前記既設管の外周面に配置された固定フランジと、前記継手部材の一端に該固定フランジに対向して形成された第1フランジと、該固定フランジおよび該第1フランジそれぞれを貫通したネジ棒と、該固定フランジおよび該第1フランジの対向側とは該第1フランジにおける反対側に配置されて該ネジ棒に取り付けられたナットとを有し、該ナットを締め込むことで、前記環状突部を前記既設管厚み面に向かって移動させるものであることを特徴とする請求項1記載の管構造物。
発明の詳細な説明
【技術分野】
【0001】
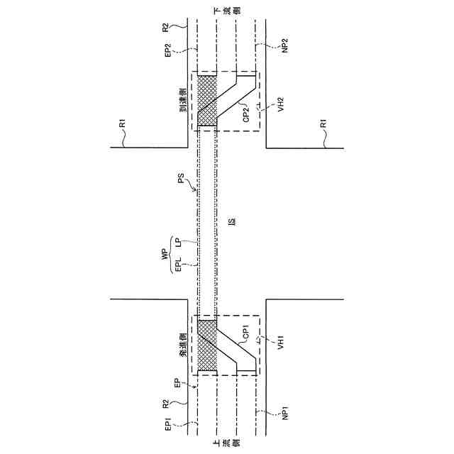
外側管と内側管の二重構造の管の端部に設置される管端部材を備えた管構造物に関する。
続きを表示(約 2,100 文字)
【背景技術】
【0002】
工業用水配管、農業用水配管、上水道管、ガス管等の既設管では、老朽化したり管壁が損傷した場合に、管壁の内周面を裏打ちするように、既設管の内側にライニング管が設けられることがある(例えば、特許文献1等参照)。この場合、既設管とライニング管の間に僅かに発生する隙間に、ライニング管内を流れる圧力流体が侵入し、既設管を腐食させる恐れがある。このため、従来より、管端部材を設置し、その隙間に圧力流体が侵入することを防止している。
【0003】
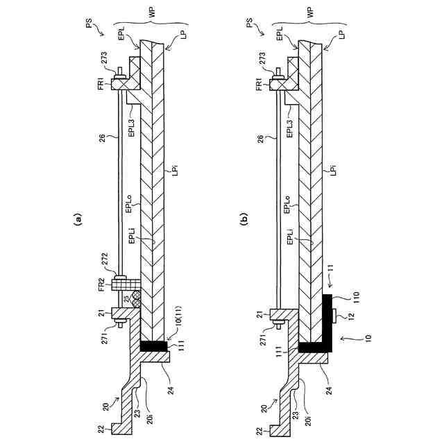
図1は、従来の管端部材の設置方法を示す断面図である。
【0004】
図1には、既設管である外側管91と、その外側管91の内周面を裏打ちしたライニング管である内側管92の断面の上側部分のみが示されている。この図1では、外側管91の管端911は図の左側に示されており、左側が管端側になり、右側が奥側になる。図1(a)に示すように、内側管92は、外側管91の内周面91i側に配置されている。内側管92は、外側管91内で膨らませて外側管91の内周面に押し付けながら硬化させることで成形される。内側管92の成形(硬化)が完了した時点では、通常、外側管91の管端911よりも内側管92の管端921の方が管端側に突出している。そこで、まずは図1(b)に示すように、内側管92の管端921の位置が外側管91の管端911の位置と概略一致するように、内側管92の突出部分を電動のこぎり等で切り取る。その後、図1(c)に示すように、内側管92の管端921が、外側管91の管端911よりも50cm程度奥側に位置するように、内側管92の管端921側部分をグラインダーで削り取るか、電動カッターで切り込みを入れて外側管91から剥ぎ取る。
【0005】
内側管92の管端921側部分を削り終わったら、ゴム製の円筒状のパッキン部材931を、外側管91の内周面91iにおける端部から内側管92の内周面92iにおける端部にかけて貼り付ける。パッキン部材931は、外側管91の内周面91i全周と内側管92の内周面92i全周に貼り付けられているが、図1(c)にはパッキン部材931も断面の上側部分のみが示されている。同様に、内側管92の管端921側部分は全周が削り取られているが、図1(c)には内側管92の断面の上側部分のみが示されている。図1(c)に示すパッキン部材931は、円筒状のパッキン部材931の管端側の端9311を、外側管91の管端911の位置に一致させるようにして貼り付けられている。
【0006】
パッキン部材931は、人の手によって貼り付けられただけであり、外側管91と内側管92の間のシール性は不十分である。そこでパッキン部材931の押圧のために拡径バンド932が用いられる。拡径バンド932は、ステンレス製のC字状のものであり、奥側から管端側に向けて順に取り付けられる。拡径バンド932を内側から嵌め込むにあたっては、C字状の拡径バンド932を不図示の拡径工具で押し拡げた状態で、C字状の隙間にその隙間を塞ぐ固定プレート(不図示)を挿入する。固定プレートを挿入することで、拡径バンド932は、拡径工具を取り外しても押し拡げられた状態を維持しパッキン部材931を外側に向けて押圧する。C字状の隙間を塞ぐ固定プレートは、管端側から奥側に向けてハンマーで叩きながら挿入する。このハンマーで叩く衝撃に伴って、拡径バンド932とともにパッキン部材931は奥側にどうしてもずれてしまうのが実情である(図1(d)中の矢印参照)。しかも、奥側から順に複数の拡径バンド932を嵌め込んでいくと、拡径バンド932を新たに嵌め込む度にパッキン部材931は奥側にずれてしまう。
【0007】
図1(d)は、4箇所に拡径バンド932を嵌め込み、管端部材93の設置が完了した様子を示す図である。図1(d)に示す状態では、パッキン部材931が奥側にずれてしまったことにより、外側管91の内周面91iにおける管端911から15cm程度の部分が露出してしまっている。
【0008】
図1(e)は、外側管91の外周面91oに継手部材95の一端側が接続した様子を示している。図1(e)に示す継手部材95の他端側には別の管が接続し、内周面91i側に内側管92が設けられた外側管91に、圧力流体が流れるようになる。
【先行技術文献】
【特許文献】
【0009】
特開平11-179804号公報
【発明の概要】
【発明が解決しようとする課題】
【0010】
しかしながら、内側管92の管端921側部分を外側管91から削り取る又は剥ぎ取る作業は、作業者が内側管92の内部にグラインダーや電動カッター等の工具を差し込みながら外側管91を傷つけないように慎重に行う煩雑な作業であり、施工性が悪いという問題があった。
(【0011】以降は省略されています)
この特許をJ-PlatPat(特許庁公式サイト)で参照する
関連特許
個人
留め具
1か月前
個人
鍋虫ねじ
3か月前
個人
回転伝達機構
4か月前
個人
ホース保持具
7か月前
個人
紛体用仕切弁
3か月前
個人
差動歯車用歯形
5か月前
個人
トーションバー
8か月前
個人
ジョイント
2か月前
個人
給排気装置
1か月前
個人
ナット
1か月前
株式会社不二工機
電磁弁
6か月前
個人
ナット
2か月前
個人
地震の揺れ回避装置
4か月前
株式会社不二工機
電磁弁
5か月前
個人
ゲート弁バルブ
15日前
個人
吐出量監視装置
3か月前
カヤバ株式会社
緩衝器
5か月前
カヤバ株式会社
緩衝器
5か月前
兼工業株式会社
バルブ
1か月前
柿沼金属精機株式会社
分岐管
3か月前
カヤバ株式会社
ダンパ
5か月前
カヤバ株式会社
ダンパ
5か月前
カヤバ株式会社
緩衝器
1か月前
アズビル株式会社
回転弁
2か月前
株式会社不二工機
電磁弁
3か月前
株式会社フジキン
ボールバルブ
5か月前
株式会社不二工機
電動弁
1か月前
株式会社ノーリツ
分配弁
2か月前
個人
固着具と固着具の固定方法
6か月前
個人
固着具と固着具の固定方法
8か月前
日東電工株式会社
断熱材
7か月前
株式会社ノーリツ
分配弁
7か月前
株式会社ノーリツ
分配弁
7か月前
株式会社奥村組
制振機構
2か月前
株式会社ノーリツ
分配弁
7か月前
株式会社奥村組
制振機構
2か月前
続きを見る
他の特許を見る