TOP
|
特許
|
意匠
|
商標
特許ウォッチ
Twitter
他の特許を見る
10個以上の画像は省略されています。
公開番号
2025176172
公報種別
公開特許公報(A)
公開日
2025-12-03
出願番号
2025154453,2025001739
出願日
2025-09-17,2019-05-24
発明の名称
バケット式流量計
出願人
株式会社東芝
,
東芝エネルギーシステムズ株式会社
代理人
弁理士法人東京国際特許事務所
主分類
G01F
3/28 20060101AFI20251126BHJP(測定;試験)
要約
【課題】液体の特定流量域における流量の測定精度を向上できること。
【解決手段】一対の枡部が支点に対する両側に形成されると共に支点回りに回動して転倒可能に設けられ、枡部に流入部から液体が流入して所定量貯溜したときに転倒して排液するバケット11と、このバケットの転倒を検出する検出ユニット13と、この検出ユニットで検出されたバケットの転倒から次の転倒までの転倒時間間隔を検出するタイマ41と、転倒時間間隔を流量計算用パラメータとし、この流量計算用パラメータに基づいて液体の流量を算出する流量算出回路51と、流量計算用パラメータと流量との相関関数について全体流量域と特定流量域の2種類の関数を用意し、流量算出回路による流量の算出時に、流量算出回路に入力される流量計算用パラメータの値から、流量算出回路が前記2種類の関数のいずれを使用すべきかを判定する判定回路61と、を有するものである。
【選択図】図14
特許請求の範囲
【請求項1】
一対の枡部が支点に対する両側に形成されると共に前記支点回りに回動して転倒可能に設けられ、前記枡部に流入部から液体が流入して所定量貯溜したときに転倒して排液するバケットと、
前記バケットの転倒を検出する検出手段と、
前記検出手段で検出された前記バケットの転倒から次の転倒までの転倒時間間隔を検出するタイマ手段と、
前記転倒時間間隔を流量計算用パラメータとし、この流量計算用パラメータに基づいて前記液体の流量を算出する流量算出手段と、
前記流量計算用パラメータと流量との相関関数について全体流量域と特定流量域の2種類の関数を用意し、前記流量算出手段による流量の算出時に、前記流量算出手段に入力される前記流量計算用パラメータの値から、前記流量算出手段が前記2種類の関数のいずれを使用すべきかを判定する判定手段と、を有することを特徴とするバケット式流量計。
続きを表示(約 580 文字)
【請求項2】
一対の枡部が支点に対する両側に形成されると共に前記支点回りに回動して転倒可能に設けられ、前記枡部に流入部から液体が流入して所定量貯溜したときに転倒して排液するバケットと、
前記バケットの転倒を検出する検出手段と、
前記検出手段で検出された前記バケットの転倒から次の転倒までの転倒時間間隔を検出するタイマ手段と、
前記転倒時間間隔を流量計算用パラメータとし、この流量計算用パラメータに基づいて前記液体の流量を算出する流量算出手段と、
前記流体が流れる配管に設けられて前記液体の温度を検出する温度センサと、
前記温度センサが検出した前記液体の温度から流量測定時間内に蒸発する前記液体の蒸発量を求め、この蒸発量を、前記流量算出手段が算出した前記液体の流量に加算して補正する温度補正手段と、を有することを特徴とするバケット式流量計。
【請求項3】
前記タイマ手段が検出したバケットの複数の転倒時間間隔を平均して平均値を算出する平均値算出手段を更に有し、
流量算出手段は、前記平均値算出手段が算出した転倒時間間隔の平均値を流量計算用パラメータとし、この流量計算用パラメータに基づいて前記液体の流量を算出するよう構成されたことを特徴とする請求項1または2に記載のバケット式流量計。
発明の詳細な説明
【技術分野】
【0001】
本発明の実施形態はバケット式流量計に関する。
続きを表示(約 3,200 文字)
【背景技術】
【0002】
バケット式流量計の基本原理は、流入部から流入する液体を、左右に2分割されたバケット(転倒枡)で受け、液体が貯まると貯まった側に転倒を開始し、もう一方で液体を受ける動作を繰り返している。転倒動作を磁力や位置センサ等で検出し、パルス信号として出力して、転倒回数と1 転倒当たりの排液量から流量を算出している。
【0003】
バケットに一度液体を貯めるため微少流量の測定に適しているが、様々な要因で誤差が生じる。このため、従来では、バケットの1転倒当たりの排液量と流量との相関に基づいて流量・転倒回数の相関関数を作成し、転倒回数から流量を求めたり、バケットに転倒時のみ開く蓋を設けて零れを防止したり、転倒間隔とバケット容量と試験から算出した定数とから零れ量を補正したりする等の方法で、流量の測定精度を確保している。
【先行技術文献】
【特許文献】
【0004】
特開2010-237056号公報
【発明の概要】
【発明が解決しようとする課題】
【0005】
バケット式流量計は一般産業向けの雨量計のほか、原子力発電所の漏洩検知に使用されており、現在、低流量域での測定精度の見直しが計画されている。従来の方法で担保されている精度では十分な信頼性を確保できないことから、測定精度の更なる向上が必要になっている。また、バケットの転倒回数をサンプリングして流量を算出しており連続監視ではないため、測定流量の更新までに時間がかかる。
【0006】
本発明の実施形態は、上述の事情を考慮してなされたものであり、液体の特定流量域における流量の測定精度を向上できるバケット式流量計を提供することを目的とする。
【課題を解決するための手段】
【0007】
本発明の実施形態におけるバケット式流量計は、一対の枡部が支点に対する両側に形成されると共に前記支点回りに回動して転倒可能に設けられ、前記枡部に流入部から液体が流入して所定量貯溜したときに転倒して排液するバケットと、前記バケットの転倒を検出する検出手段と、前記検出手段で検出された前記バケットの転倒から次の転倒までの転倒時間間隔を検出するタイマ手段と、前記転倒時間間隔を流量計算用パラメータとし、この流量計算用パラメータに基づいて前記液体の流量を算出する流量算出手段と、前記流量計算用パラメータと流量との相関関数について全体流量域と特定流量域の2種類の関数を用意し、前記流量算出手段による流量の算出時に、前記流量算出手段に入力される前記流量計算用パラメータの値から、前記流量算出手段が前記2種類の関数のいずれを使用すべきかを判定する判定手段と、を有することを特徴とするものである。
また、本発明の実施形態におけるバケット式流量計は、一対の枡部が支点に対する両側に形成されると共に前記支点回りに回動して転倒可能に設けられ、前記枡部に流入部から液体が流入して所定量貯溜したときに転倒して排液するバケットと、前記バケットの転倒を検出する検出手段と、前記検出手段で検出された前記バケットの転倒から次の転倒までの転倒時間間隔を検出するタイマ手段と、前記転倒時間間隔を流量計算用パラメータとし、この流量計算用パラメータに基づいて前記液体の流量を算出する流量算出手段と、前記流体が流れる配管に設けられて前記液体の温度を検出する温度センサと、前記温度センサが検出した前記液体の温度から流量測定時間内に蒸発する前記液体の蒸発量を求め、この蒸発量を、前記流量算出手段が算出した前記液体の流量に加算して補正する温度補正手段と、を有することを特徴とするものである。
【発明の効果】
【0008】
本発明の実施形態によれば、液体の特定流量域における流量の測定精度を向上できる。
【図面の簡単な説明】
【0009】
第1実施形態に係るバケット式流量計を示す正面断面図。
図1のバケット式流量計のバケット及び検出ユニットを示す斜視図。
図1のバケット流量計の動作状況を説明する動作図。
図1のバケット式流量計におけるデータ処理の流れを示すブロック図。
図1のバケット式流量計における測定対象の水の流量とバケットの1転倒当たりの排水量との相関関数を示すグラフ。
図4の流量算出回路で用いられる流量・転倒回数相関関数を示すグラフ。
図1のバケット式流量計における流量特性とバケットの1転倒排水量の調整との関係を示すグラフ。
石突部調整機構の一例を示す構成図。
第2実施形態に係るバケット式流量計におけるデータ処理の流れを示すブロック図。
図9のタイマが検出する転倒時間間隔を説明するタイムチャート。
図9の流量算出回路で用いられる流量・転倒時間間隔相関関数を示すグラフ。
第3実施形態に係るバケット式流量計におけるデータ処理の流れを示すブロック図。
図12の残量算出回路がバケット内の水の残量を算出するために必要な残時間と転倒時間間隔を説明するためのタイムチャート。
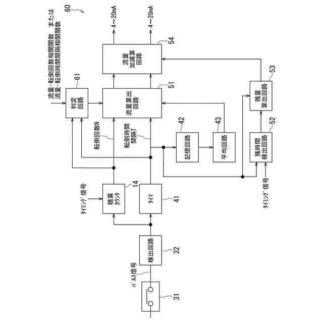
第4実施形態に係るバケット式流量計におけるデータ処理の流れを示すブロック図。
図14の判定回路が判定する流量・転倒回数相関関数を示し、(A)が全体流量域の同関数を、(B)が特定流量域の同関数をそれぞれ示すグラフ。
図14の判定回路が判定する流量・転倒時間間隔相関関数を示し、(A)が全体流量域の同関数を、(B)が特定流量域の同関数をそれぞれ示すグラフ。
第5実施形態に係るバケット式流量計におけるデータ処理の流れを示すブロック図。
図17の加速度センサから出力されるセンサ信号を示すタイムチャート。
図17の流量算出回路で用いられる流量・衝撃力相関関数を示すグラフ。
第6実施形態に係るバケット式流量計におけるデータ処理の流れを示すブロック図。
図20の転倒方向確認回路がバケットの転倒方向を確認するためのリードスイッチの動作時間を説明するためのタイムチャート。
図20の流量算出回路に入力されるリードスイッチの動作時間を説明するためのタイムチャート。
図20の流量算出回路で用いられる流量・動作時間相関関数を示すグラフ。
第7実施形態に係るバケット式流量計におけるデータ処理の流れを示すブロック図。
図24の判定回路が判定する流量・衝撃力相関関数を示し、(a)が全体流量域の同関数を、(B)が特定流量域の同関数をそれぞれ示すグラフ。
図24の判定回路が判定する流量・動作時間相関関数を示し、(a)が全体流量域の同関数を、(B)が特定流量域の同関数をそれぞれ示すグラフ。
第8実施形態に係るバケット式流量計におけるデータ処理の流れを主に示すブロック図。
【発明を実施するための形態】
【0010】
以下、本発明を実施するための形態を、図面に基づき説明する。
[A]第1実施形態(図1~図8)
図1は、第1実施形態に係るバケット式流量計を示す正面断面図である。また、図2は、図1のバケット式流量計のバケット及び検出ユニットを示す斜視図である。これらの図1及び図2に示すバケット式流量計10は、給水配管20内を流れる液体としての水の流量を測定するものであり、図1、図2及び図4に示すように、バケット11、規制手段としての規制ユニット12、検出手段としての検出ユニット13、積算カウント手段としての積算カウンタ14、流量算出手段としての流量算出回路15、及びケース16を有して構成される。
(【0011】以降は省略されています)
この特許をJ-PlatPat(特許庁公式サイト)で参照する
関連特許
株式会社東芝
モータ
2か月前
株式会社東芝
端子台
1か月前
株式会社東芝
電子源
今日
株式会社東芝
電子装置
2か月前
株式会社東芝
除去装置
29日前
株式会社東芝
電子回路
1か月前
株式会社東芝
電子装置
1か月前
株式会社東芝
吸音装置
2か月前
株式会社東芝
半導体装置
1か月前
株式会社東芝
半導体装置
1か月前
株式会社東芝
半導体装置
1か月前
株式会社東芝
半導体装置
今日
株式会社東芝
半導体装置
1か月前
株式会社東芝
半導体装置
1か月前
株式会社東芝
高周波回路
1か月前
株式会社東芝
半導体装置
1か月前
株式会社東芝
半導体装置
1か月前
株式会社東芝
真空バルブ
1か月前
株式会社東芝
半導体装置
1か月前
株式会社東芝
半導体装置
1か月前
株式会社東芝
半導体装置
1か月前
株式会社東芝
真空バルブ
1か月前
株式会社東芝
半導体装置
7日前
株式会社東芝
半導体装置
1か月前
株式会社東芝
半導体装置
1か月前
株式会社東芝
半導体装置
1か月前
株式会社東芝
半導体装置
1か月前
株式会社東芝
粒子加速器
2か月前
株式会社東芝
半導体装置
2か月前
株式会社東芝
半導体装置
2か月前
株式会社東芝
半導体装置
2か月前
株式会社東芝
半導体装置
2か月前
株式会社東芝
半導体装置
2か月前
株式会社東芝
半導体装置
2か月前
株式会社東芝
半導体装置
2か月前
株式会社東芝
半導体装置
15日前
続きを見る
他の特許を見る