TOP
|
特許
|
意匠
|
商標
特許ウォッチ
Twitter
他の特許を見る
10個以上の画像は省略されています。
公開番号
2025175066
公報種別
公開特許公報(A)
公開日
2025-11-28
出願番号
2025148382,2024002037
出願日
2025-09-08,2019-02-28
発明の名称
エアロゾル吸引器用の電源ユニット
出願人
日本たばこ産業株式会社
代理人
弁理士法人大塚国際特許事務所
主分類
A24F
40/90 20200101AFI20251120BHJP(たばこ;葉巻たばこ;紙巻たばこ;喫煙具)
要約
【課題】第1制御装置及び第2制御装置を適切に保護しつつ、回路基板上のコンデンサの占有面積を小さくすることができるエアロゾル吸引器用の電源ユニットを提供する。
【解決手段】エアロゾル吸引器1用の電源ユニット10は、エアロゾル源からエアロゾルを発生させるための負荷へ放電可能な電源12と、電源12の充電と放電の少なくとも一方を制御するよう構成される充電器13及び制御部50と、充電器13及び制御部50が設けられる第2回路基板77と、充電器13の入力側に、充電器13に対して並列接続される第1コンデンサ74と、制御部50の入力側に、制御部50に対して並列接続される第2コンデンサ75と、を備える。第1コンデンサ74の容量は、第2コンデンサ75の容量とは異なる。
【選択図】図7
特許請求の範囲
【請求項1】
エアロゾル源からエアロゾルを発生させるための負荷へ放電可能な電源と、
前記電源の充電と放電の少なくとも一方を制御するよう構成される第1制御装置及び第2制御装置と、
前記第1制御装置及び前記第2制御装置が設けられる回路基板と、
前記第1制御装置の入力側に、前記第1制御装置に対して並列接続される第1コンデンサと、
前記第2制御装置の入力側に、前記第2制御装置に対して並列接続される第2コンデンサと、を備え、
前記第1コンデンサの容量は、前記第2コンデンサの容量とは異なる、エアロゾル吸引器用の電源ユニット。
発明の詳細な説明
【技術分野】
【0001】
本発明は、エアロゾル吸引器用の電源ユニットに関する。
続きを表示(約 1,800 文字)
【背景技術】
【0002】
特許文献1には、燃焼を伴わずにエアロゾル源を霧化する負荷を有する霧化ユニットと、負荷に電力を供給するための電源を含む電源ユニットと、を備えた非燃焼型の香味吸引器が開示されている。電源ユニットは、通常、電源の他に、外部電源と電気的に接続可能なコネクタと、電源の充電と放電の少なくとも一方を制御するよう構成される、又は、コネクタから入力される電力を電源の充電電力へ変換可能に構成される制御装置(制御部、充電器など)と、を備えている。
【0003】
例えば、特許文献2には、充電器よりも下流側に充電器に対して並列接続される複数のコンデンサを備える電源ユニットが開示されている。特許文献3には、充電器に入力される電圧を安定化させるために、コネクタと充電器との間に充電器に対して並列接続されるコンデンサを備える電源ユニットが開示されている。
【先行技術文献】
【特許文献】
【0004】
国際公開第2018/163261号
中国実用新案第206865186号明細書
米国特許出願公開第2015/0173124号明細書
【発明の概要】
【発明が解決しようとする課題】
【0005】
しかしながら、同一の回路基板上に複数の制御装置を備える電源ユニットでは、複数の制御装置を適切に保護することが難しいだけでなく、回路基板上におけるコンデンサなどの専有面積が大きくなり、電源ユニットが大型化する虞がある。
【0006】
本発明の目的は、複数の制御装置を適切に保護しつつ、回路基板上のコンデンサの占有面積を小さくすることができるエアロゾル吸引器用の電源ユニットを提供することにある。
【課題を解決するための手段】
【0007】
本発明のエアロゾル吸引器用の電源ユニットは、
エアロゾル源からエアロゾルを発生させるための負荷へ放電可能な電源と、
前記電源の充電と放電の少なくとも一方を制御するよう構成される第1制御装置及び第2制御装置と、
前記第1制御装置及び前記第2制御装置が設けられる回路基板と、
前記第1制御装置の入力側に、前記第1制御装置に対して並列接続される第1コンデンサと、
前記第2制御装置の入力側に、前記第2制御装置に対して並列接続される第2コンデンサと、を含み、
前記第1コンデンサの容量は、前記第2コンデンサの容量とは異なる。
【発明の効果】
【0008】
本発明によれば、複数の制御装置を適切に保護しつつ、回路基板上のコンデンサの占有面積を小さくすることができる。
【図面の簡単な説明】
【0009】
本発明の一実施形態の電源ユニットが装着されたエアロゾル吸引器の斜視図である。
図1のエアロゾル吸引器の他の斜視図である。
図1のエアロゾル吸引器の断面図である。
図1のエアロゾル吸引器における電源ユニットの斜視図である。
図1のエアロゾル吸引器における電源ユニットの内部構成を示す分解斜視図である。
図1のエアロゾル吸引器における電源ユニットの要部構成を示すブロック図である。
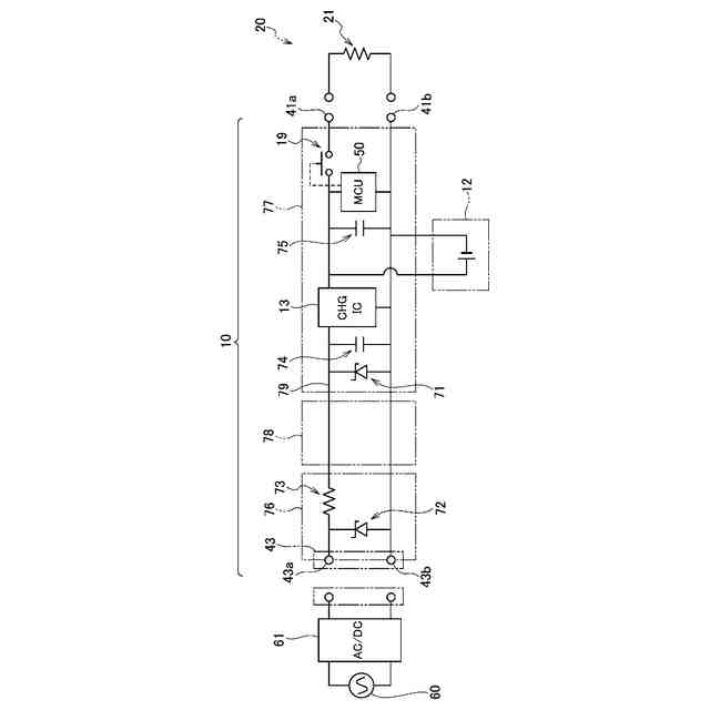
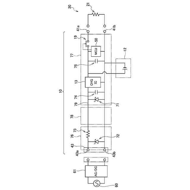
図1のエアロゾル吸引器における電源ユニットの回路構成を示す模式図である。
ツェナーダイオードを含む回路図である。
ツェナーダイオードの降伏電圧を示す説明図である。
充電器への入力電圧の脈動を示す説明図である。
ツェナーダイオードによる定電圧化を示す説明図である。
図1のエアロゾル吸引器における電源ユニットの第2ツェナーダイオード(又は第1ツェナーダイオード)として好適なツェナーダイオードの範囲を示す説明図である。
図1のエアロゾル吸引器における電源ユニットの平滑コンデンサの動作原理を示す説明図である。
ローパスフィルタを含む回路図である。
【発明を実施するための形態】
【0010】
以下、本発明の一実施形態のエアロゾル吸引器用の電源ユニットについて説明するが、先ず、電源ユニットが装着されたエアロゾル吸引器について、図1~図3を参照しながら説明する。
(【0011】以降は省略されています)
この特許をJ-PlatPat(特許庁公式サイト)で参照する
関連特許
日本たばこ産業株式会社
香味吸引物品
1日前
日本たばこ産業株式会社
ヒータアッセンブリ及び容器
3日前
日本たばこ産業株式会社
エアロゾル吸引器用の電源ユニット
1日前
日本たばこ産業株式会社
縮合三環性化合物及びその医薬用途
1日前
日本たばこ産業株式会社
吸引装置、表示方法、及びプログラム
9日前
日本たばこ産業株式会社
エアロゾル生成システム、制御方法、及びプログラム
1日前
日本たばこ産業株式会社
エアロゾル生成装置、エアロゾル生成装置の制御方法、及びプログラム
11日前
日本たばこ産業株式会社
香味吸引物品
2か月前
日本たばこ産業株式会社
香味吸引物品
1日前
日本たばこ産業株式会社
口腔用組成物
3か月前
日本たばこ産業株式会社
喫煙システム
3か月前
日本たばこ産業株式会社
香味発生物品
2か月前
Future Technology株式会社
エアロゾル吸引カートリッジ
2か月前
日本たばこ産業株式会社
香味吸引システム
3か月前
日本たばこ産業株式会社
香味吸引システム
3か月前
日本たばこ産業株式会社
低香味原料を含むたばこセグメント
2か月前
Future Technology株式会社
たばこ用組成物、E-リキッド、たばこ製品
1か月前
日本たばこ産業株式会社
香味発生物品および香味吸引システム
3か月前
日本たばこ産業株式会社
粒状再生セルロースを含有する口腔用組成物
3か月前
Future Technology株式会社
喫煙器具
2か月前
日本たばこ産業株式会社
たばこ材料、その製造方法、および非燃焼加熱型喫煙物品
2か月前
Future Technology株式会社
芳香カートリッジ
1か月前
Future Technology株式会社
タバコ充填物集積体
2か月前
Future Technology株式会社
被加熱芳香発生基材
15日前
Future Technology株式会社
喫煙具用カートリッジ
1か月前
Future Technology株式会社
喫煙具用カートリッジ
3か月前
Future Technology株式会社
喫煙具用カートリッジ
2か月前
Future Technology株式会社
喫煙具用カートリッジ
3か月前
Future Technology株式会社
電子タバコカートリッジ
3か月前
Future Technology株式会社
電子タバコカートリッジ
3か月前
Future Technology株式会社
被加熱芳香カートリッジ
3日前
Future Technology株式会社
被加熱芳香カートリッジ
2か月前
Future Technology株式会社
電子タバコカートリッジ
1か月前
Future Technology株式会社
電子タバコカートリッジ
2か月前
Future Technology株式会社
加熱式タバコ用カートリッジ
11日前
Future Technology株式会社
加熱式タバコ用カートリッジ
11日前
続きを見る
他の特許を見る