TOP
|
特許
|
意匠
|
商標
特許ウォッチ
Twitter
他の特許を見る
10個以上の画像は省略されています。
公開番号
2025174645
公報種別
公開特許公報(A)
公開日
2025-11-28
出願番号
2024081130
出願日
2024-05-17
発明の名称
チェックリストの作成方法及び作成システム
出願人
株式会社日立製作所
代理人
弁理士法人第一国際特許事務所
主分類
B61L
23/14 20060101AFI20251120BHJP(鉄道)
要約
【課題】本発明では、作業者の知識レベルに左右されることなく、漏れの無いチェックリストを短時間で作成することができる技術を提供することを目的とする。
【解決手段】代表的な本発明のチェックリストの作成方法の一つは、シンボル抽出部とシンボル内容取り込み部と変化パターン情報取り込み部とチェックリスト出力部とを含むチェックリストの作成システムにおいて、変化パターンを有する複数のシンボルを含む表示画面の表示パターンの確認に用いるチェックリストの作成方法であって、前記表示画面に含まれる前記複数のシンボルを抽出し、前記複数のシンボルの各々の前記表示画面における表示位置及び関係性を示す情報を含むシンボル内容情報を取得し、前記複数のシンボルの各々の前記変化パターンを示す変化パターン情報を取得し、前記シンボル情報及び前記変化パターン情報に基づいて、前記表示画面の前記表示パターンを出力する。
【選択図】図1
特許請求の範囲
【請求項1】
シンボル抽出部とシンボル内容取り込み部と変化パターン情報取り込み部とチェックリスト出力部とを含むチェックリストの作成システムにおいて、変化パターンを有する複数のシンボルを含む表示画面の表示パターンの確認に用いるチェックリストの作成方法であって、
前記表示画面に含まれる前記複数のシンボルを抽出し、
前記複数のシンボルの各々の前記表示画面における表示位置及び関係性を示す情報を含むシンボル情報を取得し、
前記複数のシンボルの各々の前記変化パターンを示す変化パターン情報を取得し、
前記シンボル情報及び前記変化パターン情報に基づいて、前記表示画面の前記表示パターンを出力する作成方法。
続きを表示(約 840 文字)
【請求項2】
請求項1に記載の作成方法であって、
前記複数のシンボルの各々は、信号機、軌道回路、方向てこ、ボタン、列車番号表示用窓、及び警報機を含む設備のうちのいずれかを示す描画部品であり、
前記シンボル内容情報は、前記複数のシンボルの各々の設置個所、名称、設備種別、前記表示画面における表示位置、及び関係設備、を示す情報を含み、
前記変化パターン情報は、前記複数のシンボルの各々の変化パターン及び前記変化パターンの発生条件、を示す情報を含む、作成方法。
【請求項3】
請求項1に記載の作成方法であって、
前記複数のシンボルのうちのいずれかのシンボルが前記シンボル情報又は前記変化パターン情報のいずれにも関連づけられていない場合、又は
前記シンボル情報及び前記変化パターン情報に誤りが含まれる場合、又は
前記出力した変化パターンに重複する情報が含まれる場合、
アラーム情報を出力する、作成方法。
【請求項4】
変化パターンを有する複数のシンボルを含む表示画面の表示パターンの確認に用いるチェックリストの作成システムであって、
前記作成システムは、
プロセッサと、
メモリと、を備え、
前記メモリは、
前記表示画面に含まれる前記複数のシンボルを抽出するシンボル抽出部と、
前記複数のシンボルの各々の前記表示画面における表示位置及び関係性を示す情報を含むシンボル情報を取得するシンボル内容取り込み部と、
前記複数のシンボルの各々の前記変化パターンを示す変化パターン情報を取得する変化パターン情報取り込み部と、
前記シンボル情報及び前記変化パターン情報に基づいて、前記表示画面の表示パターンを出力するチェックリスト作成部
として前記プロセッサを実行させる命令を含むことを特徴とするチェックリストの作成システム。
発明の詳細な説明
【技術分野】
【0001】
本発明は、チェックリストの作成方法及び作成システムに関するものである。
続きを表示(約 2,100 文字)
【背景技術】
【0002】
チェックリストは、対象とする業務の作業内容又は確認事項等を一覧に表示したものであり、一覧にした項目が漏れなく実施されるようにユーザに確認させるために用いられる。チェックリストに漏れなく項目を含めるためには、対象とする業務の全体像を把握することが必要である。このようなチェックリストを作成する技術としては、例えば特許文献1に示された技術がある。
【0003】
特許文献1の技術では、踏切制御データを取り込み、取り込んだデータを用いて、制御項目毎のチェックリストを自動的に作成する機能を提供している。具体的には、特許文献1は、「踏切制御データのためのチェックリスト作成が容易で、踏切制御データの良否確認試験を効率よく、短時間で、確実に実行できる電子踏切用試験装置を提供する」ことを課題とし、電子踏切用試験装置の発明として次の内容を開示している。「チェックリスト作成装置100は、踏切制御データを取り込み、踏切制御データを用いて、列車走行順に従った制御項目毎のチェックリストを、自動的に作成するとともに、制御経路データから、列車走行制御シーケンスを判定し、列車走行制御シーケンスにおいて、制御項目の制御出力予測状態を、外部からチェックリストに書き込む102ことができる。踏切動作試験シミュレータ装置200は、チェックリスト作成装置100において作成されたチェックリストを取り込み、踏切論理制御部202において、チェックリストに従った踏切論理制御を実行するとともに、その結果と、チェックリスト作成装置100から供給された制御出力予測状態とを比較し、踏切制御データの良否判定204を行う」。
【先行技術文献】
【特許文献】
【0004】
特開2005-153740号公報
【発明の概要】
【発明が解決しようとする課題】
【0005】
特許文献1では踏切制御データを用いてチェックリストを作成する場合が示されているが、踏切制御データを用いずにチェックリストを作成することは想定されていない。従来のチェックリストは、複数の情報源を相互に参照しながら、必要な設備情報の抽出ならびに各情報の照合を行い、膨大な時間を掛け手作業で作成されていた。
【0006】
また、必要な情報の抽出や各情報の照合を行う作業は、作業者の経験値や知識に左右され、経験不足や知識不足が原因でチェックリストに過不足が発生することもあった。そこで、作業者の知識レベルに左右されることなく、漏れの無いチェックリストを短時間で作成する技術が求められていた。
【0007】
そこで、本発明では、作業者の知識レベルに左右されることなく、漏れの無いチェックリストを短時間で作成することができる技術を提供することを目的とする。
【課題を解決するための手段】
【0008】
上記課題を解決するため、代表的な本発明のチェックリストの作成方法の一つは、シンボル抽出部とシンボル内容取り込み部と変化パターン情報取り込み部とチェックリスト出力部とを含むチェックリストの作成システムにおいて、変化パターンを有する複数のシンボルを含む表示画面の表示パターンの確認に用いるチェックリストの作成方法であって、前記表示画面に含まれる前記複数のシンボルを抽出し、前記複数のシンボルの各々の前記表示画面における表示位置及び関係性を示す情報を含むシンボル内容情報を取得し、前記複数のシンボルの各々の前記変化パターンを示す変化パターン情報を取得し、前記シンボル情報及び前記変化パターン情報に基づいて、前記表示画面の前記表示パターンを出力する。
【発明の効果】
【0009】
本発明により、作業者の知識レベルに左右されることなく、漏れの無いチェックリストを短時間で作成することができる。
上記した以外の課題、構成及び効果は、以下の発明を実施するための形態における説明により明らかにされる。
【図面の簡単な説明】
【0010】
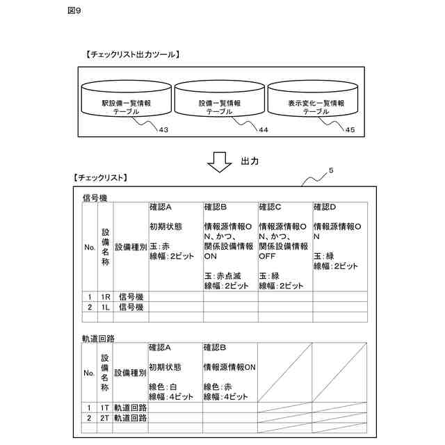
図1は、チェックリストの作成の概要を示す図である。
図2は、図1に示した運行状況表示画面の一例である運行状況表示画面例を示す図である。
図3は、図2に示した運行状況表示画面例に含まれるルート1及びルート2の表示パターンを軌道回路表示例として示した図である。
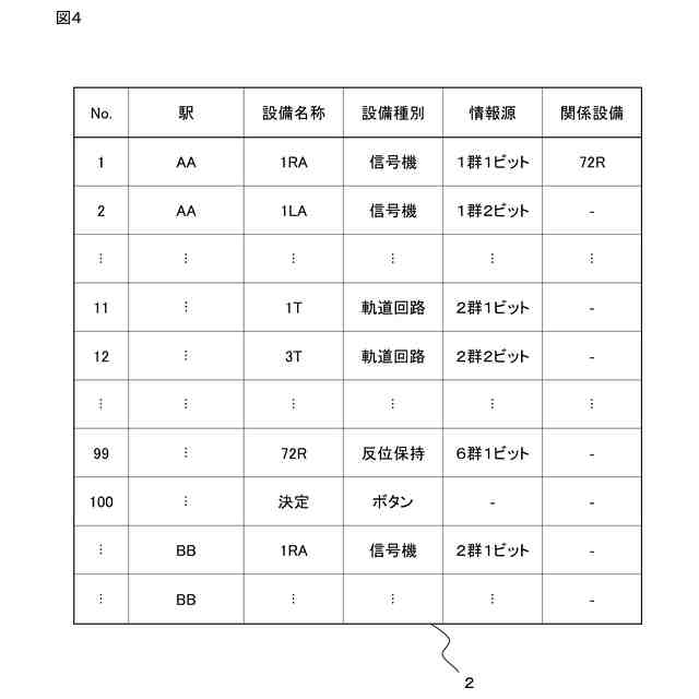
図4は、設備一覧表の一例を示す図である。
図5は、入出力情報説明書の一例を示す図である。
図6は、運行状況表示画面の取り込みを概念的に示す図である。
図7は、設備一覧表の取り込みを概念的に示す図である。
図8は、入出力情報説明書の取り込みを概念的に示す図である。
図9は、チェックリストの出力を概念的に示す図である。
図10は、チェックリスト出力ツールの処理を示すフローチャートである。
図11は、チェックリスト出力システムの構成の一例を示す図である。
【発明を実施するための形態】
(【0011】以降は省略されています)
この特許をJ-PlatPat(特許庁公式サイト)で参照する
関連特許
株式会社日立製作所
鉄道車両
1か月前
株式会社日立製作所
回転電機
1日前
株式会社日立製作所
演算装置
1日前
株式会社日立製作所
放射線モニタ
1か月前
株式会社日立製作所
ガス分離システム
1か月前
株式会社日立製作所
システム検証方法
24日前
株式会社日立製作所
電力変換システム
9日前
株式会社日立製作所
鉄道車両用空調装置
23日前
株式会社日立製作所
調停案提示システム
1か月前
株式会社日立製作所
乗降床及び乗客コンベア
22日前
株式会社日立製作所
生産ライン設計システム
17日前
株式会社日立製作所
店舗管理装置および方法
24日前
株式会社日立製作所
施設管理装置および方法
9日前
株式会社日立製作所
乗りかご及びエレベーター
24日前
株式会社日立製作所
検索システム及び検索方法
24日前
株式会社日立製作所
乗りかご及びエレベーター
25日前
株式会社日立製作所
データ変換装置および方法
1か月前
株式会社日立製作所
署名照合システム及び方法
1か月前
株式会社日立製作所
飲食店提案装置および方法
24日前
株式会社日立製作所
IT運用管理装置および方法
2日前
株式会社日立製作所
膜分離設備設計支援システム
9日前
株式会社日立製作所
宇宙機、地上局及びアンテナ
9日前
株式会社日立製作所
ソフトエラー率評価システム
10日前
株式会社日立製作所
生体認証装置、生体認証方法
23日前
株式会社日立製作所
ソースコードを生成する方法
17日前
株式会社日立製作所
モータ、及びロータ固定構造
1日前
株式会社日立製作所
検証システムおよび検証方法
1日前
株式会社日立製作所
設計支援装置及び設計支援方法
1日前
株式会社日立製作所
治療効果予測システムおよび方法
1か月前
株式会社日立製作所
ガス分離システムの劣化診断装置
9日前
株式会社日立製作所
スカートモール及び乗客コンベア
9日前
株式会社日立製作所
立体構造宇宙機及びその制御方法
22日前
株式会社日立製作所
広告支援装置および広告支援方法
2日前
株式会社日立製作所
水素製造制御システムおよび方法
3日前
株式会社日立製作所
物体検出装置および物体検出方法
1か月前
株式会社日立製作所
購入関連行動分析装置および方法
23日前
続きを見る
他の特許を見る