TOP
|
特許
|
意匠
|
商標
特許ウォッチ
Twitter
他の特許を見る
10個以上の画像は省略されています。
公開番号
2025173955
公報種別
公開特許公報(A)
公開日
2025-11-28
出願番号
2024079858
出願日
2024-05-16
発明の名称
内燃機関の制御方法および制御装置
出願人
日産自動車株式会社
代理人
個人
,
個人
,
個人
,
個人
主分類
B60W
10/06 20060101AFI20251120BHJP(車両一般)
要約
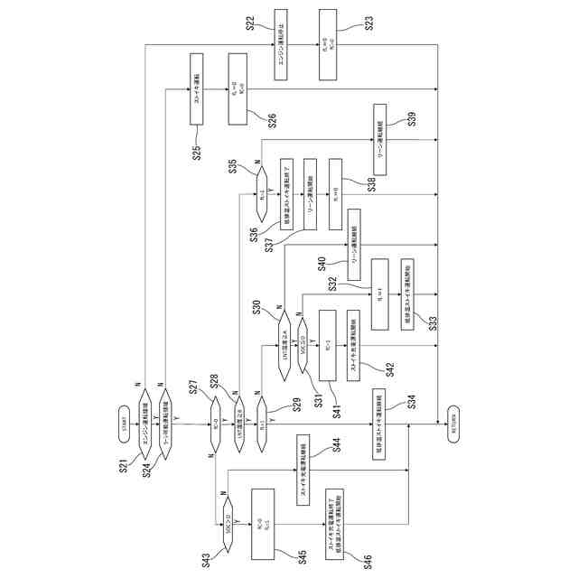
【課題】ストイキ運転からリーン運転への移行時に、リーンNOxトラップ触媒が高温であると、NOx吸着能力が低下するため、温度低下までNOxの悪化が生じる。
【解決手段】車両の加速に伴い、時間t2から発電用の内燃機関が高速高負荷側の運転点でストイキ運転される。時間t4での加速終了に伴い、低速低負荷側の運転点でのリーン運転への移行が要求される。この時間t4におけるLNT温度が閾値温度A以上であれば、リーン運転開始前に、少なくとも閾値温度Bよりも低い排気温度となる運転点で空燃比をストイキとした低排温ストイキ運転燃焼運転を行う。LNT温度が閾値温度B未満となった時間t5においてリーン運転を開始する。
【選択図】図3
特許請求の範囲
【請求項1】
発電のためにモータジェネレータを駆動するハイブリッド車両の内燃機関であって、要求トルクが低いときにリーン運転が行われるとともに、排気系に三元触媒とともにリーンNOxトラップ触媒を備えた内燃機関の制御方法において、
ストイキ運転からリーン運転への移行が要求されたときに、上記リーンNOxトラップ触媒の温度がNOx吸着能力低下回避のための所定の閾値温度よりも低くなるまで、当該閾値温度よりも低い排気温度となる運転点で空燃比をストイキとした低排温ストイキ運転を行った後に、リーン運転を開始する、
内燃機関の制御方法。
続きを表示(約 1,100 文字)
【請求項2】
上記内燃機関はシリーズハイブリッド車両における発電用内燃機関であり、
このシリーズハイブリッド車両は、上記モータジェネレータが発電を行い、別の走行用モータジェネレータによって走行を行う、
請求項1に記載の内燃機関の制御方法。
【請求項3】
上記内燃機関は、バッテリのSOCが低下したことによるバッテリ充電時にリーン運転として所定の運転点で運転され、
上記低排温ストイキ運転の運転点は、上記バッテリ充電時の運転点よりも低負荷側に設定される、
請求項2に記載の内燃機関の制御方法。
【請求項4】
上記内燃機関は、バッテリのSOCが低下したことによるバッテリ充電時にリーン運転として所定の運転点で運転され、
上記低排温ストイキ運転の運転点は、上記バッテリ充電時の運転点よりも低回転速度側に設定される、
請求項2に記載の内燃機関の制御方法。
【請求項5】
上記内燃機関は、バッテリのSOCが低下したことによるバッテリ充電時にリーン運転として所定の運転点で運転され、
上記低排温ストイキ運転時には、少なくとも上記バッテリ充電時の運転点よりも排気温度が低くなるように排気還流を行う、
請求項2に記載の内燃機関の制御方法。
【請求項6】
ストイキ運転からリーン運転への移行が要求されたときに、バッテリのSOCが上記低排温ストイキ運転の実行に対して不十分なレベルであれば、上記低排温ストイキ運転の開始前に、バッテリの充電が可能な運転点で空燃比をストイキとしたストイキ充電運転を行う、
請求項1に記載の内燃機関の制御方法。
【請求項7】
上記ストイキ充電運転は、バッテリのSOCが所定SOCに達するまで継続し、
所定SOCに達したときに上記低排温ストイキ運転に移行する、
請求項6に記載の内燃機関の制御方法。
【請求項8】
モータジェネレータと、
このモータジェネレータを発電のために駆動するとともに、要求トルクが低いときにリーン運転が行われる内燃機関と、
内燃機関の排気系に設けられた三元触媒およびリーンNOxトラップ触媒と、
上記モータジェネレータおよび上記内燃機関を制御するコントローラと、
を備え、
上記コントローラは、
ストイキ運転からリーン運転への移行が要求されたときに、上記リーンNOxトラップ触媒の温度がNOx吸着能力低下回避のための所定の閾値温度よりも低くなるまで、当該閾値温度よりも低い排気温度となる運転点で空燃比をストイキとした低排温ストイキ運転を行った後に、リーン運転を開始する、
内燃機関の制御装置。
発明の詳細な説明
【技術分野】
【0001】
この発明は、目標空燃比をリーンとしたリーン運転が特定の運転条件で行われ、これに対応して、排気系に三元触媒とともにリーンNOxトラップ触媒を備えた内燃機関の制御に関する。
続きを表示(約 1,300 文字)
【背景技術】
【0002】
内燃機関の燃費の向上のためにはリーン運転が有利であり、リーン燃焼時に排出されるNOxの処理のために、リーンNOxトラップ触媒が用いられることがある。リーン燃焼時に排出されるNOxは、リーンNOxトラップ触媒に一時的に吸着され、排気が理論空燃比ないしリッチ雰囲気となったときに浄化処理される。
【0003】
このようなリーンNOxトラップ触媒は、NOx処理に適した触媒の活性温度が比較的に低く、例えば三元触媒の適切な温度範囲よりも低い。図4は、リーンNOxトラップ触媒を通して排出されるNOxとリーンNOxトラップ触媒の温度との相関の一例を示しており、ある温度T1(例えば400℃前後)を越えると、NOxの吸着能力が低下し、NOxの排出量が増加する。
【0004】
このようなリーンNOxトラップ触媒の温度特性のため、例えば、目標空燃比を理論空燃比としたストイキ運転からリーン運転に移行したときに、ストイキ運転中にリーンNOxトラップ触媒が高温となっていると、リーンNOxトラップ触媒が温度低下するまでの間、NOxの悪化が生じる。
【0005】
特許文献1には、リーンNOxトラップ触媒の高温時の性能低下を回避するために、リーンNOxトラップ触媒の上流に排熱を回収する熱交換器を設け、熱交換器内での液相冷媒の気化によってリーンNOxトラップ触媒に流入する排気を冷却するようにした構成が記載されている。
【先行技術文献】
【特許文献】
【0006】
特開2009-216044号公報
【発明の概要】
【発明が解決しようとする課題】
【0007】
特許文献1のように排気系に熱交換器を設けた構成では、排気系の構成が複雑になり、大型の熱交換器や付随する冷媒配管等が必要となって、好ましくない。
【課題を解決するための手段】
【0008】
この発明は、発電のためにモータジェネレータを駆動するハイブリッド車両の内燃機関であって、要求トルクが低いときにリーン運転が行われるとともに、排気系に三元触媒とともにリーンNOxトラップ触媒を備えた内燃機関の制御方法において、
ストイキ運転からリーン運転への移行が要求されたときに、上記リーンNOxトラップ触媒の温度がNOx吸着能力低下回避のための所定の閾値温度よりも低くなるまで、当該閾値温度よりも低い排気温度となる運転点で空燃比をストイキとした低排温ストイキ運転を行った後に、リーン運転を開始する。
【0009】
低排温ストイキ運転により排気温度の低いガスがリーンNOxトラップ触媒に導入され、高温となっていたリーンNOxトラップ触媒の温度が低下する。
【発明の効果】
【0010】
この発明によれば、熱交換器等の付加的なデバイスを要さずにリーンNOxトラップ触媒を冷却することができ、リーン運転に移行した直後のリーンNOxトラップ触媒が高温であることによるNOxの悪化を回避することができる。
【図面の簡単な説明】
(【0011】以降は省略されています)
この特許をJ-PlatPat(特許庁公式サイト)で参照する
関連特許
日産自動車株式会社
二次電池
1か月前
日産自動車株式会社
吸気装置
4日前
日産自動車株式会社
電動車両
26日前
日産自動車株式会社
電子機器
10日前
日産自動車株式会社
内燃機関
23日前
日産自動車株式会社
ロータシャフト
18日前
日産自動車株式会社
ロータシャフト
18日前
日産自動車株式会社
電池モジュール
2日前
日産自動車株式会社
電池モジュール
1か月前
日産自動車株式会社
電池モジュール
24日前
日産自動車株式会社
リチウム二次電池
23日前
日産自動車株式会社
車両用排気部構造
23日前
日産自動車株式会社
エアレスタイヤ構造
10日前
日産自動車株式会社
塗装方法及び自動車
25日前
日産自動車株式会社
全固体電池システム
2日前
日産自動車株式会社
ピックアップトラック
4日前
日産自動車株式会社
支援方法及び支援装置
4日前
日産自動車株式会社
エンジンのアンダカバー
1か月前
日産自動車株式会社
パワー半導体モジュール
2日前
株式会社ニフコ
締結構造
1か月前
日産自動車株式会社
相乗り可否判定方法及び装置
1か月前
日産自動車株式会社
車両用荷室における排熱構造
1か月前
日産自動車株式会社
車両乗り合わせ方法及び装置
3日前
日産自動車株式会社
情報提供方法及び情報提供装置
10日前
日産自動車株式会社
車両制御装置及び車両制御方法
3日前
日産自動車株式会社
施錠制御方法及び施錠制御装置
1か月前
日産自動車株式会社
運転支援方法及び運転支援装置
1か月前
日産自動車株式会社
運転支援方法及び運転支援装置
1か月前
日産自動車株式会社
車両制御装置及び車両制御方法
3日前
日産自動車株式会社
情報処理装置及び情報処理方法
2日前
日産自動車株式会社
衝突回避方法、及び衝突回避装置
23日前
日産自動車株式会社
物体検出方法、及び物体検出装置
23日前
日産自動車株式会社
車両制御方法および車両制御装置
1か月前
日産自動車株式会社
車両制御方法および車両制御装置
1か月前
日産自動車株式会社
車両制御方法および車両制御装置
1か月前
日産自動車株式会社
車両制御システム及び車両制御方法
3日前
続きを見る
他の特許を見る