TOP
|
特許
|
意匠
|
商標
特許ウォッチ
Twitter
他の特許を見る
公開番号
2025173844
公報種別
公開特許公報(A)
公開日
2025-11-28
出願番号
2024079647
出願日
2024-05-15
発明の名称
中継装置及び給電システム
出願人
株式会社内田洋行
代理人
個人
,
個人
主分類
H04L
12/28 20060101AFI20251120BHJP(電気通信技術)
要約
【課題】接続機器に好適に電力を供給することができる中継装置等を提供する。
【解決手段】中継装置1は、PoE(Power over Ethernet)規格に対応したLAN(Local Area Network)ケーブル3を介してPoEハブ2に接続される接続部と、第1の接続機器に電力を供給する第1出力ポートと、第2の接続機器に電力及び信号を伝送する第2出力ポートと、前記第2出力ポートにおける前記第2の接続機器の接続状態又は電力供給状態に応じて、前記第1出力ポートに接続された前記第1の接続機器への電力の供給を制御する制御部とを備える。
【選択図】図1
特許請求の範囲
【請求項1】
PoE(Power over Ethernet)規格に対応したLAN(Local Area Network)ケーブルを介してPoEハブに接続される接続部と、
第1の接続機器に電力を供給する第1出力ポートと、
第2の接続機器に電力及び信号を伝送する第2出力ポートと、
前記第2出力ポートにおける前記第2の接続機器の接続状態又は電力供給状態に応じて、前記第1出力ポートに接続された前記第1の接続機器への電力の供給を制御する制御部と
を備える中継装置。
続きを表示(約 1,000 文字)
【請求項2】
前記制御部は、前記第2出力ポートに前記第2の接続機器が接続されている場合、又は前記第2の接続機器に電力の供給を行っている場合、前記第1出力ポートに接続された前記第1の接続機器への電力の供給を行う
請求項1に記載の中継装置。
【請求項3】
前記制御部は、前記第2出力ポートにおいて前記第2の接続機器の接続が解除された場合、解除後の所定時間は前記第1出力ポートに接続された前記第1の接続機器への電力の供給を継続する
請求項2に記載の中継装置。
【請求項4】
前記第1の接続機器は照明装置である
請求項1に記載の中継装置。
【請求項5】
前記制御部は、前記第2出力ポートにおける前記第2の接続機器の接続状態又は電力供給状態を前記PoEハブに出力する
請求項1に記載の中継装置。
【請求項6】
前記第2出力ポートにおける前記第2の接続機器の接続状態又は電力供給状態に応じて、外部機器の稼働制御信号を発信する発信部を備える
請求項1に記載の中継装置。
【請求項7】
前記接続部は前記LANケーブルを複数接続可能である
請求項1に記載の中継装置。
【請求項8】
前記制御部は、ネットワークを経由して前記第1又は第2の接続機器への電力の供給を停止する指示を受け付ける
請求項1に記載の中継装置。
【請求項9】
PoEハブと、該PoEハブから電力及び信号の伝送を受ける中継装置とを有する給電システムであって、
前記中継装置は、
PoE規格に対応したLANケーブルを介して前記PoEハブに接続される接続部と、
第1の接続機器に電力を供給する第1出力ポートと、
第2の接続機器に電力及び信号を伝送する第2出力ポートと、
前記第2出力ポートにおける前記第2の接続機器の接続状態又は電力供給状態に応じて、前記第1出力ポートに接続された前記第1の接続機器への電力の供給を制御する制御部とを備え、
前記制御部は、前記第2出力ポートにおける前記第2の接続機器の接続状態又は電力供給状態を前記PoEハブに出力し、
前記PoEハブは、前記第2出力ポートにおける前記第2の接続機器の接続状態又は電力供給状態に応じて、自装置、又は自装置に接続された通信中継装置の消費電力を制限する
給電システム。
発明の詳細な説明
【技術分野】
【0001】
本発明は、中継装置及び給電システムに関する。
続きを表示(約 1,300 文字)
【背景技術】
【0002】
LAN(Local Area Network)ケーブルを通じて通信信号の伝送と共に電力の供給を行うPoE(Power over Ethernet)の利用が進んでいる。例えば特許文献1では、PoEによって給電可能であると共に、異なる通信方式への対応が可能な照明制御システムが開示されている。
【先行技術文献】
【特許文献】
【0003】
特開2022-147900号公報
【発明の概要】
【発明が解決しようとする課題】
【0004】
一つの側面では、接続機器に好適に電力を供給することができる中継装置等を提供することを目的とする。
【課題を解決するための手段】
【0005】
一つの側面では、中継装置は、PoE規格に対応したLANケーブルを介してPoEハブに接続される接続部と、第1の接続機器に電力を供給する第1出力ポートと、第2の接続機器に電力及び信号を伝送する第2出力ポートと、前記第2出力ポートにおける前記第2の接続機器の接続状態又は電力供給状態に応じて、前記第1出力ポートに接続された前記第1の接続機器への電力の供給を制御する制御部とを備える。
【発明の効果】
【0006】
一つの側面では、接続機器に好適に電力を供給することができる。
【図面の簡単な説明】
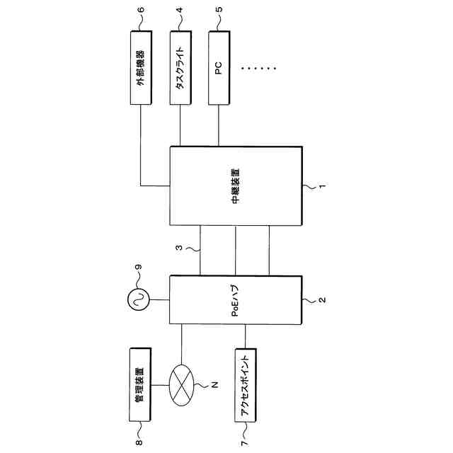
【0007】
給電システムの構成例を示す説明図である。
中継装置の構成例を示すブロック図である。
中継装置が実行する処理手順の一例を示すフローチャートである。
【発明を実施するための形態】
【0008】
以下、本発明をその実施の形態を示す図面に基づいて詳述する。
(実施の形態)
図1は、給電システムの構成例を示す説明図である。本実施の形態では、PoE対応のLANケーブル3を経由してオフィス内の各機器に給電を行う給電システムについて説明する。給電システムは、中継装置1、PoEハブ2、タスクライト4、PC(Personal Computer)5、外部機器6、アクセスポイント7、管理装置8を含む。
【0009】
PoEハブ2は、接続機器に電力を供給すると共に、通信信号を伝送するPoE対応の給電装置(ハブ)である。PoEハブ2は、インターネット等のネットワークNに通信接続されている。また、PoEハブ2は電源9に接続されており、電源9から電力の供給を受ける。
【0010】
中継装置1は、PoEハブ2と接続機器との間を中継する装置である。中継装置1及びPoEハブ2は、PoE規格に対応したLANケーブル3を介して接続されている。また、中継装置1は、タスクライト4、PC5といった接続機器に電力及び信号を伝送する。例えば中継装置1は、オフィス内のデスクに対応して設置されており、デスク上のタスクライト4や、当該デスク上でユーザ(従業員)が作業を行うPC5に給電を行う。
(【0011】以降は省略されています)
この特許をJ-PlatPat(特許庁公式サイト)で参照する
関連特許
株式会社内田洋行
中継装置及び給電システム
1日前
敷島金属工業株式会社
ダイヤル錠
1か月前
大建工業株式会社
吸音体及び音環境調整構造
1か月前
株式会社内田洋行
コンピュータプログラム、情報処理装置及び情報処理方法
1日前
個人
イヤーピース
22日前
個人
イヤーマフ
1か月前
個人
監視カメラシステム
1か月前
個人
スイッチシステム
1か月前
キーコム株式会社
光伝送線路
1か月前
個人
スキャン式車載用撮像装置
1か月前
サクサ株式会社
中継装置
1か月前
WHISMR合同会社
収音装置
2か月前
サクサ株式会社
中継装置
1か月前
キヤノン株式会社
撮像装置
1日前
アイホン株式会社
電気機器
2か月前
キヤノン株式会社
撮像装置
3か月前
株式会社リコー
画像形成装置
3か月前
個人
映像表示装置、及びARグラス
1か月前
サクサ株式会社
無線通信装置
1か月前
キヤノン電子株式会社
画像読取装置
2か月前
キヤノン電子株式会社
画像読取装置
1か月前
サクサ株式会社
無線通信装置
1か月前
ヤマハ株式会社
放音制御装置
1か月前
株式会社リコー
画像形成装置
2か月前
株式会社リコー
画像形成装置
1か月前
サクサ株式会社
無線システム
1か月前
株式会社リコー
画像形成装置
3か月前
キヤノン電子株式会社
画像読取装置
22日前
キヤノン電子株式会社
画像読取装置
1か月前
個人
ワイヤレスイヤホン対応耳掛け
2か月前
個人
発信機及び発信方法
1か月前
キヤノン株式会社
情報処理装置
9日前
キヤノン株式会社
撮像システム
2か月前
日本電気株式会社
海底分岐装置
1か月前
キヤノン電子株式会社
シート搬送装置
22日前
ブラザー工業株式会社
読取装置
3か月前
続きを見る
他の特許を見る