TOP
|
特許
|
意匠
|
商標
特許ウォッチ
Twitter
他の特許を見る
公開番号
2025171659
公報種別
公開特許公報(A)
公開日
2025-11-20
出願番号
2024077229
出願日
2024-05-10
発明の名称
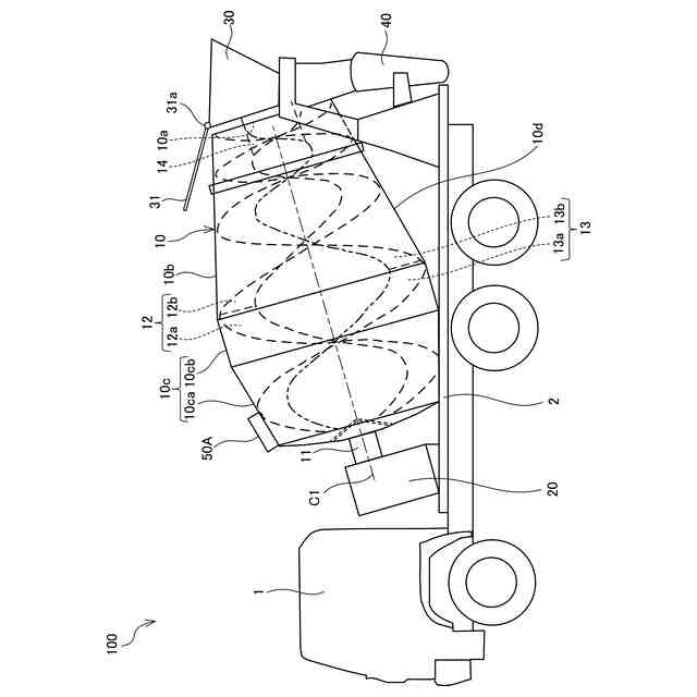
ミキサドラムの積載量測定装置
出願人
カヤバ株式会社
代理人
弁理士法人後藤特許事務所
主分類
B60P
5/00 20060101AFI20251113BHJP(車両一般)
要約
【課題】ミキサドラムの内容物の積載量を安価に測定する。
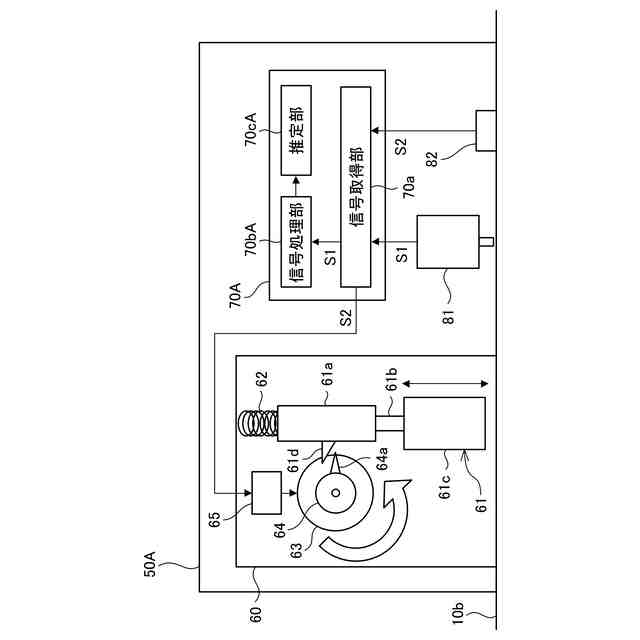
【解決手段】積載量測定装置50Aは、ミキサ車100のミキサドラム10の外周面10bに設けられ、ミキサドラム10に音を発生させる発生装置60と、発生装置60により発生したミキサドラム10の音を検出する音センサ81と、音センサ81からの信号S1に基づき、ミキサドラム10の生コンの積載量を推定する推定部70cAと、を備える。
【選択図】図2
特許請求の範囲
【請求項1】
ミキサ車のミキサドラムの外周部に設けられ、前記ミキサドラムに音又は振動を発生させる発生装置と、
前記発生装置により発生した前記ミキサドラムの音又は振動を検出する検出部と、
前記検出部からの検出信号に基づき、前記ミキサドラムの内容物の積載量を推定する推定部と、を備える、ことを特徴とするミキサドラムの積載量測定装置。
続きを表示(約 360 文字)
【請求項2】
請求項1に記載のミキサドラムの積載量測定装置であって、
前記検出信号に基づき、前記外周部の音又は振動のパラメータを検出する信号処理部をさらに備え、
前記発生装置は、前記ミキサドラムの一回転あたりに複数回、音又は振動を定期的に発生させ、
前記推定部は、前記パラメータが前記ミキサドラムの前記内容物がある部分とない部分とを区別するための基準値を跨いで変化した際の前記ミキサドラムの回転方向の角度位置に基づき、前記積載量を推定する、ことを特徴とするミキサドラムの積載量測定装置。
【請求項3】
請求項1に記載のミキサドラムの積載量測定装置であって、
前記発生装置は、前記ミキサドラムの前方部分に設けられる、ことを特徴とするミキサドラムの積載量測定装置。
発明の詳細な説明
【技術分野】
【0001】
本発明はミキサドラムの積載量測定装置に関する。
続きを表示(約 1,200 文字)
【背景技術】
【0002】
特許文献1には、ドラム測定器がロードセルを用いてドラム内の収容物の重量を測定することが開示されている。
【先行技術文献】
【特許文献】
【0003】
特開2007-196873号公報
【発明の概要】
【発明が解決しようとする課題】
【0004】
ミキサドラムの積載量の測定には、一般に台貫やロードセルによりミキサドラムごと重量を測定する装置が用いられるので、専用の測定場所や大きな荷重への対処が必要になり、コストが高くなってしまう。
【0005】
本発明はこのような課題に鑑みてなされたもので、ミキサドラムの内容物の積載量を安価に測定することを目的とする。
【課題を解決するための手段】
【0006】
本発明は、ミキサ車のミキサドラムの外周部に設けられ、ミキサドラムに音又は振動を発生させる発生装置と、発生装置により発生したミキサドラムの音又は振動を検出する検出部と、検出部からの検出信号に基づき、ミキサドラムの内容物の積載量を推定する推定部と、を備える、ことを特徴とするミキサドラムの積載量測定装置である。
【0007】
この発明によれば、ミキサドラムの外周部の音又は振動が、ミキサドラムの内容物がある部分(内容物が溜まっている部分)とない部分(内容物が溜まっていない部分)とで異なってくること等に着目して、ミキサドラムの外周部に音又は振動の発生装置を設置し、発生装置により発生したミキサドラムの音又は振動の検出信号に基づき、ミキサドラムの内容物の積載量を推定する。このため、専用の測定場所や大きな荷重への対処が不要で、ミキサドラムの内容物の積載量を安価に測定できる。
【0008】
また、本発明は、検出信号に基づき、外周部の音又は振動のパラメータを検出する信号処理部をさらに備え、発生装置は、ミキサドラムの一回転あたりに複数回、音又は振動を定期的に発生させ、推定部は、パラメータがミキサドラムの内容物がある部分とない部分とを区別するための基準値を跨いで変化した際のミキサドラムの回転方向の角度位置に基づき、積載量を推定する、ことを特徴とする。
【0009】
この発明によれば、音又は振動のパラメータがミキサドラムの内容物がある部分とない部分とを区別するための基準値を跨いで変化した際のミキサドラムの回転方向の角度位置に基づき、ミキサドラム内の内容物の高さからミキサドラムの内容物の積載量を推定するものなので、ミキサドラムをどの角度位置から一回転させても積載量を測定でき、測定がし易い。
【0010】
また、本発明は、発生装置は、ミキサドラムの前方部分に設けられる、ことを特徴とする。
(【0011】以降は省略されています)
この特許をJ-PlatPat(特許庁公式サイト)で参照する
関連特許
カヤバ株式会社
緩衝器
1か月前
カヤバ株式会社
減圧弁
1か月前
カヤバ株式会社
緩衝器
1か月前
カヤバ株式会社
ミキサ車
1か月前
カヤバ株式会社
防水構造
1か月前
カヤバ株式会社
ミキサ車
1か月前
カヤバ株式会社
ミキサ車
1か月前
カヤバ株式会社
電動ポンプ
14日前
カヤバ株式会社
摩擦試験機
1か月前
カヤバ株式会社
展開デッキ
1か月前
カヤバ株式会社
電動ポンプ
1か月前
カヤバ株式会社
ギヤポンプ
1か月前
カヤバ株式会社
ギヤポンプ
1か月前
カヤバ株式会社
ギヤポンプ
1か月前
カヤバ株式会社
高所作業装置
1か月前
カヤバ株式会社
シリンダ装置
15日前
カヤバ株式会社
苗木植付装置
1か月前
カヤバ株式会社
苗木植付装置
1か月前
カヤバ株式会社
苗木植付装置
1か月前
カヤバ株式会社
苗木植付装置
1か月前
カヤバ株式会社
苗木抜出装置
1か月前
カヤバ株式会社
苗木植付装置
1か月前
カヤバ株式会社
チェックバルブ
1か月前
カヤバ株式会社
流体圧制御装置
2か月前
カヤバ株式会社
回転機の製造方法
1か月前
カヤバ株式会社
筒型リニアモータ
1か月前
カヤバ株式会社
筒部材及び緩衝器
1か月前
カヤバ株式会社
筒部材及び緩衝器
1か月前
カヤバ株式会社
筒部材及び緩衝器
1か月前
カヤバ株式会社
ポンプの取付構造
1か月前
カヤバ株式会社
バルブおよび緩衝器
1か月前
カヤバ株式会社
バルブおよび緩衝器
1か月前
カヤバ株式会社
反力アクチュエータ
2か月前
カヤバ株式会社
アクチュエータユニット
2か月前
カヤバ株式会社
ブッシュ及び液圧回転機
1か月前
カヤバ株式会社
ステアバイワイヤユニット
1か月前
続きを見る
他の特許を見る