TOP
|
特許
|
意匠
|
商標
特許ウォッチ
Twitter
他の特許を見る
公開番号
2025171498
公報種別
公開特許公報(A)
公開日
2025-11-20
出願番号
2024076909
出願日
2024-05-10
発明の名称
歯車伝達機構および直動アクチュエータ
出願人
日本精工株式会社
代理人
個人
,
個人
主分類
F16H
25/24 20060101AFI20251113BHJP(機械要素または単位;機械または装置の効果的機能を生じ維持するための一般的手段)
要約
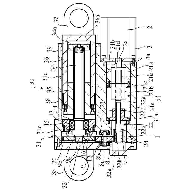
【課題】歯車の寿命を向上させる。
【解決手段】歯車伝達機構は、モータと、限定された角度範囲内をモータによって回転させられる回転シャフトと、回転シャフトに固定された第1の平歯車と、第1の平歯車に噛み合って、第1の平歯車の回転に伴って回転させられる第2の平歯車と、モータの回転を回転シャフトに伝達するとともに、回転シャフトを回転シャフトの軸線方向に移動可能にするスプラインとを備える。回転シャフトには、第1の送りねじが形成され、回転シャフトの回転に伴って第1の送りねじが回転シャフトを第1の平歯車とともに軸線方向に移動させる。
【選択図】図1
特許請求の範囲
【請求項1】
モータと、
限定された角度範囲内を前記モータによって回転させられる回転シャフトと、
前記回転シャフトに固定された第1の平歯車と、
前記第1の平歯車に噛み合って、前記第1の平歯車の回転に伴って回転させられる第2の平歯車と、
前記モータの回転を前記回転シャフトに伝達するとともに、前記回転シャフトを前記回転シャフトの軸線方向に移動可能にするスプラインとを備え、
前記回転シャフトには、第1の送りねじが形成され、前記回転シャフトの回転に伴って前記第1の送りねじが前記回転シャフトを前記第1の平歯車とともに前記軸線方向に移動させる
ことを特徴とする歯車伝達機構。
続きを表示(約 210 文字)
【請求項2】
前記第1の平歯車の前記軸線方向に沿った長さは、前記第2の平歯車の前記軸線方向に沿った長さよりも大きい
ことを特徴とする請求項1に記載の歯車伝達機構。
【請求項3】
請求項1または2に記載の歯車伝達機構と、
前記歯車伝達機構で回転させられる第2の送りねじと、
前記第2の送りねじの回転に伴って直進させられる直進部とを備える
ことを特徴とする直動アクチュエータ。
発明の詳細な説明
【技術分野】
【0001】
本発明は、歯車伝達機構および直動アクチュエータに関する。
続きを表示(約 1,400 文字)
【背景技術】
【0002】
特許文献1は、歯車伝達機構で回転させられる送りねじと、送りねじの回転に伴って直進させられる直進部を備える直動アクチュエータを開示する。
【先行技術文献】
【特許文献】
【0003】
特開2007-046637号公報
【発明の概要】
【発明が解決しようとする課題】
【0004】
歯車伝達機構の歯車には負荷がかかる。また、潤滑不足によって、歯車の歯面同士が金属接触すると摩耗が大きくなる。歯車の寿命は長いほど望ましい。歯車の歯面が摩耗すると、バックラッシュが増加し、位置精度が低下すると考えられる。
【0005】
そこで、本発明は、歯車の寿命を向上させることができる技術を提供する。
【課題を解決するための手段】
【0006】
本発明のある態様は歯車伝達機構を提供する。この歯車伝達機構は、モータと、限定された角度範囲内を前記モータによって回転させられる回転シャフトと、前記回転シャフトに固定された第1の平歯車と、前記第1の平歯車に噛み合って、前記第1の平歯車の回転に伴って回転させられる第2の平歯車と、前記モータの回転を前記回転シャフトに伝達するとともに、前記回転シャフトを前記回転シャフトの軸線方向に移動可能にするスプラインとを備える。前記回転シャフトには、第1の送りねじが形成され、前記回転シャフトの回転に伴って前記第1の送りねじが前記回転シャフトを前記第1の平歯車とともに前記軸線方向に移動させる。
【0007】
スプラインが、回転シャフトの軸線方向への移動を許容するとともに、モータの回転を回転シャフトに伝達して回転シャフトと第1の平歯車を回転させる。モータが回転シャフトを回転させて第1の平歯車を回転させる時、回転シャフトに形成された第1の送りねじが回転シャフトを第1の平歯車とともに自動的に軸線方向に移動させる。したがって、第1の平歯車が回転させられる時、第1の平歯車は軸線方向に沿って自動的に直進運動させられる。回転シャフトは限定された角度範囲内をモータによって回転させられるので、第1の平歯車が正転および逆転させられることに伴って、第1の平歯車は軸線方向に沿って往復する。したがって、歯車列の回転中、平歯車同士が噛み合い負荷がかかる接触領域が常に変化するので、いずれかの平歯車の寿命を向上させることができる。
【0008】
好ましくは、前記第1の平歯車の前記軸線方向に沿った長さは、前記第2の平歯車の前記軸線方向に沿った長さよりも大きい。この場合、歯車列の回転中、第2の平歯車に噛み合う第1の平歯車の接触領域が常に変化するので、大きな負荷がかかる第1の平歯車の寿命を向上させることができる。
【0009】
本発明の他の態様は直動アクチュエータを提供する。この直動アクチュエータは、前記歯車伝達機構と、前記歯車伝達機構で回転させられる第2の送りねじと、前記第2の送りねじの回転に伴って直進させられる直進部とを備える。
【発明の効果】
【0010】
本発明の態様においては、歯車の寿命を向上させることができる。
【図面の簡単な説明】
(【0011】以降は省略されています)
この特許をJ-PlatPat(特許庁公式サイト)で参照する
関連特許
他の特許を見る