TOP
|
特許
|
意匠
|
商標
特許ウォッチ
Twitter
他の特許を見る
公開番号
2025166986
公報種別
公開特許公報(A)
公開日
2025-11-07
出願番号
2024071212
出願日
2024-04-25
発明の名称
圧縮ばね部材及び吐出器
出願人
株式会社吉野工業所
代理人
個人
主分類
F16F
1/373 20060101AFI20251030BHJP(機械要素または単位;機械または装置の効果的機能を生じ維持するための一般的手段)
要約
【課題】長さ方向に均等に弾性変形させることが可能であって必要な弾性力を得ることができる圧縮ばね部材を提案する。
【解決手段】圧縮ばね部材1は、合成樹脂製であって中心軸線Oに沿う向きに弾性変形可能であって、円環部2、3の内周面2c、3c及び弾性部4、5の内周面4g、5gは、中心軸線Oに沿って圧縮ばね部材1の内側から外側に向かって拡径していて、円環部2、3の外周面2a、3a及び弾性部4、5の外周面4e、5eは、中心軸線Oに沿って圧縮ばね部材1の内側から外側に向かって拡径していて、円環部2、3の外周面2a、3a及び弾性部4、5の外周面4e、5eが中心軸線Oに対して傾く角度は、円環部2、3の内周面2c、3c及び弾性部4、5の内周面4g、5gが中心軸線Oに対して傾く角度と等しい。
【選択図】図1
特許請求の範囲
【請求項1】
合成樹脂製であって中心軸線に沿う向きに弾性変形可能な圧縮ばね部材であって、
前記中心軸線を周回する向きに延在し且つ前記中心軸線に沿う向きに互いに離間する複数の円環部と、
前記中心軸線に沿う向きに弾性変形可能であって隣り合う前記円環部同士を接続する弾性部と、を備え、
前記円環部の内周面及び前記弾性部の内周面は、前記中心軸線に沿って前記圧縮ばね部材の内側から外側に向かって拡径していて、
前記円環部の外周面及び前記弾性部の外周面は、前記中心軸線に沿って前記圧縮ばね部材の内側から外側に向かって拡径していて、
前記円環部の外周面及び前記弾性部の外周面が前記中心軸線に対して傾く角度は、前記円環部の内周面及び前記弾性部の内周面が前記中心軸線に対して傾く角度と等しい、圧縮ばね部材。
続きを表示(約 610 文字)
【請求項2】
前記円環部の内周面及び前記弾性部の内周面は、前記中心軸線に沿って前記圧縮ばね部材の長さ方向中央部から前記圧縮ばね部材の長さ方向一端部に向かって拡径し、且つ前記中心軸線に沿って前記圧縮ばね部材の長さ方向中央部から前記圧縮ばね部材の長さ方向他端部に向かって拡径していて、
前記円環部の外周面及び前記弾性部の外周面は、前記中心軸線に沿って前記圧縮ばね部材の長さ方向中央部から前記圧縮ばね部材の長さ方向一端部に向かって拡径し、且つ前記中心軸線に沿って前記圧縮ばね部材の長さ方向中央部から前記圧縮ばね部材の長さ方向他端部に向かって拡径している、請求項1に記載の圧縮ばね部材。
【請求項3】
前記弾性部は2個以上であって、
隣り合う前記弾性部の一方は、前記中心軸線が上下方向を指向する状態において側面視で左上がりに傾くように延在していて、
隣り合う前記弾性部の他方は、前記中心軸線が上下方向を指向する状態において側面視で右上がりに傾くように延在している、請求項1に記載の圧縮ばね部材。
【請求項4】
内容物を収容する容器に装着される吐出器であって、
請求項1~3の何れか一項に記載の圧縮ばね部材と、前記圧縮ばね部材を圧縮させる操作によって前記容器から内容物を吐出させる一方、圧縮させた前記圧縮ばね部材の弾性力によって復帰する操作部と、を有する吐出器。
発明の詳細な説明
【技術分野】
【0001】
本発明は、圧縮ばね部材及び吐出器に関する。
続きを表示(約 1,800 文字)
【背景技術】
【0002】
圧縮ばね部材として、従前より特許文献1の如きものが知られている。特許文献1に示された圧縮ばね部材は合成樹脂製であって、中心軸線に沿う向きに互いに離間する複数の円環部と、中心軸線に沿う向きに弾性変形可能であって隣接する円環部同士を接続する螺旋状の弾性部とを備えている。この圧縮ばね部材は、例えば内容物を吐出する吐出器における操作部を復帰させるものとして使用される。
【0003】
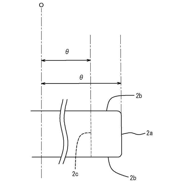
合成樹脂製の物品は、量産性を考慮して、金型で成型されることが一般的である。特許文献1の如き圧縮ばね部材を金型で成型する場合、通常、圧縮ばね部材の外側面(詳細には、円環部と弾性部の外周面及び側面)は、成型した圧縮ばね部材の径方向外側に向かって互いに逆向きに移動する二つ割りの外側金型で形成され、圧縮ばね部材の内側面(詳細には、円環部と弾性部の内周面)は、成型した圧縮ばね部材の中心軸線に沿って移動する内側金型で形成される。
【先行技術文献】
【特許文献】
【0004】
特開平10-73138号公報
【発明の概要】
【発明が解決しようとする課題】
【0005】
金型を用いる場合、成型後の物品を金型からスムーズに離型させるため、物品における金型が移動する方向に対して略平行になる部分には、物品から金型が移動していく方向に対して拡径するように傾いた抜き勾配が設けられる。特許文献1の如き圧縮ばね部材において、外側面は、横断面形状が半円状であるため外側金型の離型性に特段問題はないが、内側面は、内側金型が移動する方向に対して略平行であるため抜き勾配が設けられる。
【0006】
ところでこのようにして形成した圧縮ばね部材は、想定した弾性力が得られないことがあった。この点につき本願発明者が検討を重ねたところ、圧縮ばね部材は長さ方向において均等に弾性変形しておらず、特に圧縮ばね部材の端部に近いところが弾性変形しやすいことが認められた。
【0007】
このような点に鑑み、本発明は、長さ方向に均等に弾性変形させることが可能であって必要な弾性力を得ることができる圧縮ばね部材、及びこの圧縮ばね部材を用いた吐出器を提案することを目的とする。
【課題を解決するための手段】
【0008】
本発明の圧縮ばね部材は、合成樹脂製であって中心軸線に沿う向きに弾性変形可能であり、中心軸線を周回する向きに延在し且つ中心軸線に沿う向きに互いに離間する複数の円環部と、中心軸線に沿う向きに弾性変形可能であって隣り合う円環部同士を接続する弾性部と、を備え、円環部の内周面及び弾性部の内周面は、中心軸線に沿って圧縮ばね部材の内側から外側に向かって拡径していて、円環部の外周面及び弾性部の外周面は、中心軸線に沿って圧縮ばね部材の内側から外側に向かって拡径していて、円環部の外周面及び弾性部の外周面が中心軸線に対して傾く角度は、円環部の内周面及び弾性部の内周面が中心軸線に対して傾く角度と等しい。
【発明の効果】
【0009】
従来の圧縮ばね部材に関し、長さ方向において均等に弾性変形せず、特に圧縮ばね部材の端部に近いところが弾性変形しやすくなっている点について本願発明者が検討を重ねたところ、金型で成型する際の抜き勾配が影響を及ぼしていることが認められた。すなわち、従来の圧縮ばね部材において、外周面は中心軸線に対して略平行である一方、内周面は抜き勾配が設けられているため、圧縮ばね部材における長さ方向の端部に近いところでは、径方向の厚みが薄くなり、これにより弾性力の低下を招いていることが認められた。
【0010】
これに対して本発明の圧縮ばね部材は、上記のように円環部の外周面及び弾性部の外周面は中心軸線に沿って圧縮ばね部材の内側から外側に向かって拡径していて、円環部の外周面及び弾性部の外周面が中心軸線に対して傾く角度は、円環部の内周面及び弾性部の内周面が中心軸線に対して傾く角度と等しくなっている。すなわち、円環部と弾性部の径方向の厚みは、圧縮ばね部材における長さ方向で略同一になる。このため、圧縮ばね部材を長さ方向において均等に弾性変形させることが可能であって必要な弾性力を得ることができる。
【図面の簡単な説明】
(【0011】以降は省略されています)
この特許をJ-PlatPat(特許庁公式サイト)で参照する
関連特許
個人
留め具
1か月前
個人
鍋虫ねじ
3か月前
個人
回転伝達機構
4か月前
個人
紛体用仕切弁
3か月前
個人
差動歯車用歯形
5か月前
個人
ジョイント
2か月前
個人
給排気装置
2か月前
個人
ナット
1か月前
個人
地震の揺れ回避装置
4か月前
株式会社不二工機
電磁弁
6か月前
株式会社不二工機
電磁弁
5か月前
個人
ナット
2か月前
個人
ゲート弁バルブ
17日前
個人
吐出量監視装置
3か月前
カヤバ株式会社
緩衝器
5か月前
柿沼金属精機株式会社
分岐管
3か月前
カヤバ株式会社
緩衝器
5か月前
カヤバ株式会社
ダンパ
5か月前
カヤバ株式会社
緩衝器
2か月前
兼工業株式会社
バルブ
1か月前
カヤバ株式会社
ダンパ
5か月前
株式会社ノーリツ
分配弁
7か月前
アズビル株式会社
回転弁
2か月前
個人
固着具と固着具の固定方法
6か月前
株式会社フジキン
ボールバルブ
6か月前
個人
固着具と固着具の固定方法
6か月前
株式会社奥村組
制振機構
2か月前
株式会社ノーリツ
分配弁
7か月前
株式会社三五
ドライブシャフト
1か月前
株式会社不二工機
電動弁
2か月前
株式会社不二工機
電磁弁
3か月前
株式会社ノーリツ
分配弁
2か月前
株式会社ニフコ
クリップ
2か月前
株式会社ノーリツ
分配弁
7か月前
株式会社奥村組
制振機構
2か月前
個人
固着具と固着具の固定方法
6か月前
続きを見る
他の特許を見る