TOP
|
特許
|
意匠
|
商標
特許ウォッチ
Twitter
他の特許を見る
公開番号
2025165712
公報種別
公開特許公報(A)
公開日
2025-11-05
出願番号
2024069969
出願日
2024-04-23
発明の名称
蒸留物製造プラント及び蒸留物の製造方法
出願人
竹鶴油業株式会社
代理人
個人
,
個人
主分類
C12H
6/02 20190101AFI20251028BHJP(生化学;ビール;酒精;ぶどう酒;酢;微生物学;酵素学;突然変異または遺伝子工学)
要約
【課題】効率的に蒸留物を製造することができるようにする。
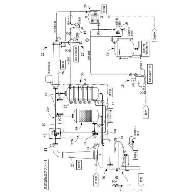
【解決手段】蒸留物製造プラント1は、発酵液を加熱して蒸気を排出するように構成された蒸留釜20と、蒸留釜20から排出された蒸気が流入し、流入した蒸気を凝縮及び冷却する下流プロセス部25と、蒸留釜20と下流プロセス部25との間に設けられている還流部30と、蒸留釜20から排出される蒸気を還流部30を経由して下流プロセス部25に流入させる第一経路と蒸留釜20から排出される蒸気を還流部30を経由せずに下流プロセス部25に流入させる第二経路とを切り替える経路切替部22とを備え、還流部30は、下方から流入する蒸気を、アルコール濃度を高めて上部から排出するように構成された還流棚34を有する。蒸留物製造プラント1により、効率的に蒸留物を製造することができる。
【選択図】図1
特許請求の範囲
【請求項1】
発酵液を加熱して蒸気を排出するように構成された蒸留釜と、
前記蒸留釜から排出された蒸気が流入し、流入した蒸気を凝縮及び冷却する下流プロセス部と、
前記蒸留釜と前記下流プロセス部との間に設けられている還流部と、
前記蒸留釜から排出される蒸気を前記還流部を経由して前記下流プロセス部に流入させる第一経路と前記蒸留釜から排出される蒸気を前記還流部を経由せずに前記下流プロセス部に流入させる第二経路とを切り替える経路切替部とを備え、
前記還流部は、下方から流入する蒸気を、アルコール濃度を高めて上部から排出するように構成された還流棚を有する、蒸留物製造プラント。
続きを表示(約 690 文字)
【請求項2】
前記還流部は、前記還流棚において溜まった液体を前記蒸留釜に還流させる還流経路を備える、請求項1に記載の蒸留物製造プラント。
【請求項3】
前記還流部は、蒸気が通過する方向に沿って直列に並ぶように2以上の前記還流棚を有する、請求項1に記載の蒸留物製造プラント。
【請求項4】
前記還流部は、前記経路切替部を経由した蒸気が流入するボタニカルポットを備え、
前記ボタニカルポットから排出される蒸気を含む蒸気を前記下流プロセス部に流入させるように構成されている請求項1に記載の蒸留物製造プラント。
【請求項5】
前記ボタニカルポットは、前記還流部で蒸気が通過する経路において前記還流棚と並列に設けられている、請求項4に記載の蒸留物製造プラント。
【請求項6】
蒸留釜と、
前記蒸留釜から排出された蒸気が流入し、流入した蒸気を凝縮及び冷却する下流プロセス部と、
前記蒸留釜と前記下流プロセス部との間に設けられており、流入する蒸気を、アルコール濃度を高めて上部から排出するように構成された還流棚を有する還流部とを備える蒸留物製造プラントを用いて行う蒸留物の製造方法であって、
前記蒸留釜で発酵液を加熱して蒸気を排出させる加熱ステップと、
前記蒸留釜から排出される蒸気を前記還流部を経由して前記下流プロセス部に流入させる第一経路と前記蒸留釜から排出される蒸気を前記還流部を経由せずに前記下流プロセス部に流入させる第二経路とを切り替える切替ステップとを含む、蒸留物の製造方法。
発明の詳細な説明
【技術分野】
【0001】
この発明は、蒸留物製造プラント及び蒸留物の製造方法に関し、特に、蒸留釜を用いたエタノール等のアルコールを含有する蒸留物製造プラント及び蒸留物の製造方法に関する。
続きを表示(約 1,100 文字)
【背景技術】
【0002】
エタノール等のアルコールを含有する蒸留物には、蒸留酒や、燃料用、工業用のアルコール等がある。このような蒸留物の製造プロセスにおいては、蒸留釜を用いて原料の発酵液を加熱し、蒸気を冷却して凝縮することを繰り返すことにより精製が行われる。
【0003】
なお、下記特許文献1には、多層蒸留部を有する焼酎バイオマス燃料プラントにおいて、冷却器から流出させた蒸留液をエタノール分と水分を分離する油水分離器を通過させて得られたエタノール分を多層蒸留部に送液して再蒸留する蒸留還流ラインを設けた構造が開示されている。
【先行技術文献】
【特許文献】
【0004】
特開2019-62802号公報
【発明の概要】
【発明が解決しようとする課題】
【0005】
アルコールを含有する蒸留物の製造プロセスでは、大量のエネルギを消費してアルコールを抽出し、精製することが行われている。このプロセスのエネルギ効率を改善し、効率的に蒸留物を製造することができるようにすることは、環境への影響を減らし、製造コストを削減する上で重要である。
【0006】
この発明は、効率的に飲料用、工業用、又は燃料用のアルコールを含有する蒸留物を製造することができる蒸留物製造プラント及び蒸留物の製造方法を提供することを目的としている。
【課題を解決するための手段】
【0007】
本第一の発明の蒸留物製造プラントは、発酵液を加熱して蒸気を排出するように構成された蒸留釜と、蒸留釜から排出された蒸気が流入し、流入した蒸気を凝縮及び冷却する下流プロセス部と、蒸留釜と下流プロセス部との間に設けられている還流部と、蒸留釜から排出される蒸気を還流部を経由して下流プロセス部に流入させる第一経路と蒸留釜から排出される蒸気を還流部を経由せずに下流プロセス部に流入させる第二経路とを切り替える経路切替部とを備え、還流部は、下方から流入する蒸気を、アルコール濃度を高めて上部から排出するように構成された還流棚を有する、蒸留物製造プラントである。
【0008】
かかる構成により、必要な量の蒸気が還流部を経由するようにして効率的に蒸留物を製造することができる。
【0009】
また、本第二の発明の蒸留物製造プラントは、第一の発明に対して、還流棚において溜まった液体を蒸留釜に還流させる還流経路を備える、蒸留物製造プラントである。
【0010】
かかる構成により、還流棚においてに生じた液体を蒸留釜に還流させて、さらに効率的に蒸留物を製造することができる。
(【0011】以降は省略されています)
この特許をJ-PlatPat(特許庁公式サイト)で参照する
関連特許
個人
抗遺伝子劣化装置
3か月前
個人
細胞内探査とその利用
3か月前
雪国アグリ株式会社
単糖類の製造方法
2か月前
三洋化成工業株式会社
細胞培養用担体
11日前
株式会社東洋新薬
経口組成物
3か月前
テルモ株式会社
吐出デバイス
3か月前
テルモ株式会社
容器蓋デバイス
3か月前
島根県
油吸着材とその製造方法
2か月前
東ソー株式会社
pH応答性マイクロキャリア
3か月前
宝酒造株式会社
アルコール飲料
2か月前
大陽日酸株式会社
培養装置
3か月前
大陽日酸株式会社
培養装置
3か月前
トヨタ自動車株式会社
バイオ燃料製造方法
2か月前
個人
有機フッ素化合物を分解する廃液処理法
1か月前
月桂冠株式会社
低プリン体清酒
1か月前
株式会社豊田中央研究所
細胞励起装置
2か月前
株式会社シャローム
スフィンゴミエリン製造方法
3か月前
テルモ株式会社
採取組織細切補助デバイス
3か月前
株式会社カクサスバイオ
新規免疫抑制方法
27日前
株式会社今宮
瓶詰ビールの加熱殺菌方法および装置
3か月前
横河電機株式会社
藻類培養装置
2か月前
株式会社村田製作所
濾過装置および濾過方法
2か月前
新東工業株式会社
培養システム
2か月前
東ソー株式会社
免疫グロブリン結合性タンパク質の製造方法
1か月前
株式会社ショウワ
キトサンオリゴマー分画方法
2か月前
住友金属鉱山株式会社
連続発酵方法及び連続発酵装置
3か月前
東ソー株式会社
免疫学的測定法
1か月前
公立大学法人北九州市立大学
微生物の検知方法
3か月前
個人
酒粕パウダーの製造方法
19日前
フジッコ株式会社
エリナシンAの産生方法
2か月前
株式会社日本触媒
スフェロイドの輸送方法
2か月前
NTN株式会社
細胞配置の制御方法
2か月前
住友ベークライト株式会社
培養キット
3か月前
積水化学工業株式会社
遺伝子導入方法
2か月前
株式会社カネカ
予測方法及び製造方法
2か月前
酒ハックプロジェクト株式会社
カクテルスモーカー
6日前
続きを見る
他の特許を見る