TOP
|
特許
|
意匠
|
商標
特許ウォッチ
Twitter
他の特許を見る
公開番号
2025165678
公報種別
公開特許公報(A)
公開日
2025-11-05
出願番号
2024069902
出願日
2024-04-23
発明の名称
電力システム
出願人
トヨタ自動車株式会社
代理人
弁理士法人アイテック国際特許事務所
主分類
H02M
7/48 20070101AFI20251028BHJP(電力の発電,変換,配電)
要約
【課題】コンデンサに流れる電流を検出する電流センサを設けることなく、コンデンサの静電容量抜けを検出可能とする。
【解決手段】電力システムは、直流電力を三相交流電力に変換して三相負荷に供給するインバータと、インバータの直流側に接続されたコンデンサと、三相負荷の相電流に基づくd軸電流と、三相負荷の相電圧実効値指令およびコンデンサの定格静電容量に基づくd軸電流指令と、の電流フィードバック制御により得られるd軸電圧指令と、q軸電圧指令と、に基づいてインバータを制御する制御装置とを備える。制御装置は、電流フィードバック制御をオフとしているときの、d軸電流指令と前d軸電流との差分に関連する差分関連値が閾値よりも大きいときに、コンデンサの静電容量抜けを判定する。
【選択図】図3
特許請求の範囲
【請求項1】
直流電力を三相交流電力に変換して三相負荷に供給するインバータと、
前記インバータの直流側に接続されたコンデンサと、
前記三相負荷の相電流に基づくd軸電流と、前記三相負荷の相電圧実効値指令および前記コンデンサの定格静電容量に基づくd軸電流指令と、の電流フィードバック制御により得られるd軸電圧指令と、q軸電圧指令と、に基づいて前記インバータを制御する制御装置と、
を備える電力システムであって、
前記制御装置は、前記電流フィードバック制御をオフとしているときの、前記d軸電流指令と前d軸電流との差分に関連する差分関連値が閾値よりも大きいときに、前記コンデンサの静電容量抜けを判定する、
電力システム。
発明の詳細な説明
【技術分野】
【0001】
本開示は、電力システムに関する。
続きを表示(約 1,600 文字)
【背景技術】
【0002】
従来、電解コンデンサに流れる電流と電解コンデンサに印加される端子電圧とから電解コンデンサの静電容量を演算し、演算した電解コンデンサの静電容量が規定値よりも小さくなった時点で、電解コンデンサの寿命と判断する技術が提案されている(例えば、特許文献1参照)。
【先行技術文献】
【特許文献】
【0003】
特開2018-157636号公報
【発明の概要】
【発明が解決しようとする課題】
【0004】
電解コンデンサに流れる電流を検出する電流センサを設けない場合、上述の技術では、電解コンデンサの静電容量抜けの有無を判断することができない。このため、こうした電流センサを設けることなく、コンデンサの静電容量抜けを検出する手法の考案が求められている。
【0005】
本開示の電力システムは、コンデンサに流れる電流を検出する電流センサを設けることなく、コンデンサの静電容量抜けを検出可能とすることを主目的とする。
【課題を解決するための手段】
【0006】
本開示の電力システムは、上述の主目的を達成するために以下の手段を採った。
【0007】
本開示の電力システムは、
直流電力を三相交流電力に変換して三相負荷に供給するインバータと、
前記インバータの直流側に接続されたコンデンサと、
前記三相負荷の相電流に基づくd軸電流と、前記三相負荷の相電圧実効値指令および前記コンデンサの定格静電容量に基づくd軸電流指令と、の電流フィードバック制御により得られるd軸電圧指令と、q軸電圧指令と、に基づいて前記インバータを制御する制御装置と、
を備える電力システムであって、
前記制御装置は、前記電流フィードバック制御をオフとしているときの、前記d軸電流指令と前d軸電流との差分に関連する差分関連値が閾値よりも大きいときに、前記コンデンサの静電容量抜けを判定する、
ことを要旨とする。
【0008】
本開示の電力システムでは、三相負荷の相電流に基づくd軸電流と、三相負荷の相電圧実効値指令およびコンデンサの定格静電容量に基づくd軸電流指令と、の電流フィードバック制御により得られるd軸電圧指令と、q軸電圧指令と、に基づいてインバータを制御する。この場合に、電流フィードバック制御をオフとしているときの、d軸電流指令とd軸電流との差分に関連する差分関連値が閾値よりも大きいときに、コンデンサの静電容量抜けを判定する。これにより、コンデンサに流れる電流を検出する電流センサを設けることなく、コンデンサの静電容量抜けを検出することができる。
【図面の簡単な説明】
【0009】
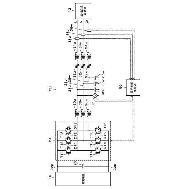
本開示の実施形態の電力システム20の概略構成図である。
電子制御ユニット50により実行されるスイッチング指令演算ルーチンの一例を示すフローチャートである。
電子制御ユニット50により実行される判定ルーチンの一例を示す説明図である。
【発明を実施するための形態】
【0010】
本開示を実施するための形態(実施形態)について図面を参照しながら説明する。図1は、本開示の実施形態の電力システム20の概略構成図である。図示するように、実施形態の電力システム20は、電圧源としての蓄電装置10からの直流電力を三相交流電力に変換して三相負荷としての三相交流電動機12に供給する装置として構成されており、インバータ24と、コンデンサ26と、電子制御ユニット50とを備える。蓄電装置10は、AC/DCコンバータなどを介して電力系統と連携されたり、電力系統との連携が解除されたりする。三相交流電動機12は、回転子および固定子を有し、三相交流により駆動される。
(【0011】以降は省略されています)
この特許をJ-PlatPat(特許庁公式サイト)で参照する
関連特許
トヨタ自動車株式会社
車両
18日前
トヨタ自動車株式会社
配管
19日前
トヨタ自動車株式会社
電池
18日前
トヨタ自動車株式会社
電池
24日前
トヨタ自動車株式会社
方法
3日前
トヨタ自動車株式会社
車両
19日前
トヨタ自動車株式会社
車両
4日前
トヨタ自動車株式会社
電池
10日前
トヨタ自動車株式会社
電池
10日前
トヨタ自動車株式会社
タンク
3日前
トヨタ自動車株式会社
電動車
18日前
トヨタ自動車株式会社
電動車
19日前
トヨタ自動車株式会社
ロータ
19日前
トヨタ自動車株式会社
蓄電装置
10日前
トヨタ自動車株式会社
製造設備
24日前
トヨタ自動車株式会社
蓄電装置
10日前
トヨタ自動車株式会社
蓄電装置
10日前
トヨタ自動車株式会社
蓄電装置
10日前
トヨタ自動車株式会社
処理装置
10日前
トヨタ自動車株式会社
制御装置
10日前
トヨタ自動車株式会社
蓄電装置
10日前
トヨタ自動車株式会社
蓄電装置
10日前
トヨタ自動車株式会社
蓄電装置
10日前
トヨタ自動車株式会社
塗工装置
10日前
トヨタ自動車株式会社
制御装置
19日前
トヨタ自動車株式会社
車両装置
10日前
トヨタ自動車株式会社
蓄電装置
10日前
トヨタ自動車株式会社
制御装置
19日前
トヨタ自動車株式会社
蓄電装置
10日前
トヨタ自動車株式会社
蓄電装置
10日前
トヨタ自動車株式会社
エンジン
10日前
トヨタ自動車株式会社
蓄電装置
10日前
トヨタ自動車株式会社
蓄電装置
10日前
トヨタ自動車株式会社
蓄電装置
10日前
トヨタ自動車株式会社
制御装置
3日前
トヨタ自動車株式会社
蓄電装置
10日前
続きを見る
他の特許を見る