TOP
|
特許
|
意匠
|
商標
特許ウォッチ
Twitter
他の特許を見る
公開番号
2025165009
公報種別
公開特許公報(A)
公開日
2025-11-04
出願番号
2024068838
出願日
2024-04-22
発明の名称
水電解システム、水電解方法、および、コンピュータプログラム
出願人
株式会社豊田中央研究所
代理人
個人
,
個人
主分類
C25B
15/023 20210101AFI20251027BHJP(電気分解または電気泳動方法;そのための装置)
要約
【課題】 水電解システムにおいて、目標露点となっている水素を短時間で製造する技術を提供する。
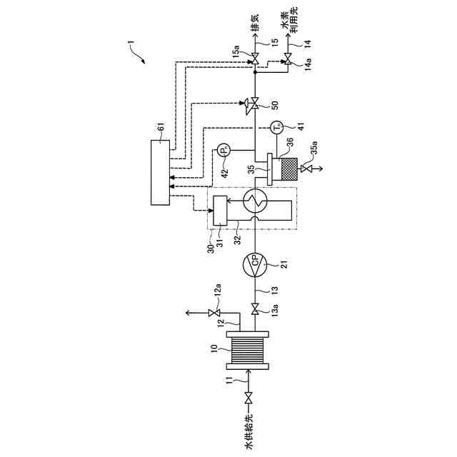
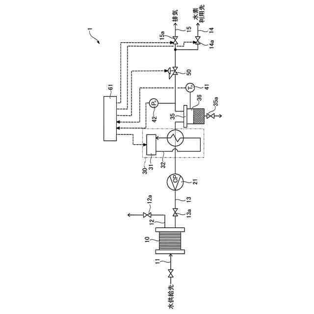
【解決手段】 水電解システムは、水の電気分解によって水素を生成する水電解装置と、水電解装置に接続され、水電解装置によって生成された水素と水とを含むガスが流れる流路と、流路に接続され、水電解装置から供給されるガスを収容する収容部と、収容部に供給されるガスを冷却する冷却部と、収容部の内部の温度を検出する温度検出部と、収容部の内部の圧力を変更する圧力変更部と、収容部の内部の露点が目標露点となるための収容部の内部の温度と圧力との関係を示す情報と、温度検出部によって検出された温度と、を用いて目標圧力を推定し、収容部の内部の圧力が目標圧力になるように、圧力変更部を制御する制御部と、を備える。
【選択図】 図1
特許請求の範囲
【請求項1】
水電解システムであって、
水の電気分解によって水素を生成する水電解装置と、
前記水電解装置に接続され、前記水電解装置によって生成された水素と水とを含むガスが流れる流路と、
前記流路に接続され、前記水電解装置から供給される前記ガスを収容する収容部と、
前記収容部に供給される前記ガスを冷却する冷却部と、
前記収容部の内部の温度を検出する温度検出部と、
前記収容部の内部の圧力を変更する圧力変更部と、
前記収容部の内部の露点が目標露点となるための前記収容部の内部の温度と圧力との関係を示す情報と、前記温度検出部によって検出された温度と、を用いて目標圧力を推定し、前記収容部の内部の圧力が前記目標圧力になるように、前記圧力変更部を制御する制御部と、を備える、
水電解システム。
続きを表示(約 1,800 文字)
【請求項2】
請求項1に記載の水電解システムであって、
前記制御部は、
前記情報を用いて、前記収容部の内部の温度が予め設定されている標準温度になるときに前記収容部の内部の露点が前記目標露点となるための前記収容部の内部の圧力である標準圧力を推定し、
前記温度検出部によって検出される温度が前記標準温度よりも高い場合、前記収容部の内部の圧力が、前記標準圧力よりも大きく、かつ、予め設定されている上限圧力以下の前記目標圧力になるように、前記圧力変更部を制御し、
前記温度検出部によって検出される温度が前記標準温度よりも低い場合、前記収容部の内部の圧力が、前記標準圧力よりも小さい前記目標圧力になるように、前記圧力変更部を制御する、
水電解システム。
【請求項3】
請求項1または請求項2に記載の水電解システムは、さらに、
前記収容部の内部の圧力を検出する圧力検出部と、
前記流路に接続され、前記収容部の内部の前記ガスを水素利用先に供給する供給流路と、
前記供給流路に接続され、前記供給流路における前記ガスの流量を調整する流量調整弁と、を備え、
前記制御部は、
前記収容部の内部の温度と圧力と露点との相関を示すマップと、前記温度検出部によって検出される温度と、前記圧力検出部によって検出される圧力と、を用いて、前記収容部の内部の露点を推定し、
推定した前記収容部の内部の露点を用いて、前記流量調整弁を制御する、
水電解システム。
【請求項4】
請求項1に記載の水電解システムであって、
前記圧力変更部は、
前記流路に接続され、前記収容部に供給される前記ガスを加圧可能なコンプレッサと、
前記流路に接続され、前記収容部の内部の圧力を前記目標圧力に保持可能な背圧弁と、を有し、
前記制御部は、前記コンプレッサと前記背圧弁とを制御する、
水電解システム。
【請求項5】
請求項4に記載の水電解システムは、さらに、
前記収容部の内部の露点を検出する露点検出部を備え、
前記制御部は、
前記情報を用いて、前記収容部の内部の温度が予め設定されている標準温度になるときに前記収容部の内部の露点が前記目標露点となるための前記収容部の内部の圧力である標準圧力を推定し、
前記露点検出部が検出する露点が前記目標露点より小さい場合、前記収容部の内部の圧力が、前記目標圧力として予め設定されている上限圧力になるように、前記圧力変更部を制御し、
前記露点検出部が検出する露点が前記目標露点と同じである場合、前記収容部の内部の圧力が、前記目標圧力として前記標準圧力になるように、前記圧力変更部を制御する、
水電解システム。
【請求項6】
水電解システムを用いる水電解方法であって、
水の電気分解によって水素を生成する水電解工程と、
収容部に供給される、前記水電解工程において生成された水素と水とを含むガスを冷却する冷却工程と、
前記収容部の内部の温度を検出する温度検出工程と、
前記収容部の内部の露点が目標露点となるための前記収容部の内部の温度と圧力との関係を示す情報と、前記温度検出工程において検出された温度と、を用いて目標圧力を推定し、前記収容部の内部の圧力が前記目標圧力になるように、前記収容部の内部の圧力を変更する圧力変更工程と、を備える、
水電解方法。
【請求項7】
水電解システムによる水素の生成をコンピュータに実行させるコンピュータプログラムであって、
水の電気分解によって水素を生成する水電解機能と、
収容部に供給される、前記水電解機能によって生成された水素と水とを含むガスを冷却する冷却機能と、
前記収容部の内部の温度を検出する温度検出機能と、
前記収容部の内部の露点が目標露点となるための前記収容部の内部の温度と圧力との関係を示す情報と、前記温度検出機能によって検出された温度と、を用いて目標圧力を推定し、前記収容部の内部の圧力が前記目標圧力になるように、前記収容部の内部の圧力を変更する圧力変更機能と、を前記コンピュータに実行させる、
コンピュータプログラム。
発明の詳細な説明
【技術分野】
【0001】
本発明は、水電解システム、水電解方法、および、コンピュータプログラムに関する。
続きを表示(約 2,000 文字)
【背景技術】
【0002】
従来から、水の電気分解によって生成される水素を供給する水電解システムが知られている(例えば、特許文献1,2)。
【先行技術文献】
【特許文献】
【0003】
特開2014-40637号公報
特開2020-176309号公報
【発明の概要】
【発明が解決しようとする課題】
【0004】
しかしながら、特許文献1のような先行技術によっても、水電解システムにおいて、目標露点となっている水素を短時間で製造する技術については、なお、改善の余地があった。
【0005】
本発明は、上述した課題を解決するためになされたものであり、水電解システムにおいて、目標露点となっている水素を短時間で製造する技術を提供することを目的とする。
【課題を解決するための手段】
【0006】
本発明は、上述の課題の少なくとも一部を解決するためになされたものであり、以下の形態として実現することが可能である。
【0007】
(1)本発明の一形態によれば、水電解システムが提供される。この水電解システムは、水の電気分解によって水素を生成する水電解装置と、前記水電解装置に接続され、前記水電解装置によって生成された水素と水とを含むガスが流れる流路と、前記流路に接続され、前記水電解装置から供給される前記ガスを収容する収容部と、前記収容部に供給される前記ガスを冷却する冷却部と、前記収容部の内部の温度を検出する温度検出部と、前記収容部の内部の圧力を変更する圧力変更部と、前記収容部の内部の露点が目標露点となるための前記収容部の内部の温度と圧力との関係を示す情報と、前記温度検出部によって検出された温度と、を用いて目標圧力を推定し、前記収容部の内部の圧力が前記目標圧力になるように、前記圧力変更部を制御する制御部と、を備える。
【0008】
この構成によれば、制御部は、水素と水とを含むガスが収容される収容部の内部の露点が目標露点となるための収容部の内部の温度と圧力との関係を示す情報と、温度検出部によって検出された収容部の内部の温度とを用いて、収容部の内部の露点が目標露点となるための目標圧力を推定する。制御部は、収容部の内部の圧力が目標圧力になるように、圧力変更部を制御する。これにより、目標露点となっている水素を比較的短時間で製造することができる。
【0009】
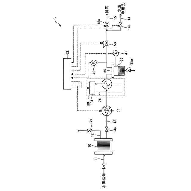
(2)上記形態の水電解システムにおいて、前記制御部は、前記情報を用いて、前記収容部の内部の温度が予め設定されている標準温度になるときに前記収容部の内部の露点が前記目標露点となるための前記収容部の内部の圧力である標準圧力を推定し、前記温度検出部によって検出される温度が前記標準温度よりも高い場合、前記収容部の内部の圧力が、前記標準圧力よりも大きく、かつ、予め設定されている上限圧力以下の前記目標圧力になるように、前記圧力変更部を制御し、前記温度検出部によって検出される温度が前記標準温度よりも低い場合、前記収容部の内部の圧力が、前記標準圧力よりも小さい前記目標圧力になるように、前記圧力変更部を制御してもよい。この構成によれば、制御部は、収容部の内部の露点が目標露点となるための収容部の内部の温度と圧力との関係を示す情報を用いて、収容部の内部の温度が予め設定されている標準温度になるときに収容部の内部の露点が目標露点となるための収容部の内部の圧力である標準圧力を推定する。制御部は、温度検出部によって検出される温度と標準温度との大小関係に応じて、収容部の内部の圧力を標準圧力に対して調整する。これにより、収容部の内部の温度が標準温度となっていない場合でも、目標露点となっている水素を製造することができる。したがって、目標露点となっている水素をさらに短時間で製造することができる。
【0010】
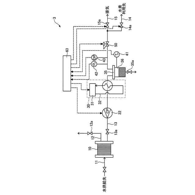
(3)上記形態の水電解システムは、さらに、前記収容部の内部の圧力を検出する圧力検出部と、前記流路に接続され、前記収容部の内部の前記ガスを水素利用先に供給する供給流路と、前記供給流路に接続され、前記供給流路における前記ガスの流量を調整する流量調整弁と、を備え、前記制御部は、前記収容部の内部の温度と圧力と露点との相関を示すマップと、前記温度検出部によって検出される温度と、前記圧力検出部によって検出される圧力と、を用いて、前記収容部の内部の露点を推定し、推定した前記収容部の内部の露点を用いて、前記流量調整弁を制御してもよい。この構成によれば、制御部は、圧力検出部が検出する圧力と温度検出部が検出する温度を用いて、収容部の内部の露点を推定する。制御部は、推定した露点に応じて、収容部の内部のガスを水素利用先に供給する。これにより、比較的高精度に目標露点となっている水素を水素利用先に供給することができる。
(【0011】以降は省略されています)
特許ウォッチbot のツイートを見る
この特許をJ-PlatPat(特許庁公式サイト)で参照する
関連特許
株式会社豊田中央研究所
回転電機
3日前
株式会社豊田中央研究所
蓄電デバイス
3日前
株式会社豊田中央研究所
遊星歯車装置
3日前
株式会社豊田中央研究所
曲げ試験装置
5日前
株式会社豊田中央研究所
熱処理システム
4日前
株式会社豊田中央研究所
信号機制御装置
10日前
株式会社豊田中央研究所
二酸化炭素回収システム
12日前
株式会社豊田中央研究所
複合材の製造方法と成形型
10日前
株式会社豊田中央研究所
不活性化方法及び不活性化装置
3日前
株式会社豊田自動織機
排気浄化装置
4日前
株式会社豊田中央研究所
分離方法、分離装置及び電極の製造方法
3日前
株式会社豊田中央研究所
情報処理システム、情報処理方法及びプログラム
10日前
株式会社豊田中央研究所
情報処理システム、情報処理方法およびプログラム
10日前
株式会社豊田中央研究所
シミュレータシステム、及び、シミュレーション方法
3日前
株式会社豊田中央研究所
二酸化炭素吸蔵還元型触媒および二酸化炭素吸蔵還元型触媒の調製方法
3日前
株式会社堤水素研究所
水電解装置
1か月前
株式会社神戸製鋼所
接点材料
1か月前
株式会社カネカ
可撓性ガス拡散電極
2か月前
株式会社ケミカル山本
電解研磨装置用電極
1か月前
本田技研工業株式会社
水電解スタック
2か月前
本田技研工業株式会社
差圧式電解装置
1か月前
一般財団法人電力中央研究所
電解反応装置
2か月前
SECカーボン株式会社
カソードアセンブリ
2か月前
本田技研工業株式会社
CO2電解装置
2か月前
東レ株式会社
液体電解用多孔質輸送層およびその製造方法
1か月前
株式会社荏原製作所
蒸気発電プラント
1か月前
本田技研工業株式会社
電解セルの製造方法
2か月前
古河電気工業株式会社
端子
2か月前
メルテックス株式会社
極薄電解銅箔及びその製造方法
1か月前
NOK株式会社
セルユニット
2か月前
旭化成株式会社
電解装置の運転方法
1か月前
睦技研株式会社
バレルめっき装置
3日前
NOK株式会社
セルユニット
2か月前
株式会社デンソー
電解装置
1か月前
NOK株式会社
セルユニット
2か月前
三菱マテリアル株式会社
皮膜付端子材及びその製造方法
2か月前
続きを見る
他の特許を見る