TOP
|
特許
|
意匠
|
商標
特許ウォッチ
Twitter
他の特許を見る
10個以上の画像は省略されています。
公開番号
2025164508
公報種別
公開特許公報(A)
公開日
2025-10-30
出願番号
2024068526
出願日
2024-04-19
発明の名称
インバータ基板及びインバータ装置
出願人
三菱重工業株式会社
代理人
個人
,
個人
,
個人
主分類
H02M
7/48 20070101AFI20251023BHJP(電力の発電,変換,配電)
要約
【課題】部品の一部が短絡故障した場合でもインバータ制御を継続して行うこと。
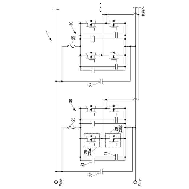
【解決手段】インバータ基板40の基板41の第1面には、複数の低周波用キャパシタ22が実装された第1パターン31と、第1パターン31と電気的に絶縁されて設けられるとともに、少なくとも一つの高圧側スイッチング素子20aと少なくとも一つの高周波用キャパシタ21が実装された複数の第2パターン32と、各第2パターン32に対応して設けられ、対応する第2パターン32と第1パターン31とを電気的に接続する複数の短絡保護部品25とが設けられている。第1パターン31は、直流バスに接続され、各短絡保護部品25は、対応する第2パターン32に実装された高圧側スイッチング素子20a又は高周波用キャパシタ21が短絡した場合に、対応する第2パターン32と第1パターン31との電気的接続を遮断する。
【選択図】図4
特許請求の範囲
【請求項1】
複数のスイッチング素子、複数の第1キャパシタ、及び前記第1キャパシタよりも静電容量の小さい複数の第2キャパシタが実装されたインバータ基板であって、
基板の第1面に設けられるとともに、複数の前記第1キャパシタが実装された第1パターンと、
前記基板の第1面において、前記第1パターンと電気的に絶縁されて設けられるとともに、少なくとも一つのスイッチング素子と少なくとも一つの第2キャパシタが実装された複数の第2パターンと、
各前記第2パターンに対応して設けられ、対応する第2パターンと前記第1パターンとを電気的に接続する複数の短絡保護部品と、
を備え、
前記第1パターンは、直流バスに接続され、
各前記短絡保護部品は、対応する前記第2パターンに実装された前記スイッチング素子又は前記第2キャパシタが短絡した場合に、対応する前記第2パターンと前記第1パターンとの電気的接続を遮断するインバータ基板。
続きを表示(約 920 文字)
【請求項2】
前記基板の第2面に設けられるとともに、複数の前記第1キャパシタの低電圧側端子が接続される第3パターンと、
前記基板の第2面に設けられるとともに、各前記第2パターンと前記基板を挟んで対向する位置にそれぞれ設けられた第4パターンと、
を備え、
各前記第2パターンには、高圧側スイッチング素子が実装され、
各前記第4パターンには、低圧側スイッチング素子が実装される請求項1に記載のインバータ基板。
【請求項3】
各前記低圧側スイッチング素子に対応して設けられるとともに、前記第3パターンと前記第4パターンとの間に実装されたスイッチング駆動回路を備える請求項2に記載のインバータ基板。
【請求項4】
各前記第2パターン及び各前記第4パターンには、同数の前記スイッチング素子が実装されている請求項1に記載のインバータ基板。
【請求項5】
前記スイッチング素子は、前記短絡保護部品の数に応じて決定されるマージン条件を満足する特性を有する部品とされている請求項4に記載のインバータ基板。
【請求項6】
各前記第1キャパシタに対して、2つの前記短絡保護部品が接続され、
2つの前記短絡保護部品は、前記第1キャパシタを挟んで両側に設けられている請求項1に記載のインバータ基板。
【請求項7】
各前記第2パターンに、温度センサが設けられている請求項1に記載のインバータ基板。
【請求項8】
請求項1から7のいずれか1項に記載のインバータ基板と、
前記スイッチング素子を制御する制御回路と
を備えるインバータ装置。
【請求項9】
請求項7に記載のインバータ基板と、
前記スイッチング素子を制御する制御回路と
を備え、
前記制御回路は、前記温度センサに基づいて前記短絡保護部品が作動しているか否かを判定する判定部と、
前記短絡保護部品が作動していると判定した場合に、出力を低下させる制御を行う出力制御部と
を備えるインバータ装置。
発明の詳細な説明
【技術分野】
【0001】
本開示は、インバータ基板及びインバータ装置に関するものである。
続きを表示(約 2,600 文字)
【背景技術】
【0002】
従来、電力変換装置の一つとして、パワー素子であるスイッチング素子を用いたインバータ装置が知られている。例えば、非特許文献1には、多極モータの巻線毎にフルブリッジインバータを設けたインバータ装置が開示されている。
非特許文献1に開示されるインバータ装置は、10極モータを制御するためのインバータであり、30枚(=10極×3相)のインバータ基板を有している。また、損失低減するために、フルブリッジインバータの1スイッチ当たり、複数のFET素子(例えば、10個のFET素子)を並列接続して用いている。更に、FET素子と並列に複数の高周波用キャパシタ(例えば、11個のキャパシタ)を接続している。このため、1つのインバータ基板に搭載される部品数は、極めて多くなる。
【先行技術文献】
【非特許文献】
【0003】
Mohammad M.Qasim、外5名、“Design and Optimization of an Inverter for a One-Megawatt Ultra-Light Motor Drive”、AIAA Aviation Forum 2023、インターネット<https://dspace.mit.edu/bitstream/handle/1721.1/150871/2023_AIAA_Paper_1MW_PE%5B99%5D.pdf?sequence=2&isAllowed=y>
【発明の概要】
【発明が解決しようとする課題】
【0004】
このように、多数の部品が1枚のインバータ基板に搭載されるようなインバータ装置では、多くの部品が高電圧直流バスに並列接続される。このため、これらの部品の一つでも短絡故障すると、高電圧直流バスの電圧が0Vとなり、全てのインバータ基板の機能が停止するおそれがある。
【0005】
本開示は、このような事情に鑑みてなされたものであって、部品の一部が短絡故障した場合でもインバータ制御を継続して行うことのできるインバータ基板及びインバータ装置を提供することを目的とする。
【課題を解決するための手段】
【0006】
本開示の一態様に係るインバータ基板は、複数のスイッチング素子、複数の第1キャパシタ、及び前記第1キャパシタよりも静電容量の小さい複数の第2キャパシタが実装されたインバータ基板であって、基板の第1面に設けられるとともに、複数の前記第1キャパシタが実装された第1パターンと、前記基板の第1面において、前記第1パターンと電気的に絶縁されて設けられるとともに、少なくとも一つのスイッチング素子と少なくとも一つの第2キャパシタが実装された複数の第2パターンと、各前記第2パターンに対応して設けられ、対応する第2パターンと前記第1パターンとを電気的に接続する複数の短絡保護部品と、を備え、前記第1パターンは、直流バスに接続され、各前記短絡保護部品は、対応する前記第2パターンに実装された前記スイッチング素子又は前記第2キャパシタが短絡した場合に、対応する前記第2パターンと前記第1パターンとの電気的接続を遮断する。
【0007】
本開示の一態様に係るインバータ装置は、上記記載のインバータ基板と、前記スイッチング素子を制御する制御回路とを備える。
【発明の効果】
【0008】
本開示によれば、部品の一部が短絡故障した場合でもインバータ制御を継続して行うことができる。
【図面の簡単な説明】
【0009】
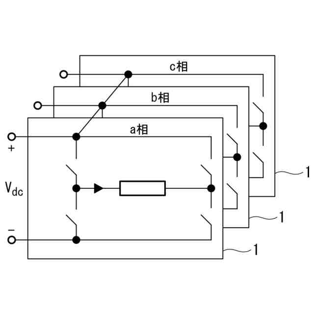
本開示の第1実施形態に係るインバータ装置が備えるインバータ回路の一構成例を概略的に示した図である。
本開示の第1実施形態に係るインバータ装置が三相インバータの場合のインバータ回路の一構成例を概略的に示した図である。
本開示の第1実施形態に係るハーフブリッジ回路の一構成例を概略的に示した図である。
本開示の第1実施形態に係るインバータ基板の第1面の部品実装例を示した図である。
本開示の第1実施形態に係るインバータ基板の第2面の部品実装例を示した図である。
本開示の第1実施形態に係る第1パターンの部品実装例を示した図である。
本開示の第1実施形態に係る第1パターンの部品実装例を示した図である。
本開示の第1実施形態に係る第1パターンの部品実装例を示した図である。
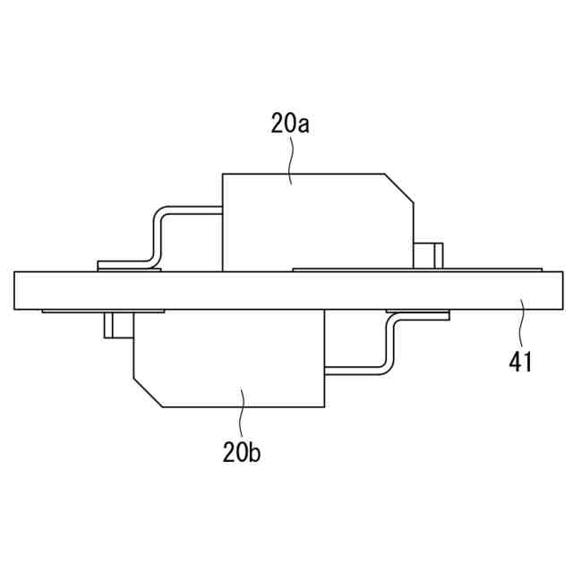
本開示の第1実施形態において、1つのレグを構成する高圧側スイッチング素子と低圧側スイッチング素子との基板実装例を示した図である。
本開示の第1実施形態に係る短絡保護部品の配置について説明するための図である。
本開示の第1実施形態に係る短絡保護部品の配置について説明するための図である。
本開示の第1実施形態に係る短絡保護部品の配置について説明するための図である。
本開示の第1実施形態に係る短絡保護部品の配置について説明するための図である。
本開示の第2実施形態に係るインバータ基板の第1面における部品実装例を示した図である。
本開示の第2実施形態に係るインバータ装置の概略構成を示したブロック図である。
【発明を実施するための形態】
【0010】
〔第1実施形態〕
以下に、本開示に係るインバータ基板及びインバータ装置の第1実施形態について、図面を参照して説明する。
図1は、本実施形態に係るインバータ装置が備えるインバータ回路1の一構成例を概略的に示した図である。図1に示すように、本実施形態に係るインバータ回路1は、2つのハーフブリッジ回路3(3a、3b)を備える単相フルブリッジインバータ回路とされている。以下、各ハーフブリッジ回路を区別して説明する必要がある場合には、ハーフブリッジ回路3a、3bと称し、区別して説明する必要のない場合には、単にハーフブリッジ回路3と称する。また、他の構成についても同様に取り扱う。
(【0011】以降は省略されています)
この特許をJ-PlatPat(特許庁公式サイト)で参照する
関連特許
三菱重工業株式会社
原子炉
18日前
三菱重工業株式会社
加熱装置
1か月前
三菱重工業株式会社
ボイラ壁
1か月前
三菱重工業株式会社
動力装置
1か月前
三菱重工業株式会社
施工方法
24日前
三菱重工業株式会社
遠心圧縮機
2日前
三菱重工業株式会社
原子力システム
3日前
三菱重工業株式会社
石膏脱水システム
24日前
三菱重工業株式会社
燃焼筒の取付方法
1か月前
三菱重工業株式会社
ガスタービン起動方法
1か月前
三菱重工業株式会社
蒸気タービンシステム
1か月前
三菱重工業株式会社
ガスタービン制御方法
1か月前
三菱重工業株式会社
ガス処理装置および方法
1か月前
三菱重工業株式会社
アンモニア除害システム
24日前
三菱重工業株式会社
シール装置及び回転機械
23日前
三菱重工業株式会社
原子炉炉心および原子炉
18日前
三菱重工業株式会社
燃焼設備および制御方法
1か月前
三菱重工業株式会社
評価装置および評価方法
3日前
三菱重工業株式会社
軸流圧縮機、及びその動翼
25日前
三菱重工業株式会社
計測システムおよび計測方法
1か月前
三菱重工業株式会社
水素吸蔵材料および原子力設備
1か月前
三菱重工業株式会社
レドックスフロー電池システム
1か月前
三菱重工業株式会社
支持部材及び接着剤の監視方法
24日前
三菱重工業株式会社
インバータ装置及びその保護方法
1か月前
三菱重工業株式会社
水位制御方法および水位制御装置
3日前
三菱重工業株式会社
演算方法、プログラム及び演算装置
1か月前
三菱重工業株式会社
排ガス処理触媒及び排ガス処理方法
2日前
三菱重工業株式会社
電動ファンおよび電動垂直離着陸機
1か月前
三菱重工業株式会社
燃料噴射装置および往復動内燃機関
1か月前
三菱重工業株式会社
インバータ基板及びインバータ装置
1か月前
三菱重工業株式会社
圧縮機の静翼セグメント、及び圧縮機
24日前
三菱重工業株式会社
補修方法、プログラム、及び補修装置
25日前
三菱重工業株式会社
RPB装置及び酸性ガス回収システム
1か月前
三菱重工業株式会社
制御装置、制御方法、及びプログラム
2日前
三菱重工業株式会社
燃料製造システム、及び燃料製造方法
26日前
三菱重工業株式会社
油圧防振装置および構造物の支持構造
4日前
続きを見る
他の特許を見る