TOP
|
特許
|
意匠
|
商標
特許ウォッチ
Twitter
他の特許を見る
10個以上の画像は省略されています。
公開番号
2025160014
公報種別
公開特許公報(A)
公開日
2025-10-22
出願番号
2024062957
出願日
2024-04-09
発明の名称
基板処理システム、基板処理方法及びコンピュータ記憶媒体
出願人
東京エレクトロン株式会社
代理人
個人
,
個人
,
個人
,
個人
,
個人
主分類
H01L
21/304 20060101AFI20251015BHJP(基本的電気素子)
要約
【課題】第1基板と第2基板が接合された重合基板において、第1基板の周縁部が除去されたことを適切に検出する。
【解決手段】第1基板と第2基板が接合された重合基板を処理する基板処理システムであって、前記重合基板の側方から当該重合基板の投影画像を取得する画像取得部と、制御部と、を備え、前記制御部は、前記第1基板から周縁部を除去した後の前記投影画像に基づいて、前記周縁部の除去の可否を判定する制御を実行する。
【選択図】図10
特許請求の範囲
【請求項1】
第1基板と第2基板が接合された重合基板を処理する基板処理システムであって、
前記重合基板の側方から当該重合基板の投影画像を取得する画像取得部と、
制御部と、を備え、
前記制御部は、
前記第1基板から周縁部を除去した後の前記投影画像に基づいて、前記周縁部の除去の可否を判定する制御を実行する、基板処理システム。
続きを表示(約 1,400 文字)
【請求項2】
前記第1基板から前記周縁部を除去する周縁除去部を備え、
前記制御部は、前記周縁除去部で前記周縁部を除去した後、前記画像取得部で前記投影画像を取得する制御を実行する、請求項1に記載の基板処理システム。
【請求項3】
前記制御部は、
前記周縁部が正常に除去された後の、前記第1基板の基準形状を記憶する制御と、
前記基準形状と、前記周縁部の除去後の前記投影画像から取得される前記第1基板の形状とを比較し、前記周縁部の除去の可否を判定する制御と、を実行する、請求項1に記載の基板処理システム。
【請求項4】
前記制御部は、前記基準形状と、前記周縁部の除去後の前記投影画像から取得される前記第1基板の形状とを比較して前記周縁部の除去の可否を判定する際、前記第1基板において前記周縁部が除去された除去部の高さ方向の傾斜角度、前記除去部の下端位置、又は前記除去部の表面形状の少なくともいずれかを判定基準とする制御を実行する、請求項3に記載の基板処理システム。
【請求項5】
前記重合基板を保持する基板保持部と、
前記基板保持部を回転させる回転機構と、を備え、
前記制御部は、
前記周縁部を除去した後、前記回転機構によって前記基板保持部に保持された前記重合基板を回転させながら、前記画像取得部で前記重合基板の周方向に前記投影画像を取得する制御と、
前記重合基板の周方向の前記投影画像に基づいて、前記周縁部の除去の可否を判定する制御と、を実行する、請求項1~4のいずれか一項に記載の基板処理システム。
【請求項6】
第1基板と第2基板が接合された重合基板を処理する基板処理方法であって、
前記第1基板から周縁部を除去した後の、前記重合基板の側方から取得された当該重合基板の投影画像に基づいて、前記周縁部の除去の可否を判定することを含む、基板処理方法。
【請求項7】
周縁除去部で前記第1基板から前記周縁部を除去した後、画像取得部で前記重合基板の側方から当該重合基板の投影画像を取得することを含む、請求項6に記載の基板処理方法。
【請求項8】
前記周縁部が正常に除去された後の、前記第1基板の基準形状を記憶することと、
前記基準形状と、前記周縁部の除去後の前記投影画像から取得される前記第1基板の形状とを比較し、前記周縁部の除去の可否を判定することと、を含む、請求項6に記載の基板処理方法。
【請求項9】
前記基準形状と、前記周縁部の除去後の前記投影画像から取得される前記第1基板の形状とを比較して前記周縁部の除去の可否を判定する際、前記第1基板において前記周縁部が除去された除去部の高さ方向の傾斜角度、前記除去部の下端位置、又は前記除去部の表面形状の少なくともいずれかを判定基準とする、請求項8に記載の基板処理方法。
【請求項10】
前記周縁部を除去した後、回転機構によって基板保持部に保持された前記重合基板を回転させながら、画像取得部で前記重合基板の周方向に前記投影画像を取得することと、
前記重合基板の周方向の前記投影画像に基づいて、前記周縁部の除去の可否を判定することと、を含む、請求項6~9のいずれか一項に記載の基板処理方法。
(【請求項11】以降は省略されています)
発明の詳細な説明
【技術分野】
【0001】
本開示は、基板処理システム、基板処理方法及びコンピュータ記憶媒体に関する。
続きを表示(約 1,800 文字)
【背景技術】
【0002】
特許文献1~3のそれぞれには、第1の基板と第2の基板が接合された重合基板を処理する基板処理システムが開示されている。基板処理システムは、第1の基板の内部に改質層を形成する改質層形成装置と、第1の基板の周縁部を除去する周縁除去装置と、を有する。
【先行技術文献】
【特許文献】
【0003】
国際公開2019/176589号公報
国際公開2019/208298号公報
国際公開2019/208359号公報
国際公開2020/105483号公報
国際公開2023/079956号公報
国際公開2023/157566号公報
【発明の概要】
【発明が解決しようとする課題】
【0004】
本開示にかかる技術は、第1基板と第2基板が接合された重合基板において、第1基板の周縁部が除去されたことを適切に検出する。
【課題を解決するための手段】
【0005】
本開示の一態様は、第1基板と第2基板が接合された重合基板を処理する基板処理システムであって、前記重合基板の側方から当該重合基板の投影画像を取得する画像取得部と、制御部と、を備え、前記制御部は、前記第1基板から周縁部を除去した後の前記投影画像に基づいて、前記周縁部の除去の可否を判定する制御を実行する。
【発明の効果】
【0006】
本開示によれば、第1基板と第2基板が接合された重合基板において、第1基板の周縁部が除去されたことを適切に検出することができる。
【図面の簡単な説明】
【0007】
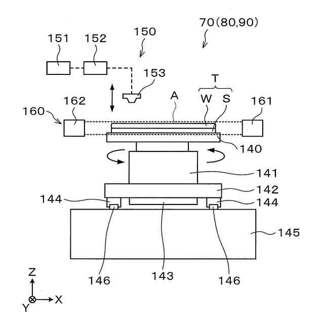
処理対象の重合ウェハの説明図である。
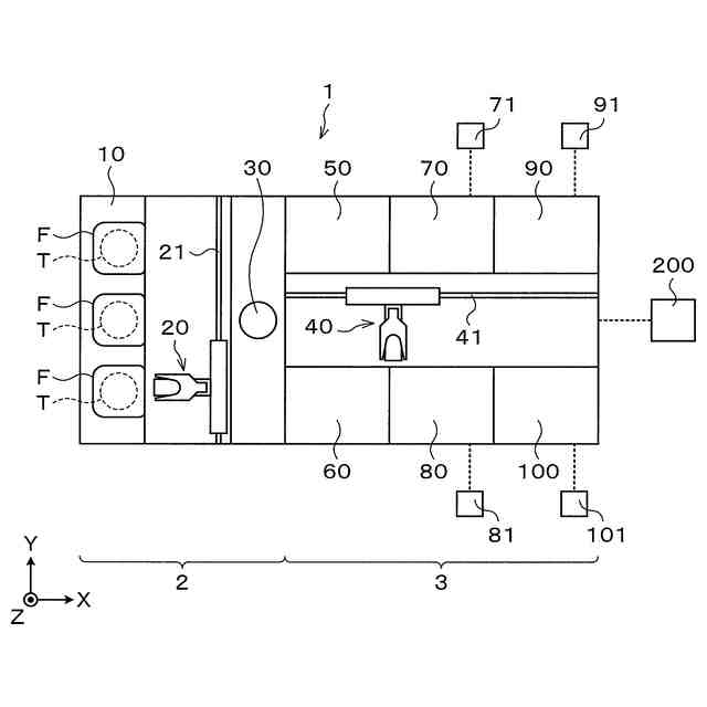
ウェハ処理システムの構成の概略を示す平面図である。
周縁除去装置の構成の概略を示す側面図である。
周縁除去装置の構成の概略を示す平面図である。
投影画像の一例を示す説明図である。
第1レーザ照射装置の構成の概略を示す側面図である。
第1レーザ照射装置の構成の概略を示す平面図である。
周縁除去装置の構成の概略を示す側面図である。
周縁除去装置の構成の概略を示す平面図である。
ウェハ処理の主な工程を示すフロー図である。
ウェハ処理の主な工程を示す説明図である。
挿入ブレードの高さ位置と挿入量を決定する様子を示す説明図である。
第1ウェハにおいて周縁部が除去された除去部を示す説明図である。
他の実施形態にかかる切削ブレードの高さ位置と挿入量を決定する様子を示す説明図である。
他の実施形態において第1ウェハの裏面上の裏面膜を除去する様子を示す説明図である。
他の実施形態にかかるウェハ処理の主な工程を示す説明図である。
他の実施形態にかかるウェハ処理の主な工程を示すフロー図である。
【発明を実施するための形態】
【0008】
半導体デバイスの製造工程においては、表面に複数の電子回路等のデバイスが形成された半導体基板(以下、「ウェハ」という。)である第1ウェハと、第2ウェハとが接合された重合ウェハにおいて、第1ウェハを薄化することが行われる。また、第1ウェハの薄化処理前には、当該第1ウェハの周縁部を除去する、いわゆるエッジトリムが行われる。
【0009】
第1ウェハのエッジトリムは、例えば特許文献1~3に開示された基板処理システムで行われる。基板処理システムでは、改質層形成装置において、第1ウェハにおける除去対象の周縁部と中央部との境界に沿ってレーザ光を照射して、当該第1ウェハの内部に改質層を形成する。その後、周縁除去装置において、改質層を基点に第1ウェハの周縁部を除去する。
【0010】
従来、第1ウェハから周縁部を正常に除去できたか否かは、例えば特許文献4~6に開示されたように第1ウェハの上方からレーザ変位計を用いて検出する。第1ウェハの上方から検出する場合、除去された周縁部の断面形状や、除去しきれなかった一部の箇所の検出に改善の余地があった。
(【0011】以降は省略されています)
この特許をJ-PlatPat(特許庁公式サイト)で参照する
関連特許
APB株式会社
蓄電セル
9日前
東ソー株式会社
絶縁電線
11日前
個人
フレキシブル電気化学素子
23日前
株式会社東芝
端子台
3日前
ローム株式会社
半導体装置
25日前
ローム株式会社
半導体装置
1か月前
ローム株式会社
半導体装置
1か月前
ローム株式会社
半導体装置
10日前
マクセル株式会社
電源装置
3日前
日新イオン機器株式会社
イオン源
19日前
株式会社ユーシン
操作装置
23日前
ローム株式会社
半導体装置
1か月前
ローム株式会社
半導体装置
1か月前
株式会社ホロン
冷陰極電子源
17日前
太陽誘電株式会社
コイル部品
23日前
株式会社GSユアサ
蓄電装置
4日前
株式会社GSユアサ
蓄電装置
4日前
株式会社GSユアサ
蓄電設備
23日前
太陽誘電株式会社
全固体電池
1か月前
株式会社ホロン
冷陰極電子源
1か月前
株式会社GSユアサ
蓄電装置
1か月前
オムロン株式会社
電磁継電器
24日前
株式会社GSユアサ
蓄電設備
23日前
日本特殊陶業株式会社
保持装置
12日前
トヨタ自動車株式会社
バッテリ
9日前
日新イオン機器株式会社
基板処理装置
6日前
トヨタ自動車株式会社
蓄電装置
23日前
トヨタ自動車株式会社
冷却構造
11日前
日本特殊陶業株式会社
保持装置
1か月前
TDK株式会社
電子部品
1か月前
日東電工株式会社
積層体
24日前
日本特殊陶業株式会社
保持装置
1か月前
北道電設株式会社
配電具カバー
9日前
サクサ株式会社
電池の固定構造
23日前
日本特殊陶業株式会社
保持装置
1か月前
トヨタ自動車株式会社
蓄電装置
4日前
続きを見る
他の特許を見る