TOP
|
特許
|
意匠
|
商標
特許ウォッチ
Twitter
他の特許を見る
10個以上の画像は省略されています。
公開番号
2025159756
公報種別
公開特許公報(A)
公開日
2025-10-22
出願番号
2024062484
出願日
2024-04-09
発明の名称
光スイッチ回路
出願人
国立研究開発法人産業技術総合研究所
代理人
個人
主分類
H04B
10/27 20130101AFI20251015BHJP(電気通信技術)
要約
【課題】低損失で入力ポートと出力ポートが交互に隣り合う光スイッチ回路を提供する。
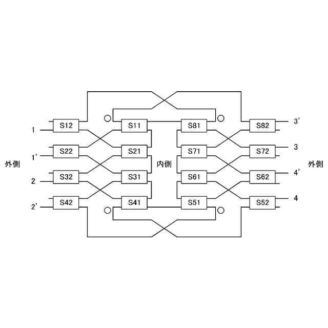
【解決手段】本光スイッチ回路は、単位光スイッチS11~S82を含む。これらの単位光スイッチは、単位光スイッチS11及びS12を含む第1のグループ、単位光スイッチS21及びS22を含む第2のグループ、単位光スイッチS31及びS32を含む第3のグループ、単位光スイッチS41及びS42を含む第4のグループ、単位光スイッチS51及びS52を含む第5のグループ、単位光スイッチS61及びS62を含む第6のグループ、単位光スイッチS71及びS72を含む第7のグループ、及び単位光スイッチS81及びS82を含む第8のグループに分けられる。各グループは、番号順に隣接するように配置されている。なお、第1のグループと第8のグループも隣接するように配置されている。
【選択図】図11
特許請求の範囲
【請求項1】
各々2入力ポート及び2出力ポートを有するN×N個の単位光スイッチを有し、
前記N×N個の単位光スイッチを各々同数の単位光スイッチを有する第1から第2×Nのグループに分け、
第p(pは1以上2×N以下の整数)グループを第p+1グループ(p=2×Nである場合にp+1は1とする)と第p-1グループ(p=1である場合にp-1は2×Nとする)に隣接するように配置し、
各前記グループにおいては、内側から外側に第1列から第N/2列の単位光スイッチを配置し、
各前記単位光スイッチの入力ポートと出力ポートのいずれか一方が内側に向けて配置され、
前記第pグループの第1列の単位光スイッチの内側に向いたポートが、前記第p-1及び第p+1グループにおける第1列の単位光スイッチの近い方のポートに接続され、
前記第pグループの第q(qは2以上N/2以下の整数)列の単位光スイッチの内側に向いたポートが、前記第p-1グループ及び第p+1グループにおける第q-1列の単位光スイッチの外側に向いたポートのうち近い方のポートに接続される
光スイッチ回路。
続きを表示(約 1,300 文字)
【請求項2】
前記第N/2列の単位光スイッチの各々について、外側に向いているポートのうち特定の一方が、隣接するグループとの間で、入力と出力とのいずれかである種別が異なるように用いられる
請求項1記載の光スイッチ回路。
【請求項3】
前記第1乃至第Nグループを左向きに配置し、前記第N+1乃至第2×Nグループを右向きに配置した
請求項1記載の光スイッチ回路。
【請求項4】
各々2入力ポート及び2出力ポートを有するN×N個の単位光スイッチをそれぞれ含むM個の光スイッチ回路と、
各々2×M個の入出力ポートを有するN/2個の接続先のN×M個の入出力ポートと、前記M個の光スイッチ回路の合計2×M×N個の入出力ポートのうちN×M個の入出力ポートとを所望の接続関係を満たすように各々接続させる2個のシャッフル回路と、
を有し、
前記M個の光スイッチ回路は、一列に並べられており、
前記2個のシャッフル回路のうち一方が前記一列の左側に、他方が前記一列の右側に配置されており、
前記M個の光スイッチ回路の各々については、
前記N×N個の単位光スイッチを各々同数の単位光スイッチを有する第1から第2×Nのグループに分け、
第p(pは1以上2×N以下の整数)グループを第p+1グループ(p=2×Nである場合にp+1は1とする)と第p-1グループ(p=1である場合にp-1は2×Nとする)に隣接するように配置し、
各前記グループにおいては、内側から外側に第1列から第N/2列の単位光スイッチを配置し、
各前記単位光スイッチの入力ポートと出力ポートのいずれか一方が内側に向けて配置され、
前記第pグループの第1列の単位光スイッチの内側に向いたポートが、前記第p-1及び第p+1グループにおける第1列の単位光スイッチの近い方のポートに接続され、
前記第pグループの第q(qは2以上N/2以下の整数)列の単位光スイッチの内側に向いたポートが、前記第p-1グループ及び第p+1グループにおける第q-1列の単位光スイッチの外側に向いたポートのうち近い方のポートに接続され、
前記第N/2列の単位光スイッチの各々について、外側に向いているポートのうち特定の一方が、隣接するグループとの間で、入力と出力とのいずれかである種別が異なるように用いられる
前記第1乃至第Nグループを左向きに配置し、前記第N+1乃至第2×Nグループを右向きに配置するようになっており、
前記2個のシャッフル回路の各々は、
M×N本の第1の光導波路を形成した第1の光回路層と、
M×N本の第2の光導波路を形成した第2の光回路層と、
を含み、
前記所望の接続関係を満たすように、前記第1の光導波路のいずれかと前記第2の光導波路のいずれかとが1カ所の層間接続構造で接続されている
光スイッチ回路。
【請求項5】
前記第1の光導波路と前記第2の光導波路とが別材料で製作された請求項4記載の光スイッチ回路。
発明の詳細な説明
【技術分野】
【0001】
本発明は、光スイッチ回路に関する。
続きを表示(約 1,900 文字)
【背景技術】
【0002】
従来の典型的な光スイッチは、図1に示すように、左側に設けられた入力ポートアレイの任意の入力ポートから右側に設けられた出力ポートアレイの任意の出力ポートへ繋ぐような回路構成であった。入力ポートアレイ及び出力ポートアレイより外側のノードへの配線は、図2に模式的に示すように、光ファイバを用いることを想定しており、低損失に制限無く行えることを前提にしていた。なお、通信ネットワークでは、各ノードの入出力ポートの両方が必ずしも同一光スイッチに接続されるわけでは無い。
【0003】
しかしながら、CPU(Central Processing Unit)、GPU(Graphics Processing Unit)、メモリなどの半導体チップのような小型デバイスを光スイッチを介して相互接続し、高度な計算を実行する目的では、半導体チップ、光電変換チップ、光スイッチチップなどを全て1つのボードやパッケージに集積化し、高効率化且つ高密度化することが求められている。その場合、光ファイバを使用することはできず、有機材料、ガラス、シリコンなどの光導波路で接続することになるが、光導波路の損失は光ファイバに比べて大きい上、経路を多数回交差させる場合には、大きな損失が発生してしまうという問題がある。
【0004】
そのため、図3に模式的に示すように、光スイッチの両側に、入力ポートと出力ポートが交互に並んだ入出力ポートアレイが配置されることが好ましい。このようにすれば、図4に模式的に示すように、光スイッチの両側に複数個の半導体チップなどの小型デバイスを配置しても、光スイッチの入出力ポートと小型デバイスの入出力ポートの並びが一致するため、短距離で交差なく接続することが出来るようになる。
【0005】
このように、光スイッチにおいて入力ポートと出力ポートを交互に配置するような構成については、例えば特許文献1に開示されている。しかしながら、本文献では漏話特性の劣化抑制を目的としており、PILOSS(Path-Independent Insertion Loss)トポロジを採用しておらず、ONにすべき単位光スイッチの数が多いため電力消費が多く、損失が経路に依存するという問題がある。
【0006】
また、例えば特許文献2には、入出力を隣り合わせることで平面光導波路の交差数を減じ、光導波路交差損失を低減する技術が開示されている。しかしながら、トポロジはSwitch&Selectであり、ONとすべきスイッチ数が多いため消費電力が多く、損失が経路に依存するという問題がある。
【0007】
なお、例えば非特許文献1には、シャッフル配線に適用可能な技術が開示されている。具体的には、共にSi光導波路が形成された2層のクロスポイントの光スイッチが開示されており、クロスポイントの層間接続は固定ではなく、MEMS(Micro Electro Mechanical Systems)で光導波路を動かすことで可変にすることができるというものが開示されている。本文献開示の技術は、層間接続を可変にしている点が特徴となっている。
【先行技術文献】
【特許文献】
【0008】
特開2015-148697号公報
特開2016-161604号公報
特許第6521072号公報
特許第6708338号公報
【非特許文献】
【0009】
A. Honardoost, J. Henriksson, K. Kwon, J. Luo, and M. C. Wu, “Low-Loss Wafer-Bonded Silicon Photonic MEMS Switches,” OFC 2022, paper M2D.8.
X. Xiaojun, et al.,"A review of Silicon-Based Integrated Optical Switches", Laser Photonics Rev. 2023, 17, 2200571
【発明の概要】
【発明が解決しようとする課題】
【0010】
以上のことから、本発明の目的は、一側面によれば、より低損失で、入力ポートと出力ポートが交互に隣り合うような光スイッチ回路を提供することである。
【課題を解決するための手段】
(【0011】以降は省略されています)
この特許をJ-PlatPat(特許庁公式サイト)で参照する
関連特許
個人
イヤーマフ
10日前
個人
監視カメラシステム
19日前
キーコム株式会社
光伝送線路
20日前
個人
スイッチシステム
4日前
WHISMR合同会社
収音装置
1か月前
サクサ株式会社
中継装置
26日前
個人
スキャン式車載用撮像装置
19日前
サクサ株式会社
中継装置
25日前
キヤノン株式会社
撮像装置
2か月前
アイホン株式会社
電気機器
1か月前
ヤマハ株式会社
放音制御装置
4日前
個人
ワイヤレスイヤホン対応耳掛け
1か月前
株式会社リコー
画像形成装置
2か月前
キヤノン電子株式会社
画像読取装置
4日前
個人
映像表示装置、及びARグラス
5日前
キヤノン電子株式会社
画像読取装置
18日前
株式会社リコー
画像形成装置
2か月前
サクサ株式会社
無線システム
24日前
株式会社リコー
画像形成装置
12日前
サクサ株式会社
無線通信装置
25日前
キヤノン電子株式会社
画像読取装置
1か月前
株式会社リコー
画像形成装置
2か月前
サクサ株式会社
無線通信装置
25日前
個人
発信機及び発信方法
24日前
株式会社ニコン
撮像装置
3か月前
日本電気株式会社
海底分岐装置
20日前
キヤノン株式会社
撮像システム
1か月前
ブラザー工業株式会社
読取装置
2か月前
株式会社NTTドコモ
端末
19日前
株式会社小糸製作所
画像照射装置
2か月前
株式会社NTTドコモ
端末
19日前
株式会社NTTドコモ
端末
19日前
有限会社フィデリックス
マイクロフォン
1か月前
株式会社JVCケンウッド
通信システム
1か月前
シャープ株式会社
端末装置
17日前
DXO株式会社
情報処理システム
3か月前
続きを見る
他の特許を見る