TOP
|
特許
|
意匠
|
商標
特許ウォッチ
Twitter
他の特許を見る
公開番号
2025159599
公報種別
公開特許公報(A)
公開日
2025-10-21
出願番号
2024062301
出願日
2024-04-08
発明の名称
排気浄化装置
出願人
株式会社豊田自動織機
代理人
個人
,
個人
,
個人
,
個人
主分類
F01N
3/22 20060101AFI20251014BHJP(機械または機関一般;機関設備一般;蒸気機関)
要約
【課題】アンモニアの分解処理の完了を待たずに、任意のタイミングでエンジンを停止させることができる排気浄化装置を提供する。
【解決手段】排気浄化装置1は、排気流路3を流れる排気ガス中に含まれるNH
3
及びNOxを酸化・還元する機能を有する第1触媒4と、排気流路3における第1触媒4よりも下流側に配設され、第1触媒4を通り抜けたNH
3
を吸着・分解する機能と第1触媒4を通り抜けたNH
3
を酸化する機能とを有する第2触媒5と、第2触媒5に空気を供給する空気ポンプ7と、アンモニアエンジン2が停止した状態で、第2触媒5に吸着されたNH
3
の量が予め決められた規定量以下であるかどうかを判断する初期判断部12と、初期判断部12により第2触媒5に吸着されたNH
3
の量が規定量以下でないと判断されたときに、第2触媒5への空気の供給を行うように空気ポンプ7を制御する空気供給制御部16とを備える。
【選択図】図1
特許請求の範囲
【請求項1】
エンジンから発生した排気ガスを浄化する排気浄化装置であって、
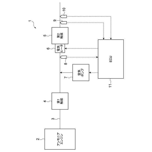
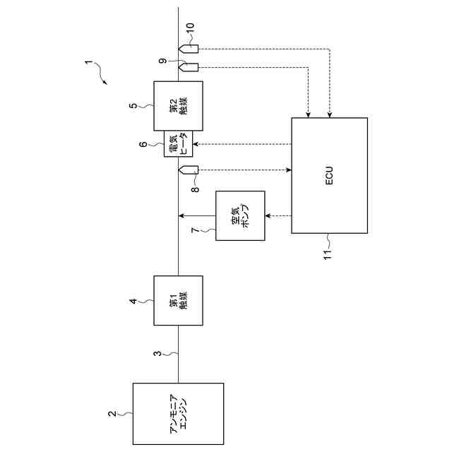
前記エンジンと接続された排気流路に配設され、前記排気流路を流れる排気ガス中に含まれるアンモニア及びNOxを酸化・還元する機能を有する第1触媒と、
前記排気流路における前記第1触媒よりも下流側に配設され、前記第1触媒を通り抜けたアンモニアを吸着・分解する機能と前記第1触媒を通り抜けたアンモニアを酸化する機能とを有する第2触媒と、
前記第2触媒に空気を供給する空気供給部と、
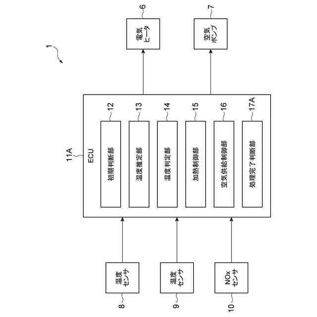
前記エンジンが停止した状態で、前記第2触媒に吸着されたアンモニアの量が予め決められた規定量以下であるかどうかを判断する初期判断部と、
前記初期判断部により前記第2触媒に吸着されたアンモニアの量が前記規定量以下でないと判断されたときに、前記第2触媒への空気の供給を行うように前記空気供給部を制御する空気供給制御部とを備える排気浄化装置。
続きを表示(約 940 文字)
【請求項2】
前記第2触媒を加熱する加熱部と、
前記第2触媒の温度を検出する温度検出部と、
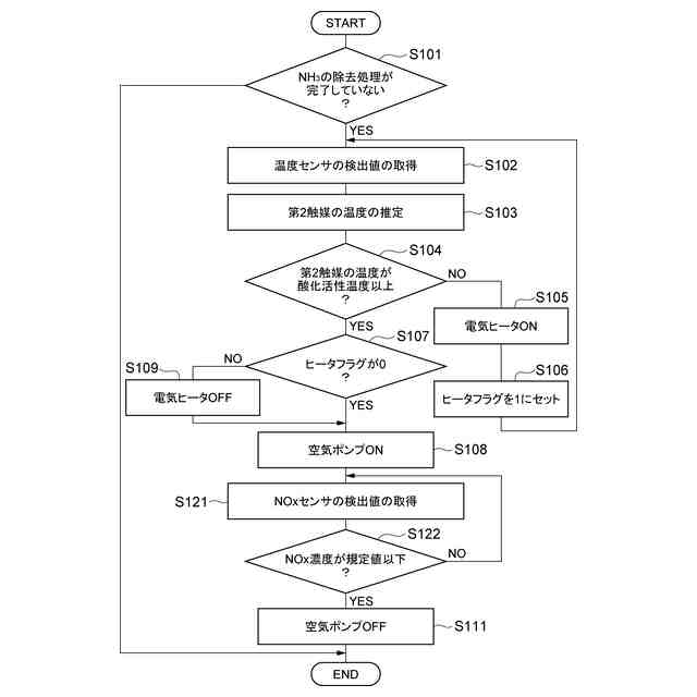
前記温度検出部により検出された前記第2触媒の温度が前記アンモニアの酸化が可能となる酸化活性温度以上であるかどうかを判定する温度判定部と、
前記温度判定部により前記第2触媒の温度が前記酸化活性温度以上でないと判定されたときは、前記第2触媒の加熱を行うように前記加熱部を制御する加熱制御部とを更に備え、
前記加熱制御部は、前記加熱部により前記第2触媒の加熱が開始された後、前記第2触媒の温度が前記酸化活性温度以上であると判定されたときは、前記第2触媒の加熱を停止するように前記加熱部を制御し、
前記空気供給制御部は、前記第2触媒に吸着されたアンモニアの量が前記規定量以下でないと判断されると共に、前記第2触媒の温度が前記酸化活性温度以上であると判定されたときに、前記第2触媒への空気の供給を行うように前記空気供給部を制御する請求項1記載の排気浄化装置。
【請求項3】
前記空気供給部により前記第2触媒への空気の供給が開始された後、前記第2触媒に吸着したアンモニアの酸化処理が完了したかどうかを判断する処理完了判断部を更に備え、
前記空気供給制御部は、前記処理完了判断部により前記第2触媒に吸着されたアンモニアの酸化処理が完了したと判断されたときは、前記第2触媒への空気の供給を停止するように前記空気供給部を制御する請求項1記載の排気浄化装置。
【請求項4】
前記処理完了判断部は、前記空気供給部により前記第2触媒への空気の供給を開始してから予め決められた規定時間が経過すると、前記第2触媒に吸着されたアンモニアの酸化処理が完了したと判断する請求項3記載の排気浄化装置。
【請求項5】
前記排気流路における前記第2触媒よりも下流側に存在するNOxの濃度を検出するNOx検出部を更に備え、
前記処理完了判断部は、前記NOx検出部により検出された前記NOxの濃度が予め決められた規定値以下になると、前記第2触媒に吸着されたアンモニアの酸化処理が完了したと判断する請求項3記載の排気浄化装置。
発明の詳細な説明
【技術分野】
【0001】
本発明は、排気浄化装置に関する。
続きを表示(約 2,300 文字)
【背景技術】
【0002】
排気浄化装置としては、例えば特許文献1に記載されている技術が知られている。特許文献1に記載の排気浄化装置は、アンモニアエンジンと接続された排気管に配置され、排気中のアンモニア、NOx及び水素を浄化する三元触媒と、排気管における三元触媒よりも下流側に配置され、アンモニアを還元剤として排気中のNOxを浄化するSCR触媒とを備えている。
【先行技術文献】
【特許文献】
【0003】
特開2019-167823号公報
【発明の概要】
【発明が解決しようとする課題】
【0004】
ところで、排気浄化装置においては、三元触媒である第1触媒よりも下流側に、アンモニアの吸着機能とアンモニアの分解機能とを有する第2触媒が配置されることがある。この場合、第2触媒の温度が低い状態では、第1触媒を通り抜けた未燃のアンモニアが第2触媒に吸着される。その後、第2触媒が分解活性温度まで昇温すると、第2触媒に吸着されたアンモニアが水素及び窒素に分解される。
【0005】
しかし、第2触媒においてアンモニアの分解処理が完了する前に、アンモニアエンジンを停止させると、次回のアンモニアエンジンの始動時に、第2触媒にアンモニアが既に吸着されているため、第2触媒において未燃のアンモニアが吸着しきれないことがある。この場合には、アンモニアが排気管を流れて排出されてしまう。従って、アンモニアエンジンが始動された後は、第2触媒においてアンモニアの分解処理が完了するまでアンモニアエンジンを停止させることができない。
【0006】
本発明の目的は、アンモニアの分解処理の完了を待たずに、任意のタイミングでエンジンを停止させることができる排気浄化装置を提供することである。
【課題を解決するための手段】
【0007】
(1)本発明の一態様は、エンジンから発生した排気ガスを浄化する排気浄化装置であって、エンジンと接続された排気流路に配設され、排気流路を流れる排気ガス中に含まれるアンモニア及びNOxを酸化・還元する機能を有する第1触媒と、排気流路における第1触媒よりも下流側に配設され、第1触媒を通り抜けたアンモニアを吸着・分解する機能と第1触媒を通り抜けたアンモニアを酸化する機能とを有する第2触媒と、第2触媒に空気を供給する空気供給部と、エンジンが停止した状態で、第2触媒に吸着されたアンモニアの量が予め決められた規定量以下であるかどうかを判断する初期判断部と、初期判断部により第2触媒に吸着されたアンモニアの量が規定量以下でないと判断されたときに、第2触媒への空気の供給を行うように空気供給部を制御する空気供給制御部とを備える。
【0008】
このような排気浄化装置において、エンジンの通常運転時には、第1触媒を通り抜けたアンモニアが第2触媒に吸着され、第2触媒が昇温された状態において第2触媒に吸着したアンモニアが分解される。エンジンが停止した状態になると、第2触媒に吸着されたアンモニアの量が規定量以下であるかどうかが判断される。そして、第2触媒に吸着されたアンモニアの量が規定量よりも多いときは、空気供給部から第2触媒に空気が供給される。すると、第2触媒においてアンモニアの酸化処理が行われる。アンモニアの酸化処理は、アンモニアの分解処理よりも低い温度から開始される。このため、第2触媒では、アンモニアの分解処理が行われる前に、アンモニアの酸化処理が行われる。このようにエンジンの停止時に第2触媒に吸着されたアンモニアの分解処理が完了していなくても、第2触媒に空気を供給して、第2触媒に吸着されたアンモニアを酸化させることにより、第2触媒に吸着されたアンモニアが除去される。これにより、アンモニアの分解処理の完了を待たずに、任意のタイミングでエンジンを停止させることができる。
【0009】
(2)上記の(1)において、排気浄化装置は、第2触媒を加熱する加熱部と、第2触媒の温度を検出する温度検出部と、温度検出部により検出された第2触媒の温度がアンモニアの酸化が可能となる酸化活性温度以上であるかどうかを判定する温度判定部と、温度判定部により第2触媒の温度が酸化活性温度以上でないと判定されたときは、第2触媒の加熱を行うように加熱部を制御する加熱制御部とを更に備え、加熱制御部は、加熱部により第2触媒の加熱が開始された後、第2触媒の温度が酸化活性温度以上であると判定されたときは、第2触媒の加熱を停止するように加熱部を制御し、空気供給制御部は、第2触媒に吸着されたアンモニアの量が規定量以下でないと判断されると共に、第2触媒の温度が酸化活性温度以上であると判定されたときに、第2触媒への空気の供給を行うように空気供給部を制御してもよい。
【0010】
このような構成では、第2触媒の温度が酸化活性温度よりも低いときは、加熱部により第2触媒を加熱することにより、第2触媒が直ちに昇温する。その後、第2触媒の温度が酸化活性温度に達すると、空気供給部から第2触媒に空気が供給され、第2触媒においてアンモニアの酸化処理が行われる。従って、第2触媒に吸着されたアンモニアが短時間で除去される。また、第2触媒の温度が酸化活性温度に達してから、空気供給部から第2触媒に空気を供給することにより、空気供給部を無駄に作動させなくて済む。従って、省電力化を図ることができる。
(【0011】以降は省略されています)
特許ウォッチbot のツイートを見る
この特許をJ-PlatPat(特許庁公式サイト)で参照する
関連特許
スズキ株式会社
内燃機関の制御装置
1日前
株式会社SUBARU
排気浄化装置
1日前
株式会社豊田自動織機
エンジン式産業車両
1か月前
トヨタ自動車株式会社
計測システム
1か月前
株式会社三五
ハイブリッド車の排気システム
10日前
トヨタ自動車株式会社
エンジン
9日前
本田技研工業株式会社
排気装置
1か月前
本田技研工業株式会社
排気装置
1か月前
本田技研工業株式会社
排気装置
1か月前
トヨタ自動車株式会社
エンジン
10日前
トヨタ自動車株式会社
エンジン
1日前
株式会社SUBARU
エンジン制御装置
22日前
株式会社クボタ
多目的車両
1か月前
株式会社クボタ
多目的車両
1か月前
トヨタ自動車株式会社
水素エンジン
1か月前
トヨタ自動車株式会社
油量判定装置
23日前
トヨタ自動車株式会社
排気浄化装置
10日前
トヨタ自動車株式会社
異常診断装置
1か月前
マレリ株式会社
消音器
1か月前
トヨタ自動車株式会社
車両装置
1日前
株式会社アイシン
冷却モジュール
22日前
日産自動車株式会社
内燃機関
22日前
トヨタ自動車株式会社
内燃機関の制御装置
1か月前
トヨタ自動車株式会社
内燃機関の制御装置
1か月前
本田技研工業株式会社
冷却液タンク
1日前
株式会社豊田自動織機
排気浄化装置
1か月前
トヨタ自動車株式会社
オイルタンク
10日前
三菱重工業株式会社
メタン酸化触媒装置
1か月前
トヨタ自動車株式会社
車両のエンジンルーム構造
1か月前
井関農機株式会社
エンジン
9日前
株式会社三五
排気浄化装置
9日前
いすゞ自動車株式会社
排気処理装置
9日前
トヨタ自動車株式会社
車両の制御装置
1か月前
トヨタ自動車株式会社
過給機冷却システム
9日前
三菱自動車工業株式会社
オイルパン
1か月前
カナデビア株式会社
排ガス処理システム
1か月前
続きを見る
他の特許を見る