TOP
|
特許
|
意匠
|
商標
特許ウォッチ
Twitter
他の特許を見る
10個以上の画像は省略されています。
公開番号
2025158385
公報種別
公開特許公報(A)
公開日
2025-10-17
出願番号
2024060879
出願日
2024-04-04
発明の名称
圧延設定支援装置及び圧延設定支援方法
出願人
株式会社日立製作所
代理人
弁理士法人信友国際特許事務所
主分類
B21B
37/00 20060101AFI20251009BHJP(本質的には材料の除去が行なわれない機械的金属加工;金属の打抜き)
要約
【課題】所望の機械的材質を有する圧延材の製造を可能とするために最適化すべき圧延の工程条件を適切に選択できるようにする。
【解決手段】本発明の一態様の圧延設定支援装置15は、圧延材4の長手方向において機械的材質上の特異が発生した材質特異点を検出する材質特異点及び参照点算出部152aと、材質特異点が検出された機械的材質との相関が高い圧延材4の組織特徴量を選択する組織特徴量選択部152cと、選択された組織特徴量の情報に基づいて、機械的材質上の特異が発生した熱間圧延ライン3の要素工程を特定する要素工程特定部152dと、特定された要素工程における工程条件を最適化する工程条件最適化部152eと、を備える。
【選択図】図2
特許請求の範囲
【請求項1】
熱間圧延ラインにおける圧延条件の設定支援対象とする圧延材の長手方向において機械的材質上の特異が発生した箇所である材質特異点を検出する材質特異点検出部と、
前記材質特異点が検出された前記機械的材質との相関が高い前記圧延材の組織特徴量を選択する組織特徴量選択部と、
前記組織特徴量選択部が選択した前記組織特徴量の情報に基づいて、前記機械的材質上の特異が発生した前記熱間圧延ラインの要素工程を特定する要素工程特定部と、
前記要素工程特定部によって特定された前記要素工程における工程条件を最適化する工程条件最適化部と、を備える
圧延設定支援装置。
続きを表示(約 1,400 文字)
【請求項2】
前記材質特異点検出部が前記材質特異点の検出に用いる前記機械的材質は、室温における前記圧延材の機械的材質である
請求項1に記載の圧延設定支援装置。
【請求項3】
前記圧延材の長手方向における複数の異なる位置にそれぞれ計算点を設定し、複数の前記計算点における前記組織特徴量及び前記機械的材質を算出する組織特徴量及び機械的材質算出部をさらに備え、
前記材質特異点検出部は、圧延条件の設定支援対象の前記圧延材と同一又は類似分類に属する圧延材の従来データから求めた前記機械的材質の傾向線からの逸脱量が大きい前記計算点を、前記材質特異点に設定する
請求項2に記載の圧延設定支援装置。
【請求項4】
前記材質特異点検出部は、前記傾向線からの逸脱量が少なく、かつ、前記圧延材の長手方向における位置が前記材質特異点と近い前記計算点を参照点に設定し、
前記要素工程特定部は、前記材質特異点における前記組織特徴量から前記参照点における前記組織特徴量を減算した差分値を、前記要素工程毎に算出し、前記差分値が前の前記要素工程から所定の変化量以上に変化した前記要素工程を、前記機械的材質上の特異が発生した要素工程として特定する
請求項3に記載の圧延設定支援装置。
【請求項5】
前記組織特徴量選択部は、前記機械的材質との相関係数の絶対値の大きさと、組織特徴量間の因果関係を示す情報と、を用いて前記組織特徴量を選択する
請求項4に記載の圧延設定支援装置。
【請求項6】
前記材質特異点検出部は、前記材質特異点を圧延条件の設定支援対象とする前記圧延材に設定した複数の前記計算点の中から選択し、圧延条件の設定支援対象とする前記圧延材と同一又は類似分類に属し、かつ、機械的材質が良好であった圧延材に設定した複数の計算点の中から、前記材質特異点の位置に最も近い計算点を、参照点に設定する
請求項3に記載の圧延設定支援装置。
【請求項7】
前記組織特徴量は、前記圧延材に含まれるオーステナイトの比率、フェライトの比率、パーライトの比率、ベイナイトの比率、マルテンサイトの比率、オーステナイトの平均結晶粒径、フェライトの平均結晶粒径、パーライトのラメラ間隔、ベイナイトのラスの大きさ、マルテンサイトのラスの幅、マルテンサイトのパケットの大きさ、マルテンサイトのブロックの大きさのうちの少なくとも1つを含み、
前記機械的材質は、前記圧延材の降伏強度、引張強度、伸び、硬さのうちの少なくとも1つを含む
請求項1~6のいずれか一項に記載の圧延設定支援装置。
【請求項8】
熱間圧延ラインにおける圧延条件の設定支援対象とする圧延材の長手方向において機械的材質上の特異が発生した箇所である材質特異点を材質特異点検出部が検出する手順と、
前記材質特異点が検出された前記機械的材質との相関が高い前記圧延材の組織特徴量を組織特徴量選択部が選択する手順と、
前記組織特徴量選択部が選択した前記組織特徴量の情報に基づいて、前記機械的材質上の特異が発生した前記熱間圧延ラインの要素工程を要素工程特定部が特定する手順と、
前記要素工程特定部によって特定された前記要素工程における工程条件を工程条件最適化部が最適化する手順と、を含む
圧延設定支援方法。
発明の詳細な説明
【技術分野】
【0001】
本発明は、圧延設定支援装置及び圧延設定支援方法に関する。
続きを表示(約 2,400 文字)
【背景技術】
【0002】
熱間圧延分野では、初期温度1200℃前後のスラブ(鋼片)を10回以上圧延して、厚さ1~12mm、長さ400~2000m程度の圧延材を製造する。製造された圧延材の強度、伸びなどの機械的性質は熱間圧延条件によって変わることが知られており、熱間圧延の制御目標値を設定する際には、圧延材の機械的性質を考慮することが必要とされる。
【0003】
特許文献1は、圧延材の金属組織を予測する金属組織予測部と、予測された金属組織と化学組成とに基づいて機械的性質を予測する機械的性質予測部と、予測される機械的性質に対する制御設定値の影響係数を算出する影響係数算出部と、圧延材に対して要求される機械的性質及び機械的性質の偏差と影響係数とに基づいて設定計算条件を変更して、設定計算部に制御設定値を算出させる設定計算条件変更部と、を備える設定値計算装置が開示されている。特許文献1に記載の技術によれば、目標とする機械的性質を達成するための制御設定値を良好な精度で計算できる。
【先行技術文献】
【特許文献】
【0004】
特開2014-133246号公報
【発明の概要】
【発明が解決しようとする課題】
【0005】
特許文献1に記載の技術は、機械的材質に対する制御設定値の影響係数を計算して、目標とする機械的性質を満たす制御設定値を決定する技術である。しかし、特許文献1の技術においては、制御設定値の多数の設定項目の中から影響係数の計算に用いる設定項目を選択する方法は明らかにされていない。熱間圧延に用いられる設定項目には、熱間圧延ラインの各圧延パスでの圧下率、通板速度、温度、圧延材の巻取り前の冷却装置内の多数の冷却ノズルの開閉状態など、数十種以上の種類がある。したがって、これら全ての設定項目に対して影響係数を計算することは、計算負荷と計算時間の面で課題を残す。また、影響係数に基づいて多数の設定項目を逐次変更する場合、計算の収束性の面でも課題を残す。
【0006】
本発明は、上記の状況を考慮してなされたものであり、本発明の目的は、所望の機械的材質を有する圧延材の製造を可能とするために最適化すべき圧延の工程条件を適切に選択できるようにすることにある。
【課題を解決するための手段】
【0007】
本発明の一態様に係る圧延設定支援装置は、熱間圧延ラインにおける圧延条件の設定支援対象とする圧延材の長手方向において機械的材質上の特異が発生した箇所である材質特異点を検出する材質特異点検出部と、材質特異点が検出された機械的材質との相関が高い圧延材の組織特徴量を選択する組織特徴量選択部と、組織特徴量選択部が選択した組織特徴量の情報に基づいて、機械的材質上の特異が発生した熱間圧延ラインの要素工程を特定する要素工程特定部と、要素工程特定部によって特定された要素工程における工程条件を最適化する工程条件最適化部と、を備える。
【発明の効果】
【0008】
本発明の少なくとも一態様によれば、所望の機械的材質を有する圧延材の製造を可能とするために最適化すべき圧延の工程条件を適切に選択できるようになる。
上記した以外の課題、構成及び効果は、以下の実施形態の説明により明らかにされる。
【図面の簡単な説明】
【0009】
本発明の第1の実施形態に係る熱間圧延システムの構成例を示すブロック図である。
本発明の第1の実施形態に係る圧延設定支援装置の制御系の構成例を示すブロック図である。
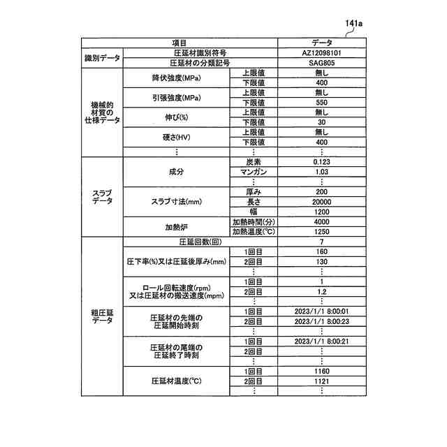
本発明の第1の実施形態に係る圧延データの構成例を示す図である。
本発明の第1の実施形態に係る圧延データの構成例を示す図である。
本発明の第1の実施形態に係る圧延材の長手方向における引張強度の分布を示すグラフである。
本発明の第1の実施形態に係る材質特異点の選択に基準として用いられた機械的材質と、各組織特徴量との相関係数の絶対値を表すグラフである。
本発明の第1の実施形態に係る組織特徴量因果関係DBの構成例を示す図である。
本発明の第1の実施形態に係る機械的材質の一例としての引張張力と、組織特徴量の一例としてのオーステナイト平均結晶粒径との相関の、圧延材の長手方向における分布の例を示すグラフである。
本発明の第1の実施形態に係る圧延工程の各要素工程における、オーステナイト平均結晶粒径の材質特異点と参照点との差分値を示すグラフである。
本発明の第1の実施形態に係る工程条件DBの構成例を示す図である。
本発明の第1の実施形態に係る圧延設定支援装置による圧延設定支援処理の手順の例を示すフローチャートである。
本発明の第1の実施形態に係る工程条件最適化処理の手順の例を示すフローチャートである。
本発明の変形例に係る、複数の圧延材から材質特異点及び参照点を選択する場合に材質特異点及び参照点選択部が参照する、圧延材の長手方向における引張強度の分布を示すグラフである。
本発明の第2の実施形態に係る熱間圧延システムの構成例を示すブロック図である。
【発明を実施するための形態】
【0010】
以下、本発明の実施形態を、図を用いて説明する。各図において、同一の構成には同一の符号を付す。以下の記載および図面は、本発明を説明するための例示であって、説明の明確化のため、適宜、省略および簡略化がなされている。本発明は、他の種々の形態でも実施する事が可能である。特に限定しない限り、各構成要素は単数でも複数でも構わない。
(【0011】以降は省略されています)
この特許をJ-PlatPat(特許庁公式サイト)で参照する
関連特許
他の特許を見る