TOP
|
特許
|
意匠
|
商標
特許ウォッチ
Twitter
他の特許を見る
10個以上の画像は省略されています。
公開番号
2025156642
公報種別
公開特許公報(A)
公開日
2025-10-14
出願番号
2025135628,2021062981
出願日
2025-08-18,2021-04-01
発明の名称
分析装置
出願人
株式会社キーエンス
代理人
弁理士法人大塚国際特許事務所
主分類
G05B
23/02 20060101AFI20251002BHJP(制御;調整)
要約
【課題】本発明は、基本ユニットが保持するデバイスや変数以外の情報を利活用して、膨大なデータから効率よく分析を行うことを目的とする。また、他の目的として、膨大なデータの分析結果から重要なデータを抽出してレポートすることを目的とする。
【解決手段】分析装置であって、プログラマブルロジックコントローラに関わる情報のうちシンボル値と異なるPLC情報を解析して決定されたデバイスについての属性情報を記憶する記憶手段と、ユーザプログラムを繰り返し実行する実行エンジンと、前記ユーザプログラムの実行によって収集される、時系列の複数のシンボル値を含む運転記録データを取得する取得手段と、前記記憶手段に記憶されたPLC情報に基づいて、取得された前記運転記録データについて正常条件を満たさない非正常シンボルを分析した分析レポートを出力する処理手段とを備える。
【選択図】図12
特許請求の範囲
【請求項1】
分析装置であって、
プログラマブルロジックコントローラに関わる情報のうちシンボル値と異なるPLC情報を記憶する記憶手段と、
ユーザプログラムを繰り返し実行する実行エンジンと、
前記ユーザプログラムの実行によって収集される、時系列の複数のシンボル値を含む運転記録データを取得する取得手段と、
前記記憶手段に記憶されたPLC情報に基づいて、取得された前記運転記録データについて正常条件を満たさない非正常シンボルを分析した分析レポートを出力する処理手段と
を備えることを特徴とする分析装置。
続きを表示(約 1,100 文字)
【請求項2】
前記処理手段は、前記複数のシンボル値のうち、前記記憶手段に記憶されたPLC情報に関連するシンボル値を分析して前記分析レポートを出力することを特徴とする請求項1に記載の分析装置。
【請求項3】
前記処理手段は、前記複数のシンボル値を分析し、前記複数のシンボル値の分析結果のうち、前記記憶手段に記憶されたPLC情報に関連するシンボル値の分析結果を前記分析レポートとして出力することを特徴とする請求項1に記載の分析装置。
【請求項4】
前記PLC情報を解析して所定の属性に対応するシンボルを決定する解析手段をさらに備えることを特徴とする請求項1乃至3の何れか1項に記載の分析装置。
【請求項5】
前記PLC情報は、前記プログラマブルロジックコントローラに含まれるユニットの構成情報を含み、
前記解析手段は、前記ユニットの構成情報を解析してシンボルに対応するユニットの属性を決定することを特徴とする請求項4に記載の分析装置。
【請求項6】
前記PLC情報は、前記プログラマブルロジックコントローラに含まれるユニットと通信機器との間の通信の接続情報および通信設定情報を含み、
前記解析手段は、前記接続情報および前記通信設定情報を解析して、シンボルに対応する通信相手の属性を決定することを特徴とする請求項4又は5に記載の分析装置。
【請求項7】
前記PLC情報は、前記ユーザプログラムを含み、
前記解析手段は、前記ユーザプログラムを解析して、シンボルに対応する前記ユーザプログラムに関する属性を決定することを特徴とする請求項4に記載の分析装置。
【請求項8】
前記ユーザプログラムに関する属性は、ユーザプログラムで使用したシンボルの使用回数、コメントが付加されたシンボルの情報、シンボルの入力接点に関する情報、およびシンボル値の型情報の少なくとも1つを含むことを特徴とする請求項7に記載の分析装置。
【請求項9】
前記分析レポートを示す結果表示画面を出力する出力手段をさらに備え、
前記結果表示画面には、前記分析レポートの表示項目を絞るための条件を指定可能なフィルタ設定領域が含まれることを特徴とする請求項1乃至8の何れか1項に記載の分析装置。
【請求項10】
前記フィルタ設定領域では、シンボルの動作サイクルの指定、属性情報の指定、および、イベント、エラーの指定の少なくとも1つによってフィルタが指定可能であることを特徴とする請求項9に記載の分析装置。
(【請求項11】以降は省略されています)
発明の詳細な説明
【技術分野】
【0001】
本発明は分析装置、その制御方法、および分析システムに関する。
続きを表示(約 2,100 文字)
【背景技術】
【0002】
プログラマブル・ロジック・コントローラ(PLC)はファクトリーオートメーションにおいて製造機器や搬送装置、検査装置などの産業機械を制御するコントローラである(特許文献1、2)。PLCはプログラマーによって作成されるラダープログラムなどのユーザプログラムを実行することで様々な拡張ユニットや被制御機器などを制御する。
【先行技術文献】
【特許文献】
【0003】
特許第5661222号公報
特開2018-097662号公報
【発明の概要】
【発明が解決しようとする課題】
【0004】
ところで、PLCの動作やPLCによって制御される産業機械の動作を監視するために、PLCが保持しているデータを収集して活用することが望まれている。PLCは、基本ユニット(CPUユニット)とそれに接続される拡張ユニットとを有している。基本ユニットは、ラダープログラムなどのユーザプログラムを実行することで拡張ユニットを制御する。拡張ユニットは基本ユニットからの命令にしたがって産業機械を制御し、制御結果を基本ユニットに返す。
【0005】
また、これらの制御結果等のデータはトラブル解析や品質管理のために使用される。従って、これらのデータを蓄積して分析し、復旧のために早期に解析結果を得ることが要求されている。しかし、PLCに関連する全てのデバイスのデータを記録する場合は膨大なデータを記憶することになり、さらに異常デバイスを特定するためにはこれらの膨大なデータ(全デバイス)を解析する必要があるため時間を要する作業となる。また、膨大な分析結果から異常デバイスを特定したり、システムを復旧させるためには、経験や知識も必要となる。従って、十分な専門的な知識や経験を必要とすることなく、各デバイスに関連する膨大なデータの中から効率よく分析を行い、分析結果を表示する仕組みが望まれている。
【0006】
そこで、本発明は上記問題に鑑み、基本ユニットが保持するデバイスや変数以外の情報を利活用して、膨大なデータから効率よく分析を行うことを目的とする。また、他の目的として、膨大なデータの分析結果から重要なデータを抽出してレポートすることを目的とする。
【課題を解決するための手段】
【0007】
本発明は、たとえば、分析装置であって、プログラマブルロジックコントローラに関わる情報のうちシンボル値と異なるPLC情報を記憶する記憶手段と、ユーザプログラムを繰り返し実行する実行エンジンと、前記ユーザプログラムの実行によって収集される、時系列の複数のシンボル値を含む運転記録データを取得する取得手段と、前記記憶手段に記憶されたPLC情報に基づいて、取得された前記運転記録データについて正常条件を満たさない非正常シンボルを分析した分析レポートを出力する処理手段とを備えることを特徴とする。
【発明の効果】
【0008】
本発明によれば、いつもと違う挙動をしたデバイスの情報がユーザに提供される。
【図面の簡単な説明】
【0009】
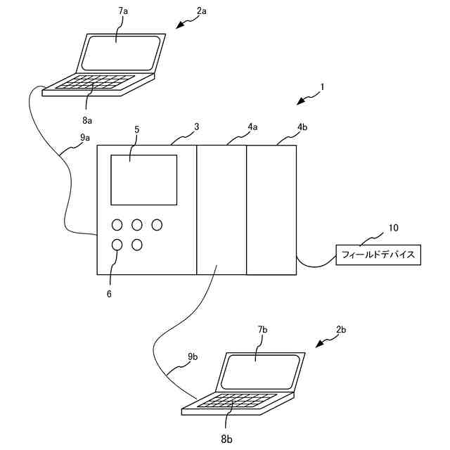
PLCシステムを説明する図
PC2aのハードウエアを説明する図
PC2bのハードウエアを説明する図
PLCのハードウエアを説明する図
PCのCPUにより実現される機能を説明する図
PLCのCPUにより実現される機能を説明する図
PLCに関する情報を説明する図
PLCに関する情報を説明する図
PLCに関する情報を説明する図
基本フローを示すフローチャート
モデル生成フローを示すフローチャート
分析フローを示すフローチャート
分析結果の表示フローを示すフローチャート
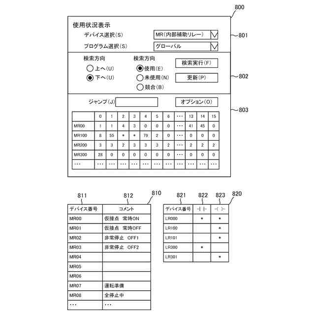
結果表示画面を説明する図
リレーションマップを説明する図
モデル生成フローの変形例を示すフローチャート
サイクルパターンの判別制御を説明する図
未学習時の分析制御を示す図
サイクル未設定の場合の警告を説明する図
モデル信頼度を説明する図
PLCシステムの変形例を説明する図
【発明を実施するための形態】
【0010】
以下、添付図面を参照して実施形態が詳しく説明される。尚、以下の実施形態は特許請求の範囲に係る発明を限定するものではなく、また実施形態で説明されている特徴の組み合わせの全てが発明に必須のものとは限らない。実施形態で説明されている複数の特徴のうち二つ以上の特徴が任意に組み合わされてもよい。また、同一または同様の構成には同一の参照番号が付され、重複した説明は省略される。複数の構成を区別するために参照符号の末尾に小文字のアルファベットが付与されることがある。複数の構成に共通する事項が説明される際には小文字のアルファベットが省略されることがある。
(【0011】以降は省略されています)
この特許をJ-PlatPat(特許庁公式サイト)で参照する
関連特許
株式会社キーエンス
光学式情報読取装置
1日前
株式会社キーエンス
レベル計、レベル計システム、およびレベル計システム用通信アダプタ
1日前
個人
生産早送り装置
3か月前
株式会社豊田自動織機
産業車両
3か月前
株式会社カネカ
製造システム
2か月前
オムロン株式会社
スレーブ装置
2か月前
ローム株式会社
基準電圧源
2か月前
愛知製鋼株式会社
車両用システム
3か月前
株式会社熊谷組
障害物の検出方法
1か月前
新電元工業株式会社
作業用ロボット
1か月前
株式会社クボタ
作業車
1日前
株式会社クボタ
作業車
1か月前
ローム株式会社
半導体集積回路
2日前
豊田合成株式会社
機器制御装置
1か月前
株式会社ダイフク
搬送設備
2か月前
株式会社アサヒエンタープライズ
調整弁
17日前
株式会社ダイフク
搬送設備
2か月前
トヨタ自動車株式会社
クラッチペダル
3か月前
株式会社ダイフク
物品搬送設備
9日前
株式会社ダイフク
物品搬送設備
1か月前
エイブリック株式会社
電流補償回路及び半導体装置
1か月前
株式会社ダイフク
物品搬送設備
2か月前
トヨタ自動車株式会社
制御装置
2か月前
キヤノン株式会社
配送システム
2か月前
カヤバ株式会社
減圧弁
1か月前
村田機械株式会社
搬送車システム
1か月前
株式会社TMEIC
安全性診断装置
2か月前
ルネサスエレクトロニクス株式会社
半導体装置
3か月前
株式会社CAOS
移動体の制御システム
2か月前
株式会社アマダ
工作機械制御装置
1か月前
愛知製鋼株式会社
マーカシステム及び制御方法
3か月前
日野自動車株式会社
自動運転装置
1か月前
オムロン株式会社
システム及び方法
1か月前
シンフォニアテクノロジー株式会社
自動走行車両
2か月前
オムロン株式会社
システム及び方法
1か月前
株式会社明電舎
負荷制御装置
1か月前
続きを見る
他の特許を見る