TOP
|
特許
|
意匠
|
商標
特許ウォッチ
Twitter
他の特許を見る
公開番号
2025154506
公報種別
公開特許公報(A)
公開日
2025-10-10
出願番号
2024057553
出願日
2024-03-29
発明の名称
フラッシング水処理システムおよびフラッシング水処理方法
出願人
高砂熱学工業株式会社
代理人
個人
,
個人
主分類
B01D
33/58 20060101AFI20251002BHJP(物理的または化学的方法または装置一般)
要約
【課題】フラッシング水中の亜鉛等の汚染物質を従来よりも確実に除去する。
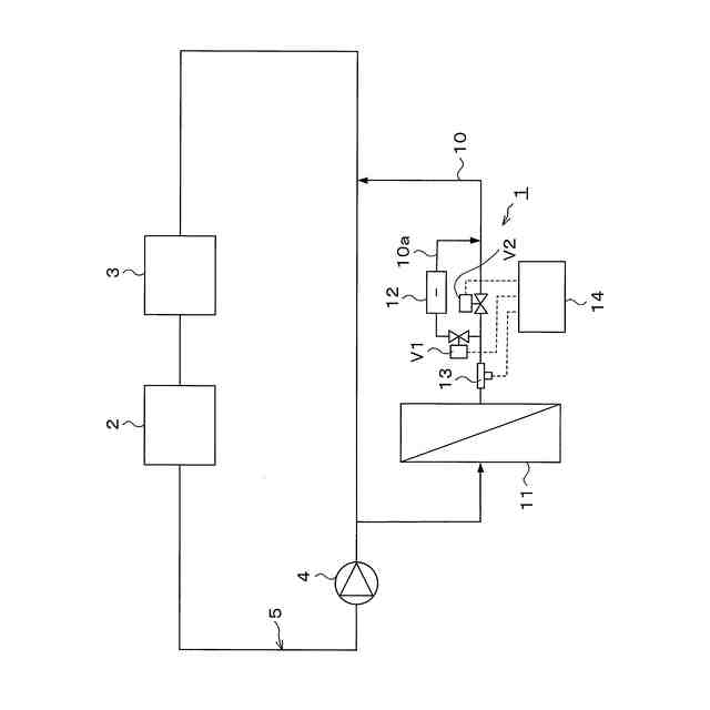
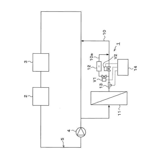
【解決手段】循環配管5からのフラッシング水を処理するシステムであって、フラッシング水をろ過するろ過装置11と、ろ過装置11の下流側でろ過装置11を通過したフラッシング水のpHを上昇させる、イオン交換樹脂12とを備えている。
【選択図】図1
特許請求の範囲
【請求項1】
配管系からのフラッシング水を処理するシステムであって、
前記フラッシング水をろ過するろ過手段と、前記フラッシング水のpHを上昇させるpH上昇手段と、を有し、
前記ろ過手段は、前記pH上昇手段によりpHを上昇させた前記フラッシング水をろ過することを特徴とする、フラッシング水処理システム。
続きを表示(約 740 文字)
【請求項2】
前記pH上昇手段は、前記フラッシング水のpHを8~9にまで上昇させるものであることを特徴とする、請求項1に記載のフラッシング水処理システム。
【請求項3】
前記pH上昇手段によってpHが上昇する前の前記フラッシング水は、前記ろ過手段ではろ過できない亜鉛を含有している、請求項1に記載のフラッシング水処理システム。
【請求項4】
前記pH上昇手段は、イオン交換樹脂であることを特徴とする、請求項1~3のいずれか一項に記載のフラッシング水処理システム。
【請求項5】
前記pH上昇手段は、前記ろ過手段の下流側に配置されていることを特徴とする、請求項1~3のいずれか一項に記載のフラッシング水処理システム。
【請求項6】
pHを上昇させて前記フラッシング水の溶存亜鉛を析出させ、当該析出した亜鉛を前記ろ過手段で捕集するようにした、請求項1~3のいずれか一項に記載のフラッシング水処理システム。
【請求項7】
pHを上昇させて前記フラッシング水の亜鉛粒子を肥大化させ、、当該肥大化した亜鉛を前記ろ過手段で捕集するようにした、請求項1~3のいずれか一項に記載のフラッシング水処理システム。
【請求項8】
配管系からのフラッシング水を処理する方法であって、
前記フラッシング水のpHを上昇させ、pHを上昇させた前記フラッシング水をろ過手段でろ過することを特徴とする、フラッシング水処理方法。
【請求項9】
前記配管系は循環系であり、フラッシング水の濁度が所定値になるまで繰り返してフラッシングを行うことを特徴とする、請求項8に記載のフラッシング水処理方法。
発明の詳細な説明
【技術分野】
【0001】
本発明は、フラッシング水処理システムおよびフラッシング水処理方法に関するものである。
続きを表示(約 1,600 文字)
【背景技術】
【0002】
例えば空調設備の熱源用配管には、配管用炭素鋼鋼管が多く使用されるが、配管工事施工後の配管内には、配管施工により発生した溶接スラグ、シールテープなどの異物、管材の削りかす、外部から侵入した砂、ほこりなどが入っている。また管材の内外面に亜鉛メッキを施したいわゆる白ガス管の場合には、さらに亜鉛が含まれている。これらを除去するため実際の運転前には、フラッシングが行なわれる。
【0003】
一般的なフラッシングは、フラッシング対象となる配管系統に対して、水の張替えや、水貼り後にポンプによって配管内を洗浄することによって行われるが、フラッシング後の排水については前記した亜鉛等の汚染物等が含まれているので環境等に配慮する必要がある。例えばフラッシング後の排水中の亜鉛は下水道法、水質汚濁防止法、各自治体の条例等によって厳しく規制されている。そのため、フラッシングを行なった後のフラッシング排水を外部に排出しない排水レスのフラッシングが注目を浴びている。
【0004】
かかる観点から、従来は特許文献1に示すように、フィルタによってフラッシング水をろ過して前記汚染物等を除去して排水するようにしていた。
【先行技術文献】
【特許文献】
【0005】
特許第7309490号公報
【発明の概要】
【発明が解決しようとする課題】
【0006】
しかしながら、そのようにフィルタによってフラッシング水をろ過しても、ろ過後のフラッシング水の濁度が低減できない現象が発生していた。そこで発明者が原因を調べたところ、フラッシング水のpHが原因であることがわかった。
【0007】
すなわち従来のフィルタによってフラッシング水をろ過する方式においては、フラッシング水のpHに対して格別留意していなかった。そのため例えば溶存亜鉛や細かい亜鉛粒子がフィルタでは捕集しきれず、その結果濁度も十分に低減できないことがあった。また溶存亜鉛や細かい亜鉛粒子が残存することで、配管系において腐食が進行することもあった。
この点に関し発明者の知見では、フラッシング水のpHをある程度上昇させると、溶存している亜鉛が析出し、フィルタ等で捕集することができる。
【0008】
本発明はかかる点に鑑みてなされたものであり、フラッシング水を処理する際に適したフラッシング水の処理システム、処理方法を提供して、前記問題の解決を図ることを目的としている。
【課題を解決するための手段】
【0009】
前記目的を達成するため、本発明は、配管系からのフラッシング水を処理するシステムであって、前記フラッシング水をろ過するろ過手段と、前記フラッシング水のpHを上昇させるpH上昇手段と、を有し、前記ろ過手段は、前記pH上昇手段によりpHを上昇させた前記フラッシング水をろ過することを特徴としている。
【0010】
本発明によれば、ろ過手段を通過したフラッシング水のpHを上昇させるpH上昇手段を有しているので、フラッシングを行なった後のフラッシング水の中の異物、不純物をろ過手段において例えばフィルタによって捕集した後の、フラッシング水のpHを上昇させることができる。それによって当該フラッシング水の、例えば溶存亜鉛を析出させたり、細かい粒子の形で存在している亜鉛粒子の径を肥大させることができる。これによってろ過手段のろ材、例えばフィルタによって捕集できない溶存亜鉛や微粒子の亜鉛を当該フィルタで捕集することができる。したがって、例えば析出した亜鉛の粒子が微粒子のまま残存して、腐食の原因となることも防止できる。
(【0011】以降は省略されています)
この特許をJ-PlatPat(特許庁公式サイト)で参照する
関連特許
他の特許を見る