TOP
|
特許
|
意匠
|
商標
特許ウォッチ
Twitter
他の特許を見る
10個以上の画像は省略されています。
公開番号
2025151566
公報種別
公開特許公報(A)
公開日
2025-10-09
出願番号
2024053070
出願日
2024-03-28
発明の名称
電動式移植作業車両
出願人
井関農機株式会社
代理人
弁理士法人酒井国際特許事務所
主分類
A01C
11/02 20060101AFI20251002BHJP(農業;林業;畜産;狩猟;捕獲;漁業)
要約
【課題】作業者が着座していなくても重量バランスがとれる電動式移植作業車両を提供すること。
【解決手段】実施形態の一態様に係る電動式移植作業車両は、走行車体の前側に座席フレーム構造を備える。電動式移植作業車両は、座席フレーム構造の上部に進行方向に対して後方向きに設けられる座席と、座席フレーム構造の下側に設けられる電動モータと、電動モータの上方に設けられ、電動モータに電力を供給するバッテリとを備える。電動式移植作業車両は、座席が傾倒されることでバッテリを交換可能である。
【選択図】図1
特許請求の範囲
【請求項1】
走行車体の前側に座席フレーム構造を備える電動式移植作業車両であって、
前記座席フレーム構造の上部に進行方向に対して後方向きに設けられる座席と、
前記座席フレーム構造の下側に設けられる電動モータと、
前記電動モータの上方に設けられ、前記電動モータに電力を供給するバッテリとを備え、
前記座席が傾倒されることで前記バッテリを交換可能である電動式移植作業車両。
続きを表示(約 440 文字)
【請求項2】
前記電動モータと前記バッテリとの後方にミッションケースが設けられ、
前記座席フレーム構造と前記ミッションケースとが連結され、
前記座席フレーム構造を支持し、鉛直方向に対して斜めに延びる支柱と、前記走行車体の後輪の昇降を可能とするレバー部とを備え、
前記支柱と前記レバー部との間に電動シリンダが設けられ、
前記電動シリンダの伸縮により前記走行車体を昇降させる請求項1に記載の電動式移植作業車両。
【請求項3】
前記走行車体の後側に植付部を備え、
移植用の作物を一時保管するテーブルと前記テーブルを支持するテーブルフレームとが前記植付部の上方に設けられ、
前記テーブルフレームから前記走行車体の後方へ延びるハンドルフレームが設けられ、
前記テーブル及び前記ハンドルフレームは、地面に対して平行になるように、予め登録された前記電動シリンダの伸び量に合わせて回動する請求項2に記載の電動式移植作業車両。
発明の詳細な説明
【技術分野】
【0001】
本発明は、電動式移植作業車両に関する。
続きを表示(約 1,500 文字)
【背景技術】
【0002】
従来、座席の下方に配置されたバッテリを備え、エンジンの作動時に発電機により発電された電力がバッテリに蓄電されて、バッテリから作業用電動モータに電力を供給する水田作業機が知られている(たとえば、特許文献1参照)。
【0003】
従来の発明においては、エンジンにより発電された電力を作業用電動モータの動力として利用する。作業用電動モータは、車体の後方に配置されており、作業機専用のモータである。バッテリは、座席の下方に配置されるが、前方の重量バランスをとるためのものではなく、車体の中央に配置される。従来の発明は、走行動力がエンジンから供給され、エンジンにより重量バランスがとられる。
【先行技術文献】
【特許文献】
【0004】
特開2023-173277号公報
【発明の概要】
【発明が解決しようとする課題】
【0005】
従来の発明においては、作業時と非作業時(走行時)とにかかわらず、常時、座席に作業者が着座する。しかしながら、電動式移植作業車両においては、作業時のみ座席に作業者が着座し、非作業時に座席から降りて車体の後方でハンドル操作が行われる。そのため、作業者が着座していなくても重量バランスがとれる電動式移植作業車両が求められていた。
【0006】
本発明は、上記に鑑みてなされたものであって、作業者が着座していなくても重量バランスがとれる電動式移植作業車両を提供することを目的とする。
【課題を解決するための手段】
【0007】
上述した課題を解決し、目的を達成するために、実施形態に係る電動式移植作業車両(1)は、走行車体(2)の前側に座席フレーム構造を備える電動式移植作業車両(1)であって、前記座席フレーム構造(31)の上部に進行方向に対して後方向きに設けられる座席(30)と、前記座席フレーム構造(31)の下側に設けられる電動モータ(4)と、前記電動モータ(4)の上方に設けられ、前記電動モータ(4)に電力を供給するバッテリ(10)とを備え、前記座席(30)が傾倒されることで前記バッテリ(10)を交換可能である。
【発明の効果】
【0008】
実施形態に係る充電システムによれば、作業者が着座していなくても重量バランスがとれる。
【図面の簡単な説明】
【0009】
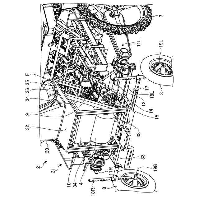
図1は、実施形態に係る電動式移植作業車両の全体構成を示す斜視図である。
図2は、実施形態に係る電動式移植作業車両の全体構成を示す左側面図である。
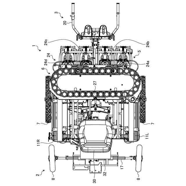
図3は、実施形態に係る電動式移植作業車両の全体構成を示す平面図である。
図4は、実施形態に係る電動式移植作業車両の拡大斜視図である。
図5は、マルチ用ビニールの説明図である。
図6は、畝の検知方法の説明図である。
図7は、畝の検知方法の説明図である。
図8は、畝の移動方法の説明図である。
図9は、畝の移動方法の説明図である。
図10は、苗を供給するカートリッジの説明図である。
図11は、苗を供給するカートリッジの説明図である。
図12は、苗を供給するカートリッジの説明図である。
図13は、移植機と除草機とを兼用できる電動式移植作業車両の説明図である。
【発明を実施するための形態】
【0010】
以下、添付図面を参照して本願の開示する移植機の実施形態を詳細に説明する。なお、以下に示す実施形態によりこの発明が限定されるものではない。
(【0011】以降は省略されています)
この特許をJ-PlatPat(特許庁公式サイト)で参照する
関連特許
個人
産卵床
9日前
個人
果実袋
9日前
個人
移動体草刈り機
9日前
個人
養殖器具
9日前
井関農機株式会社
圃場作業機
2日前
個人
粘着板で挟むネズミ捕り装置
9日前
個人
網口高さのベクトル底引き網
9日前
株式会社サワエ
害虫捕獲器
2日前
個人
つる状多肉植物の製造方法
6日前
個人
ルアーに可動式の顎を設けた疑似餌。
2日前
新・産業洗浄株式会社
陸上養殖装置
9日前
大王製紙株式会社
ペット用吸収性物品
2日前
星和電機株式会社
防爆形捕虫器
9日前
株式会社信日康
昆虫忌避剤を含有するポリマー
2日前
株式会社信日康
昆虫忌避剤を含有するポリマー
2日前
個人
長ネギ栽培装置
2日前
伊東電機株式会社
作業車両用アタッチメント
3日前
株式会社和田電業社
間伐システム及び間伐方法
3日前
CKD株式会社
栽培装置、及び栽培システム
2日前
ユニ・チャーム株式会社
ペット用おむつ
2日前
株式会社大林組
貝類養殖方法及び貝類養殖装置
2日前
日本製紙クレシア株式会社
ペット用吸収性物品
3日前
株式会社シマノ
ロッドケース
2日前
日産化学株式会社
有害生物防除剤組成物及び有害生物防除方法
9日前
井関農機株式会社
野菜収穫機
9日前
株式会社オーディオテクニカ
光照射装置及び害獣忌避装置
2日前
丸和バイオケミカル株式会社
粒剤
2日前
ミヨシ油脂株式会社
育苗培土用粒子含有物
2日前
井関農機株式会社
作業車両
4日前
井関農機株式会社
コンバイン
2日前
富士電機株式会社
太陽光発電システム及び制御装置
2日前
株式会社エヌ・ビー・エル
鶏卵センサ
2日前
グローブライド株式会社
制動力制御装置及びこれを備える魚釣用リール
2日前
ジャン,ソク ス
走行型スチーム雑草殺草機
2日前
サージミヤワキ株式会社
ワイヤーの架線用碍子
4日前
大成建設株式会社
緑化構造物および緑化方法
2日前
続きを見る
他の特許を見る