TOP
|
特許
|
意匠
|
商標
特許ウォッチ
Twitter
他の特許を見る
公開番号
2025150800
公報種別
公開特許公報(A)
公開日
2025-10-09
出願番号
2024051898
出願日
2024-03-27
発明の名称
混合装置
出願人
株式会社神戸製鋼所
代理人
弁理士法人ATEN
主分類
B29B
7/18 20060101AFI20251002BHJP(プラスチックの加工;可塑状態の物質の加工一般)
要約
【課題】混合室からの材料の排出時に、混合室の底部に材料が残ることを抑制する。
【解決手段】混合装置1は、材料が混合される混合室10を備える。混合室10は、混合室底部30と、混合室底部30に設けられる混合室排出口20と、を備える。混合室10の内部に配置されるロータ40の回転軸が延びる方向を、ロータ軸方向(X)とする。混合室底部30は、材料排出傾斜部137を備える。材料排出傾斜部137は、ロータ軸方向(X)および鉛直方向(Z)のそれぞれに直交する方向(Y)から見たときに、混合室底部30のロータ軸方向(X)における外側部分から混合室排出口20に向かって下向き(Z2)に傾斜する。
【選択図】図4
特許請求の範囲
【請求項1】
材料が混合される混合室を備え、
前記混合室は、
前記混合室の下側部分である混合室底部と、
前記混合室底部に設けられ、前記材料が通ることが可能な混合室排出口と、
を備え、
前記混合室の内部に配置されるロータの回転軸が延びる方向をロータ軸方向としたとき、
前記混合室底部は、前記ロータ軸方向および鉛直方向のそれぞれに直交する方向から見たときに、前記混合室底部の前記ロータ軸方向における外側部分から前記混合室排出口に向かって下向きに傾斜する材料排出傾斜部を備える、
混合装置。
続きを表示(約 480 文字)
【請求項2】
請求項1に記載の混合装置であって、
前記混合室の内部に配置され、前記材料を混合するロータと、
前記混合室排出口を開閉する蓋と、
を備え、
前記蓋が前記混合室排出口を閉じた状態のとき、前記蓋の上端部は、前記混合室排出口の上端部よりも、上側に配置される、
混合装置。
【請求項3】
請求項2に記載の混合装置であって、
前記蓋が前記混合室排出口を閉じた状態のとき、前記蓋の上端部は、前記材料排出傾斜部の上端部と同じ高さに配置される、
混合装置。
【請求項4】
請求項1に記載の混合装置であって、
前記蓋が前記混合室排出口を閉じた状態のとき、前記蓋の外周部の上端部は、前記混合室排出口の内周部の上端部と上下方向に連続するように配置される、
混合装置。
【請求項5】
請求項1に記載の混合装置であって、
前記混合室は、超臨界状態または亜臨界状態の作動流体の存在下で、前記材料が混合される部分である、
混合装置。
発明の詳細な説明
【技術分野】
【0001】
本発明は、材料を混合する混合装置に関する。
続きを表示(約 1,100 文字)
【背景技術】
【0002】
例えば特許文献1に、混合装置(同文献ではゴム混練機)の混合室(同文献では混練室)の排出口から材料(同文献ではゴム)が排出されることが記載されている。
【先行技術文献】
【特許文献】
【0003】
特開2006-218691号公報
【発明の概要】
【発明が解決しようとする課題】
【0004】
混合室から材料を排出する時に、混合室の底部の材料が排出口に入らず、混合室の底部に材料が残る場合がある。
【0005】
そこで、本発明は、混合室からの材料の排出時に、混合室の底部に材料が残ることを抑制することができる、混合装置を提供することを目的とする。
【課題を解決するための手段】
【0006】
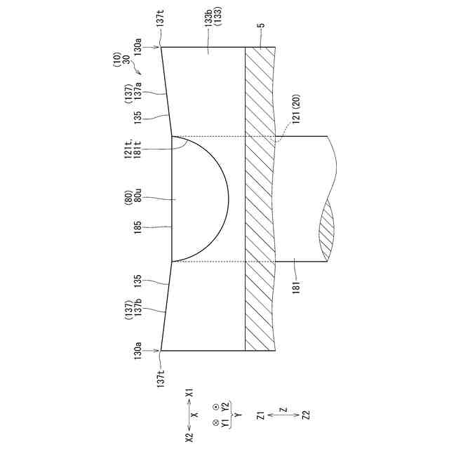
混合装置は、材料が混合される混合室を備える。前記混合室は、混合室底部と、混合室排出口と、を備える。前記混合室底部は、前記混合室の下側部分である。前記混合室排出口は、前記混合室底部に設けられ、前記材料が通ることが可能である。前記混合室の内部に配置されるロータの回転軸が延びる方向をロータ軸方向とする。前記混合室底部は、材料排出傾斜部を備える。前記材料排出傾斜部は、前記ロータ軸方向および鉛直方向のそれぞれに直交する方向から見たときに、前記混合室底部の前記ロータ軸方向における外側部分から前記混合室排出口に向かって下向きに傾斜する。
【発明の効果】
【0007】
上記の混合装置により、混合室からの材料の排出時に、混合室の底部に材料が残ることを抑制することができる。
【図面の簡単な説明】
【0008】
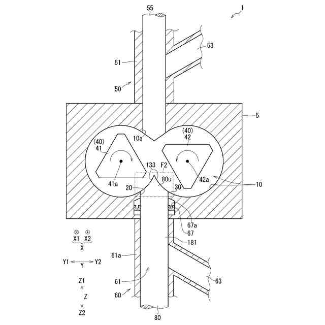
混合装置1を前後方向Xから見た断面図である。
図1に示すF2部分を拡大した図である。
図2のF3矢視図であり、図1に示す混合室底部30などを上側Z1から見た図である。
図2のF4矢視図であり、図1に示す混合室底部30などを右側Y2から見た図である。
変形例1の蓋上部80uなどを示す図4相当図である。
変形例2の蓋上部80uなどを示す図2相当図である。
変形例2の蓋上部80uなどを示す図4相当図であり、図5のF7矢視図である。
【発明を実施するための形態】
【0009】
図1~図4を参照して、実施形態の混合装置1について説明する。
【0010】
混合装置1は、図1に示すように、材料を混合する装置である。混合装置1で行われる「混合」は、混練でもよく(混合装置1は混練装置でもよく)、攪拌でもよい(混合装置1は攪拌装置でもよい)。混合装置1は、例えばバッチ式である。
(【0011】以降は省略されています)
この特許をJ-PlatPat(特許庁公式サイト)で参照する
関連特許
株式会社神戸製鋼所
銅合金
24日前
株式会社神戸製鋼所
接点材料
22日前
株式会社神戸製鋼所
ボルト用鋼
1か月前
株式会社神戸製鋼所
浸炭窒化鋼材
1か月前
株式会社神戸製鋼所
出湯用スリーブ
9日前
株式会社神戸製鋼所
熱交換システム
22日前
株式会社神戸製鋼所
圧縮機ユニット
1か月前
株式会社神戸製鋼所
再生ゴム製造方法
9日前
株式会社神戸製鋼所
ステッピングモータ
1か月前
株式会社神戸製鋼所
アルミニウム合金押出材
1か月前
株式会社神戸製鋼所
微小構造物及びその製造方法
3日前
株式会社神戸製鋼所
異種金属接合体及びその製造方法
1か月前
株式会社神戸製鋼所
溶接金属、溶接継手及び溶接構造物
1か月前
株式会社神戸製鋼所
水素供給システムおよび水素供給方法
1か月前
株式会社神戸製鋼所
カップリング組付用治具及び治具付き押出機
1か月前
株式会社神戸製鋼所
密閉型混練機及び密閉型混練機用混練ロータ
9日前
株式会社神戸製鋼所
アルミニウム合金熱間鍛造材及びその製造方法
1か月前
株式会社神戸製鋼所
制御方法、溶接電源、溶接システム及び制御プログラム
1か月前
株式会社神戸製鋼所
ガス供給システム改良方法及びガス供給システム改良装置
1か月前
株式会社神戸製鋼所
二酸化炭素排出量演算システム、該方法および該プログラム
25日前
株式会社神戸製鋼所
二酸化炭素排出量演算システム、該方法および該プログラム
24日前
株式会社神戸製鋼所
二酸化炭素排出量演算システム、該方法および該プログラム
22日前
株式会社神戸製鋼所
サイドドア
1か月前
株式会社神戸製鋼所
タブ用アルミニウム合金塗装板
3日前
株式会社神戸製鋼所
ガスシールドアーク溶接用フラックス入りワイヤ及びガスシールドアーク溶接方法
1か月前
株式会社神戸製鋼所
冷間圧延用の鋼板の製造方法および冷間圧延鋼板の製造方法
1か月前
株式会社神戸製鋼所
遠隔監視システム、遠隔監視方法、データ処理装置、データ処理方法、端末装置およびその制御方法、並びにプログラム
1か月前
個人
気泡緩衝材減容装置
2か月前
豊田鉄工株式会社
金型
4か月前
CKD株式会社
型用台車
11か月前
シーメット株式会社
光造形装置
11か月前
東レ株式会社
フィルムの製造方法
8か月前
東レ株式会社
フィルムの製造方法
4か月前
グンゼ株式会社
ピン
11か月前
株式会社 型善
射出成形型
10日前
東レ株式会社
フィルムの製造方法
4か月前
続きを見る
他の特許を見る