TOP
|
特許
|
意匠
|
商標
特許ウォッチ
Twitter
他の特許を見る
10個以上の画像は省略されています。
公開番号
2025149556
公報種別
公開特許公報(A)
公開日
2025-10-08
出願番号
2024050282
出願日
2024-03-26
発明の名称
アンテナ付高周波モジュール
出願人
ローム株式会社
代理人
弁理士法人太陽国際特許事務所
主分類
H01Q
1/22 20060101AFI20251001BHJP(基本的電気素子)
要約
【課題】アンテナ付高周波モジュールの小型化を図り、且つアンテナの配置の柔軟性を高める。
【解決手段】アンテナ付高周波モジュールは、高周波回路と、高周波回路からの信号を出力する接続部材と、を備えた回路基板と、回路基板上で高周波回路を覆って電磁波を遮蔽し、接続部材の先端側を突出させる突出部を備えたシールドケースと、接続部材に接続されているアンテナパターンを備えているアンテナ基板と、シールドケースにおいて回路基板の上面に設けられ、アンテナパターンのアンテナ線がシールドケースと重ならない位置でアンテナ基板をシールドケースに固定する固定部材と、を有する。
【選択図】図1
特許請求の範囲
【請求項1】
高周波回路と、前記高周波回路からの信号を出力する接続部材と、を備えた回路基板と、
前記回路基板上で前記高周波回路を覆って電磁波を遮蔽し、前記接続部材の先端側を突出させる突出部を備えたシールドケースと、
前記接続部材に接続されているアンテナパターンを備えているアンテナ基板と、
前記シールドケースに設けられ、前記アンテナパターンのアンテナ線が前記シールドケースと重ならない位置で前記アンテナ基板を前記シールドケースに固定する固定部材と、
を有するアンテナ付高周波モジュール。
続きを表示(約 830 文字)
【請求項2】
前記突出部は、前記シールドケースにおいて前記回路基板と対向する天板を貫通し、前記天板の縁部に開放されている切欠である、請求項1に記載のアンテナ付高周波モジュール。
【請求項3】
前記固定部材は、
前記天板の表面に形成された半田レジストと、
前記半田レジストの開口に設けられた金属部材と、
前記アンテナ基板を前記金属部材に固定する半田と、
を含む請求項2に記載のアンテナ付高周波モジュール。
【請求項4】
前記金属部材の表面は、前記天板の表面より凹んでいる開口凹部である請求項3に記載のアンテナ付高周波モジュール。
【請求項5】
前記固定部材は、前記天板に設けられた金属製の突起と、
前記アンテナ基板を前記突起に固定する半田と、
を含む請求項2に記載のアンテナ付高周波モジュール。
【請求項6】
前記突起は、前記天板を部分的に切り起こした形状である、請求項5に記載のアンテナ付高周波モジュール。
【請求項7】
前記切欠の幅方向の縁部から前記回路基板に延出されて前記回路基板に接触する接触片を有する請求項2に記載のアンテナ付高周波モジュール。
【請求項8】
前記接触片は、前記切欠の幅方向の一方の辺において前記天板を折り曲げて形成されている、請求項7に記載のアンテナ付高周波モジュール。
【請求項9】
前記接触片は、前記切欠の幅方向の両方の辺において前記天板を折り曲げて形成されている、請求項7に記載のアンテナ付高周波モジュール。
【請求項10】
前記回路基板における前記高周波回路が備えられた面に収容凹部が設けられ、
前記接続部材の基端側が前記収容凹部に収容されている請求項1に記載のアンテナ付高周波モジュール。
(【請求項11】以降は省略されています)
発明の詳細な説明
【技術分野】
【0001】
本開示は、アンテナ付高周波モジュールに関する。
続きを表示(約 1,300 文字)
【背景技術】
【0002】
特許文献1には、多層基板の一端側部分から中央部分に、高周波モジュールのBBIC、メモリIC、水晶発振子および表面実装部品などが形成され、多層基板の他端側部分にはアンテナが形成される、モジュール一体型アンテナが記載されている。多層基板の一端側部分から中央部分の上面には、BBIC、メモリIC、水晶発振子および表面実装部品を覆うようにして、キャップ状の金属ケースが取り付けられている。
【0003】
特許文献2には、無線信号の処理を行う通信回路と、通信回路に覆設されたシールド部材と、通信回路に電気的に接続された導電片と、シールド部材及び導電片と一体化された誘電体と、誘電体の外表面に形成され、導電片に電気的に接続されたアンテナとを備えるアンテナモジュールが記載されている。
【先行技術文献】
【特許文献】
【0004】
特開2003-188626号公報
特開2019-186824号公報
【発明の概要】
【発明が解決しようとする課題】
【0005】
高周波回路からの信号をアンテナから発信するアンテナ付高周波モジュールでは、高周波回路からの電磁波の漏洩によるノイズがシールドケースによって抑制される。このようなアンテナ付高周波モジュールでは、アンテナの配置の自由度を高めると共に、モジュール全体を小型化することが望まれる。
【0006】
例えば、特許文献1に記載の技術では、多層基板上に、各種の表面実装部品とアンテナとが並べて配置されているため、多層基板に大きな表面積が必要である。
【0007】
特許文献2に記載の技術では、シールド部材上の誘電体の外表面にアンテナが形成されている。しかし、特許文献2に記載の構成において、アンテナとして線状アンテナを設ける場合には、誘電体層を厚くしないと、アンテナからの電磁波の放射が損なわれるため、アンテナモジュール全体としても厚くなる。しかも、シールド部材上の誘電体にさらにアンテナを形成するので、アンテナの配置(形状や実装位置)の柔軟性に欠ける。
【0008】
本開示は、アンテナ付高周波モジュールの小型化を図り、且つアンテナの配置の柔軟性を高めることを目的とする。
【課題を解決するための手段】
【0009】
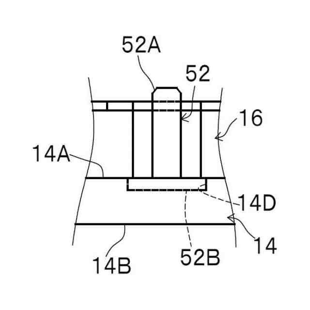
本開示のアンテナ付高周波モジュールは、高周波回路と、前記高周波回路からの信号を出力する接続部材と、を備えた回路基板と、前記回路基板上で前記高周波回路を覆って電磁波を遮蔽し、前記接続部材の先端側を突出させる突出部を備えたシールドケースと、前記接続部材に接続されているアンテナパターンを備えているアンテナ基板と、前記シールドケースに設けられ、前記アンテナパターンのアンテナ線が前記シールドケースと重ならない位置で前記アンテナ基板を前記シールドケースに固定する固定部材と、を有する。
【発明の効果】
【0010】
本開示によれば、アンテナ付高周波モジュールの小型化を図り、且つアンテナの配置の柔軟性を高めることができる。
【図面の簡単な説明】
(【0011】以降は省略されています)
この特許をJ-PlatPat(特許庁公式サイト)で参照する
関連特許
APB株式会社
蓄電セル
22日前
東ソー株式会社
絶縁電線
24日前
個人
フレキシブル電気化学素子
1か月前
ローム株式会社
半導体装置
23日前
ローム株式会社
半導体装置
1か月前
株式会社東芝
端子台
16日前
マクセル株式会社
電源装置
16日前
日新イオン機器株式会社
イオン源
1か月前
株式会社ユーシン
操作装置
1か月前
株式会社GSユアサ
蓄電装置
17日前
株式会社ホロン
冷陰極電子源
1か月前
株式会社GSユアサ
蓄電設備
1か月前
株式会社GSユアサ
蓄電設備
1か月前
三菱電機株式会社
回路遮断器
3日前
太陽誘電株式会社
コイル部品
1か月前
株式会社GSユアサ
蓄電装置
17日前
オムロン株式会社
電磁継電器
1か月前
株式会社GSユアサ
蓄電装置
9日前
日新イオン機器株式会社
基板処理装置
19日前
トヨタ自動車株式会社
バッテリ
1か月前
トヨタ自動車株式会社
冷却構造
24日前
トヨタ自動車株式会社
バッテリ
22日前
日本特殊陶業株式会社
保持装置
8日前
日東電工株式会社
積層体
1か月前
ノリタケ株式会社
熱伝導シート
1か月前
北道電設株式会社
配電具カバー
22日前
トヨタ自動車株式会社
蓄電装置
17日前
日本特殊陶業株式会社
保持装置
25日前
サクサ株式会社
電池の固定構造
1か月前
トヨタ自動車株式会社
蓄電装置
1か月前
東レエンジニアリング株式会社
実装装置
1か月前
株式会社デンソー
電子装置
19日前
SMK株式会社
キートップ及びスイッチ
1か月前
古河電気工業株式会社
端子
1か月前
日亜化学工業株式会社
半導体レーザ素子
19日前
トヨタ自動車株式会社
密閉型電池
18日前
続きを見る
他の特許を見る