TOP
|
特許
|
意匠
|
商標
特許ウォッチ
Twitter
他の特許を見る
10個以上の画像は省略されています。
公開番号
2025147762
公報種別
公開特許公報(A)
公開日
2025-10-07
出願番号
2024048168
出願日
2024-03-25
発明の名称
部品調達能力推定装置、部品調達能力推定システム、部品調達能力推定方法およびプログラム
出願人
三菱電機株式会社
代理人
個人
,
個人
,
個人
,
個人
,
個人
,
個人
主分類
G06Q
50/04 20120101AFI20250930BHJP(計算;計数)
要約
【課題】部品欠品の事前検知を支援する。
【解決手段】部品調達能力推定装置1は、過去の部品単位での希望納期と納入日との誤差および注文数量と納入数量との誤差を算出する部品注文納入誤差算出部12と、過去の部品単位での部品所要日と納入日との誤差および部品所要量と納入数量との誤差を算出する部品所要納入誤差算出部14と、単位期間ごとの部品単位での希望納期と納入日との誤差および注文数量と納入数量との誤差を係数で表した部品注文ベースの部品納入誤差係数、ならびに、単位期間ごとの部品単位での部品所要日と納入日との誤差および部品所要量と納入数量との誤差を係数で表した製品生産ベースの部品納入誤差係数を算出する部品納期誤差係数算出部15と、部品納入誤差係数を用いて、単位期間ごとの部品の納入実績に基づいて、部品注文ベースおよび製品生産ベースの部品調達能力を算出する部品調達能力算出部17とを備える。
【選択図】図1
特許請求の範囲
【請求項1】
製品の生産に使用される部品のサプライヤからの部品調達能力を推定する部品調達能力推定装置であって、
過去の部品単位での希望納期と納入日との誤差および注文数量と納入数量との誤差を算出する部品注文納入誤差算出部と、
過去の部品単位での部品所要日と納入日との誤差および部品所要量と納入数量との誤差を算出する部品所要納入誤差算出部と、
単位期間ごとの部品単位での希望納期と納入日との誤差および注文数量と納入数量との誤差を係数で表した部品注文ベースの部品納入誤差係数、ならびに、前記単位期間ごとの部品単位での部品所要日と納入日との誤差および部品所要量と納入数量との誤差を係数で表した製品生産ベースの部品納入誤差係数を算出する部品納期誤差係数算出部と、
前記部品注文ベースの部品納入誤差係数および前記製品生産ベースの部品納入誤差係数を用いて、前記単位期間ごとの前記部品の納入実績に基づいて、前記単位期間ごとの部品注文ベースの部品調達能力および前記単位期間ごとの製品生産ベースの部品調達能力を算出する部品調達能力算出部と、
を備える部品調達能力推定装置。
続きを表示(約 2,600 文字)
【請求項2】
注文番号単位のサプライヤへの前記部品の注文実績を示す部品注文実績情報を記憶する部品注文実績記憶部と、
前記注文番号単位のサプライヤからの前記部品の納入実績を示す部品納入実績情報を記憶する部品納入実績記憶部と、
をさらに備え、
前記部品注文納入誤差算出部は、前記部品注文実績情報および前記部品納入実績情報に基づいて、前記部品単位での希望納期と納入日との誤差および注文数量と納入数量との誤差を算出する、
請求項1に記載の部品調達能力推定装置。
【請求項3】
前記製品の生産台数実績を示す製品生産実績情報を記憶する製品生産実績記憶部と、
前記製品を構成する部品一覧を示す構成部品一覧情報を記憶する構成部品一覧記憶部と、
前記製品生産実績情報および前記構成部品一覧情報に基づいて、前記部品の部品所要日および部品所要量を算出する部品所要量算出部と、
をさらに備え、
前記部品所要納入誤差算出部は、前記部品納入実績情報と前記部品所要量算出部が算出した前記部品の部品所要日および部品所要量とに基づいて、前記部品単位での部品所要日と納入日との誤差および部品所要量と納入数量との誤差を算出する、
請求項2に記載の部品調達能力推定装置。
【請求項4】
前記部品納入実績情報に基づいて、前記単位期間内の部品納入数量を合計した前記単位期間ごとの部品納入数量を算出する単位期間部品納入実績算出部をさらに備え、
前記部品納期誤差係数算出部は、前記単位期間部品納入実績算出部が算出した前記単位期間ごとの部品納入数量に基づいて、前記部品注文ベースの部品納入誤差係数、および、前記製品生産ベースの部品納入誤差係数を算出する、
請求項2または3に記載の部品調達能力推定装置。
【請求項5】
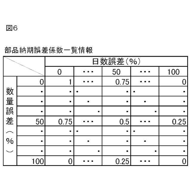
前記部品納期誤差係数算出部は、前記部品納入実績算出部が算出した前記単位期間ごとの部品納入数量に基づいて、日数誤差の割合を横軸、数量誤差の割合を縦軸とし、注文および所要からの誤差を表すパラメータ係数を示すマトリクスである部品納期誤差係数一覧を用いて、前記部品注文ベースの部品納入誤差係数、および、前記製品生産ベースの部品納入誤差係数を算出する、
請求項4に記載の部品調達能力推定装置。
【請求項6】
前記部品調達能力算出部が算出した前記単位期間ごとの部品注文ベースの部品調達能力および前記単位期間ごとの製品生産ベースの部品調達能力を示す部品調達能力情報を出力する部品調達能力出力部をさらに備える、
請求項1または2に記載の部品調達能力推定装置。
【請求項7】
需要予測に対応する製品の生産に必要な前記単位期間ごとの予測部品所要量を取得する予測部品所要量取得部と、
前記部品調達能力算出部が算出した前記単位期間ごとの部品注文ベースの部品調達能力および前記単位期間ごとの製品生産ベースの部品調達能力の少なくともいずれかと前記予測部品所要量取得部が取得した前記単位期間ごとの前記予測部品所要量とを比較する比較部と、
すべての部品について前記部品調達能力よりも前記予測部品所要量の方が小さい場合は部品欠品が発生する可能性はないと判定し、前記部品調達能力よりも前記予測部品所要量の方が大きい部品がある場合は部品欠品が発生する可能性があると判定する判定部と、
をさらに備える、
請求項1または2に記載の部品調達能力推定装置。
【請求項8】
請求項7に記載の部品調達能力推定装置と、前記製品の需要予測を行う需要予測装置とを備え、
前記予測部品所要量取得部は、前記需要予測装置から前記予測部品所要量を取得する、または、前記需要予測装置から前記製品の需要予測を取得し、前記製品の需要予測に基づいて前記予測部品所要量を算出する、
部品調達能力推定システム。
【請求項9】
製品の生産に使用される部品のサプライヤからの部品調達能力を推定する部品調達能力推定装置が実行する、
過去の部品単位での希望納期と納入日との誤差および注文数量と納入数量との誤差を算出するステップと、
過去の部品単位での部品所要日と納入日との誤差および部品所要量と納入数量との誤差を算出するステップと、
単位期間ごとの部品単位での希望納期と納入日との誤差および注文数量と納入数量との誤差を係数で表した部品注文ベースの部品納入誤差係数、ならびに、前記単位期間ごとの部品単位での部品所要日と納入日との誤差および部品所要量と納入数量との誤差を係数で表した製品生産ベースの部品納入誤差係数を算出するステップと、
前記部品注文ベースの部品納入誤差係数および前記製品生産ベースの部品納入誤差係数を用いて、前記単位期間ごとの前記部品の納入実績に基づいて、前記単位期間ごとの部品注文ベースの部品調達能力および前記単位期間ごとの製品生産ベースの部品調達能力を算出するステップと、
を備える部品調達能力推定方法。
【請求項10】
コンピュータを、
過去の部品単位での希望納期と納入日との誤差および注文数量と納入数量との誤差を算出する部品注文納入誤差算出部、
過去の部品単位での部品所要日と納入日との誤差および部品所要量と納入数量との誤差を算出する部品所要納入誤差算出部、
単位期間ごとの部品単位での希望納期と納入日との誤差および注文数量と納入数量との誤差を係数で表した部品注文ベースの部品納入誤差係数と、前記単位期間ごとの部品単位での部品所要日と納入日との誤差および部品所要量と納入数量との誤差を係数で表した製品生産ベースの部品納入誤差係数とを算出する部品納期誤差係数算出部、ならびに、
前記部品注文ベースの部品納入誤差係数および前記製品生産ベースの部品納入誤差係数を用いて、前記単位期間ごとの前記部品の納入実績に基づいて、前記単位期間ごとの部品注文ベースの部品調達能力および前記単位期間ごとの製品生産ベースの部品調達能力を算出する部品調達能力算出部、
として機能させるプログラム。
発明の詳細な説明
【技術分野】
【0001】
本開示は、部品調達能力推定装置、部品調達能力推定システム、部品調達能力推定方法およびプログラムに関する。
続きを表示(約 1,900 文字)
【背景技術】
【0002】
グローバル化が進展する製造業において、サプライチェーンの寸断、停滞などのリスクに対応するために企業間サプライチェーンコントロールは必須である。特に、サプライヤと工場との間の連携においては、サプライヤから納期回答の際に部品欠品が発覚することが多く、該当部品を使用する製品が生産・出荷できず、甚大な販売機会損失が発生することがある。上記の課題を解決するため、需要に対する部品欠品を工場側で事前検知することが求められる。部品欠品を検知するためにはサプライヤからの部品調達能力を把握する必要がある。
【0003】
特許文献1には、販売、製造、供給のサプライチェーンにおいて、販売側の製品需要予測情報と供給側の部品納入予定情報を用いて、製品需要計画を算出する方法が開示されている。
【先行技術文献】
【特許文献】
【0004】
特開2003-48621号公報
【発明の概要】
【発明が解決しようとする課題】
【0005】
特許文献1に記載の技術では、販売、製造、供給のサプライチェーン上の業務データを活用して、部品安全在庫および部品納入予定を算出することはできるが、部品欠品を事前検知するために必要なサプライヤからの部品調達能力を算出することはできない。
【0006】
本開示は、上記のような問題点を解決するためになされたものであり、部品欠品の事前検知を支援することを目的とする。
【課題を解決するための手段】
【0007】
上記目的を達成するため、本開示に係る部品調達能力推定装置は、製品の生産に使用される部品のサプライヤからの部品調達能力を推定する部品調達能力推定装置である。部品調達能力推定装置は、部品注文納入誤差算出部と、部品所要納入誤差算出部と、部品納期誤差係数算出部と、部品調達能力算出部とを備える。部品注文納入誤差算出部は、過去の部品単位での希望納期と納入日との誤差および注文数量と納入数量との誤差を算出する。部品所要納入誤差算出部は、過去の部品単位での部品所要日と納入日との誤差および部品所要量と納入数量との誤差を算出する。部品納期誤差係数算出部は、単位期間ごとの部品単位での希望納期と納入日との誤差および注文数量と納入数量との誤差を係数で表した部品注文ベースの部品納入誤差係数、ならびに、単位期間ごとの部品単位での部品所要日と納入日との誤差および部品所要量と納入数量との誤差を係数で表した製品生産ベースの部品納入誤差係数を算出する。部品調達能力算出部は、部品注文ベースの部品納入誤差係数および製品生産ベースの部品納入誤差係数を用いて、単位期間ごとの部品の納入実績に基づいて、単位期間ごとの部品注文ベースの部品調達能力および単位期間ごとの製品生産ベースの部品調達能力を算出する。
【発明の効果】
【0008】
本開示によれば、サプライヤからの部品調達能力を算出することで、部品欠品の事前検知を支援することが可能になる。
【図面の簡単な説明】
【0009】
実施の形態に係る部品調達能力推定装置の構成例を示す図
実施の形態に係る部品注文実績情報の例を示す図
実施の形態に係る部品納入実績情報の例を示す図
実施の形態に係る製品生産実績情報の例を示す図
実施の形態に係る構成部品一覧情報の例を示す図
実施の形態に係る部品納期誤差係数一覧情報の例を示す図
実施の形態に係る部品注文納入誤差情報の例を示す図
実施の形態に係る部品所要量情報の例を示す図
実施の形態に係る部品所要納入誤差情報の例を示す図
実施の形態に係る部品納期誤差係数情報の例を示す図
実施の形態に係る月次部品納入実績情報の例を示す図
実施の形態に係る部品調達能力情報の例を示す図
実施の形態に係る部品調達能力推定処理を示すフローチャート
実施の形態に係る部品調達能力推定装置を用いたサプライチェーンコントロールを示す図
実施の形態に係る部品調達能力推定装置のハードウェア構成の一例を示す図
【発明を実施するための形態】
【0010】
以下に、本実施の形態に係る部品調達能力推定装置、部品調達能力推定システム、部品調達能力推定方法およびプログラムについて図面を参照して詳細に説明する。なお、図中同一または相当する部分には同じ符号を付す。
(【0011】以降は省略されています)
この特許をJ-PlatPat(特許庁公式サイト)で参照する
関連特許
個人
詐欺保険
1か月前
個人
縁伊達ポイン
1か月前
個人
職業自動販売機
2日前
個人
5掛けポイント
9日前
個人
RFタグシート
20日前
個人
ペルソナ認証方式
17日前
個人
QRコードの彩色
1か月前
個人
地球保全システム
1か月前
個人
自動調理装置
19日前
個人
情報処理装置
12日前
個人
農作物用途分配システム
1か月前
個人
表変換編集支援システム
2か月前
個人
残土処理システム
1か月前
個人
サービス情報提供システム
4日前
個人
タッチパネル操作指代替具
26日前
個人
インターネットの利用構造
16日前
個人
知的財産出願支援システム
1か月前
個人
スケジュール調整プログラム
25日前
個人
パスワード管理支援システム
2か月前
個人
携帯端末障害問合せシステム
25日前
個人
エリアガイドナビAIシステム
17日前
株式会社キーエンス
受発注システム
1か月前
株式会社キーエンス
受発注システム
1か月前
株式会社キーエンス
受発注システム
1か月前
個人
AIキャラクター制御システム
2か月前
個人
システム及びプログラム
1か月前
個人
食品レシピ生成システム
1か月前
個人
海外支援型農作物活用システム
1か月前
個人
社会還元・施設向け供給支援構造
2か月前
キヤノン株式会社
印刷システム
25日前
株式会社ワコム
電子ペン
11日前
トヨタ自動車株式会社
通知装置
23日前
株式会社ケアコム
項目選択装置
12日前
株式会社ケアコム
項目選択装置
12日前
大同特殊鋼株式会社
疵判定方法
1か月前
個人
音声対話型帳票生成支援システム
2か月前
続きを見る
他の特許を見る