TOP
|
特許
|
意匠
|
商標
特許ウォッチ
Twitter
他の特許を見る
公開番号
2025147112
公報種別
公開特許公報(A)
公開日
2025-10-06
出願番号
2024046082
出願日
2024-03-22
発明の名称
遊技機
出願人
サミー株式会社
代理人
個人
主分類
A63F
7/02 20060101AFI20250926BHJP(スポーツ;ゲーム;娯楽)
要約
【課題】 円滑に遊技を進行できる遊技機の提供が望まれている。
【解決手段】 導電性を有する第1の板金と第2の板金とを有しており、第1の板金には、押し出されることで形成された凹凸部を有しており、凹凸部における第1の板金の第1の面側には、所定の深さの凹みを有する凹部を有しており、凹凸部における第1の板金の第2の面側には、特定の高さの突起を有する突出部を有しており、第2の板金は、穴である穴部を有しており、第1の板金と第2の板金とは、穴部に突出部が挿入されることによって係合しており、前記所定の深さは、第1の板金の厚みの半分よりも短い。
【選択図】 図279
特許請求の範囲
【請求項1】
導電性を有する第1の板金と第2の板金とを有しており、
第1の板金には、押し出されることで形成された凹凸部を有しており、
凹凸部における第1の板金の第1の面側には、所定の深さの凹みを有する凹部を有しており、
凹凸部における第1の板金の第2の面側には、特定の高さの突起を有する突出部を有しており、
第2の板金は、穴である穴部を有しており、
第1の板金と第2の板金とは、穴部に突出部が挿入されることによって係合しており、
前記所定の深さは、第1の板金の厚みの半分よりも短い
ことを特徴とする遊技機。
発明の詳細な説明
【技術分野】
【0001】
遊技機に関する。
続きを表示(約 11,000 文字)
【背景技術】
【0002】
近年のぱちんこ遊技機としては、遊技盤面(遊技領域)上の始動口に遊技球が入球したことを契機として所定確率の大当り抽選がなされ、当該大当り抽選に当選した場合には大当り(特別遊技)状態へと移行し、遊技盤面に備えられた大入賞口が開放して大量の賞球を獲得できるぱちんこ遊技機が主流である。このように構成されたぱちんこ遊技機の内には、当該大当り抽選における当選確率を上昇させる確率変動遊技状態や当該大当り抽選における抽選結果を報知するための図柄変動の効率を上昇させる時間短縮遊技状態等を備え、これら遊技状態によって遊技者にとって有利な遊技進行状態を創り出すことで遊技の興趣性を高める遊技機も存在している。また、遊技盤面の構成を工夫したり、演出内容を工夫することで遊技の興趣性を高める遊技機も存在している。
回胴式遊技機(スロットマシン)は、所定数の遊技メダルを投入後に遊技開始指示装置(スタートレバー)が操作されたことを契機として1ゲームが開始されて、複数の図柄が外周上に配置された複数列の回胴(リール)が回転動作し、当該回転動作を停止させるための回胴停止装置(ストップボタン)を駆使して回胴を停止させた結果、有効ライン上に所定の図柄の組合せ(例えば「777」等の入賞役)が並んだ場合には、通常遊技状態よりも遊技者にとって利益状態の高い特別遊技状態(通常時よりも小役等の抽選確率が上昇する遊技状態)に移行するタイプのものが一般的である。ここで、回胴式遊技機においては、遊技の興趣性を高めるための演出用の画像等が、リールの回転動作及び停止動作とシンクロした形で、液晶等のディスプレイ上にて表示される場合があり、回胴停止装置等を操作した際に、回胴上に表示された図柄とディスプレイ上に表示された演出用の画像等とを見比べながら、遊技の結果を予測して楽しむよう構成されているものが多い。また、遊技機に何らかの異常が発生した場合には遊技の進行が停止するエラーとなり得るよう構成されているものも多い。
【先行技術文献】
【特許文献】
【0003】
特開2023-6906号公報
特開2023-146224号公報
特開平6-203924号公報
特開2004-171200号公報
特開2004-266107号公報
【発明の概要】
【発明が解決しようとする課題】
【0004】
円滑に遊技を進行できる遊技機の提供が望まれている。
【課題を解決するための手段】
【0005】
本態様に係る遊技機は、
導電性を有する第1の板金と第2の板金とを有しており、
第1の板金には、押し出されることで形成された凹凸部を有しており、
凹凸部における第1の板金の第1の面側には、所定の深さの凹みを有する凹部を有しており、
凹凸部における第1の板金の第2の面側には、特定の高さの突起を有する突出部を有しており、
第2の板金は、穴である穴部を有しており、
第1の板金と第2の板金とは、穴部に突出部が挿入されることによって係合しており、
前記所定の深さは、第1の板金の厚みの半分よりも短い
ことを特徴とする遊技機である。
【発明の効果】
【0006】
本態様に係る遊技機によれば、円滑に遊技を進行できる遊技機を提供することができる、という効果を奏する。
【図面の簡単な説明】
【0007】
図1は、第1実施形態に係る回胴式遊技機の斜視図である。
図2は、第1実施形態に係る回胴式遊技機の扉を開いた状態の斜視図である。
図3は、第1実施形態に係る回胴式遊技機における、メダル投入口内部の斜視図である。
図4は、第1実施形態に係る回胴式遊技機における、メダル払出装置の正面図および上面図である。
図5は、第1実施形態に係る回胴式遊技機における、基本仕様一覧である。
図6は、第1実施形態に係る回胴式遊技機における、リール配列一覧である。
図7は、第1実施形態に係る回胴式遊技機における、図柄組み合わせ一覧1である。
図8は、第1実施形態に係る回胴式遊技機における、図柄組み合わせ一覧2である。
図9は、第1実施形態に係る回胴式遊技機における、図柄組み合わせ一覧3である。
図10は、第1実施形態に係る回胴式遊技機における、条件装置一覧である。
図11は、第1実施形態に係る回胴式遊技機における、小役、再遊技役およびボーナス出現率一覧である。
図12は、第1実施形態に係る回胴式遊技機の電気的全体構成図である。
図13は、第1実施形態に係る回胴式遊技機における、主制御基板側でのメインフローチャートである。
図14は、第1実施形態に係る回胴式遊技機における、主制御基板側での設定変更装置制御処理のフローチャートである。
図15は、第1実施形態に係る回胴式遊技機における、主制御基板側での復帰不可能エラー処理のフローチャートである。
図16は、第1実施形態に係る回胴式遊技機における、主制御基板側での遊技進行制御処理(1枚目)のフローチャートである。
図17は、第1実施形態に係る回胴式遊技機における、主制御基板側での遊技進行制御処理(2枚目)のフローチャートである。
図18は、第1実施形態に係る回胴式遊技機における、主制御基板側での遊技進行制御処理(3枚目)のフローチャートである。
図19は、第1実施形態に係る回胴式遊技機における、主制御基板側での内部抽選実行処理のフローチャートである。
図20は、第1実施形態に係る回胴式遊技機における、主制御基板側でのゲーム数上乗せ実行処理のフローチャートである。
図21は、第1実施形態に係る回胴式遊技機における、主制御基板側でのAT状態移行制御処理(1枚目)のフローチャートである。
図22は、第1実施形態に係る回胴式遊技機における、主制御基板側でのAT状態移行制御処理(2枚目)のフローチャートである。
図23は、第1実施形態に係る回胴式遊技機における、主制御基板側でのAT状態移行制御処理(3枚目)のフローチャートである。
図24は、第1実施形態に係る回胴式遊技機における、主制御基板側での条件装置番号管理処理のフローチャートである。
図25は、第1実施形態に係る回胴式遊技機における、主制御基板側でのリール回転開始準備処理のフローチャートである。
図26は、第1実施形態に係る回胴式遊技機における、主制御基板側での残りゲーム数管理処理のフローチャートである。
図27は、第1実施形態に係る回胴式遊技機における、主制御基板側でのRT状態移行制御処理のフローチャートである。
図28は、第1実施形態に係る回胴式遊技機における、RT状態遷移図である。
図29は、第1実施形態に係る回胴式遊技機における、主制御基板側でのAT状態開始制御処理のフローチャートである。
図30は、第1実施形態に係る回胴式遊技機における、AT状態遷移図である。
図31は、第1実施形態に係る回胴式遊技機における、主制御基板側での遊技区間移行制御処理のフローチャートである。
図32は、第1実施形態に係る回胴式遊技機における、主制御基板側でのタイマ割り込み時処理のフローチャートである。
図33は、第1実施形態に係る回胴式遊技機における、主制御基板側での回胴駆動制御処理のフローチャートである。
図34は、第1実施形態に係る回胴式遊技機における、主制御基板側での回胴駆動制御処理のフローチャートである。
図35は、第1実施形態に係る回胴式遊技機における、リールの回転動作に関するイメージ図である。
図36は、第1実施形態に係る回胴式遊技機における、主制御基板側での電源断時処理のフローチャートである。
図37は、本例に係る回胴式遊技機における、押し順表示イメージ図である。
図38は、第1実施形態に係る回胴式遊技機における、副制御基板側でのサブ側プログラム開始処理のフローチャートである。
図39は、第1実施形態に係る回胴式遊技機における、副制御基板側でのサブメインループ処理のフローチャートである。
図40は、第1実施形態に係る回胴式遊技機における、副制御基板側でのサブ側電源断時処理のフローチャートである。
図41は、第1実施形態に係る回胴式遊技機における、副制御基板側での1コマンド処理のフローチャートである。
図42は、第1実施形態に係る回胴式遊技機における、副制御基板側でのスタートレバー操作時演出関連決定処理のフローチャートである。
図43は、第1実施形態に係る回胴式遊技機における、副制御基板側でのバトル演出実行可否決定処理のフローチャートである。
図44は、第1実施形態に係る回胴式遊技機における、副制御基板側での滞在ステージ決定テーブルの一例である。
図45は、第1実施形態に係る回胴式遊技機における、副制御基板側でのAT中演出決定処理のフローチャートである。
図46は、第1実施形態に係る回胴式遊技機における、副制御基板側での復活可否演出決定処理のフローチャートである。
図47は、第1実施形態に係る回胴式遊技機における、副制御基板側でのスタートレバー操作時処理のフローチャートである。
図48は、第1実施形態に係る回胴式遊技機における、副制御基板側でのスタートレバー操作時AT中処理のフローチャートである。
図49は、第1実施形態に係る回胴式遊技機における、副制御基板側でのスタートレバー操作時特化前兆処理のフローチャートである。
図50は、第1実施形態に係る回胴式遊技機における、副制御基板側でのスタートレバー操作時上乗せ特化処理のフローチャートである。
図51は、第1実施形態に係る回胴式遊技機における、副制御基板側でのスタートレバー操作時有利BB内部中処理のフローチャートである。
図52は、第1実施形態に係る回胴式遊技機における、副制御基板側での第1回胴停止受付時処理のフローチャートである。
図53は、第1実施形態に係る回胴式遊技機における、副制御基板側での第2回胴停止受付時処理のフローチャートである。
図54は、第1実施形態に係る回胴式遊技機における、副制御基板側での第3回胴停止時演出関連決定処理のフローチャートである。
図55は、第1実施形態に係る回胴式遊技機における、副制御基板側での第3回胴停止受付時処理のフローチャートである。
図56は、第2実施形態に係る回胴式遊技機における主制御基板側での遊技進行制御処理のフローチャートである。
図57は、第2実施形態に係る回胴式遊技機における主制御基板側での打ち止め監視処理のフローチャートである。
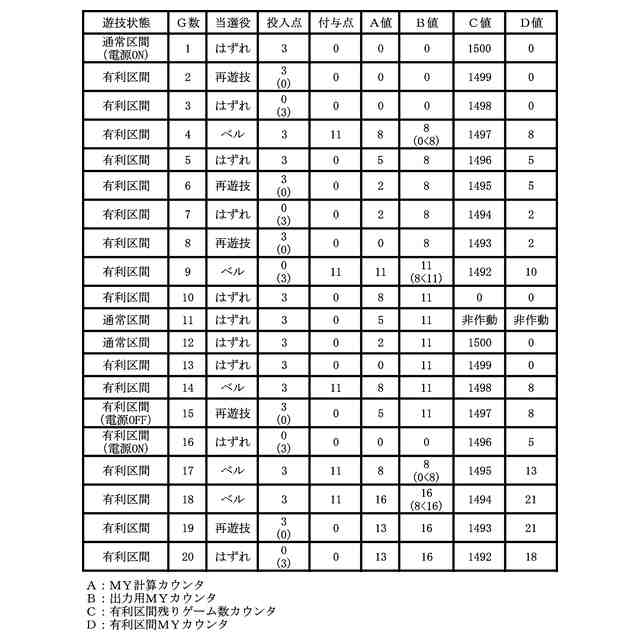
図58は、第2実施形態に係る回胴式遊技機における主制御基板側でのMYカウンタ監視処理のフローチャートである。
図59は、第2実施形態に係る回胴式遊技機におけるMYカウンタと差数カウンタに関する図である。
図60は、第2実施形態に係る回胴式遊技機における打ち止め事前報知状態に関する図である。
図61は、第2実施形態に係る回胴式遊技機におけるボーナス中に差数上限を超過した場合に関する図1である。
図62は、第2実施形態に係る回胴式遊技機におけるボーナス中に差数上限を超過した場合に関する図2である。
図63は、第2実施形態に係る回胴式遊技機におけるボーナス中に差数上限を超過した場合に関する図3である。
図64は、第2実施形態に係る回胴式遊技機における小役に当選した遊技に関する作用図1である。
図65は、第2実施形態に係る回胴式遊技機における小役に当選した遊技に関する作用図2である。
図66は、第2実施形態に係る回胴式遊技機におけるAT中状態の遊技中に電源断が発生した場合のイメージ図である。
図67は、第2実施形態に係る回胴式遊技機におけるメダル空エラーに関するイメージ図1である。
図68は、第2実施形態に係る回胴式遊技機におけるメダル空エラーに関するイメージ図2である。
図69は、第1~第2実施形態に係る回胴式遊技機における演出の例1を示す図であって、通常状態における1ゲームで完結する指令演出を示すイメージ図である。
図70は、第1~第2実施形態に係る回胴式遊技機における演出の例2を示す図であって、通常状態における1ゲームで完結するプレミア表示を実行する指令演出を示すイメージ図である。
図71は、第1~第2実施形態に係る回胴式遊技機における演出の例3を示す図であって、通常状態における複数ゲームで完結する指令演出を示すイメージ図である。
図72は、第1~第2実施形態に係る回胴式遊技機における演出の例3を示す図であって、通常状態における複数ゲームで完結するチャンスアップパターン備える指令演出を示すイメージ図である。
図73は、第1~第2実施形態に係る回胴式遊技機における演出の例4を示す図であって、AT中状態における所定の演出の開始演出表示と終了演出表示を示すイメージ図である。
図74は、第1~第2実施形態に係る回胴式遊技機における演出の例5を示す図であって、連続演出における結果演出表示を示すイメージ図である。
図75は、第1~第2実施形態に係る回胴式遊技機におけるメダルセレクタ、タイプ1のコインシュータ、シュート本体およびホッパを示した正面図である。
図76は、第1~第2実施形態に係る回胴式遊技機におけるメダルセレクタ、タイプ1のコインシュータ、シュート本体を示した正面図である。
図77は、第1~第2実施形態に係る回胴式遊技機におけるメダルセレクタ、タイプ1のコインシュータ、シュート本体を示した平面図である。
図78は、第1~第2実施形態に係る回胴式遊技機における変形例1のシュート本体を示す図である。
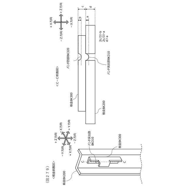
図79は、第1~第2実施形態に係る回胴式遊技機における変形例2のシュート本体を示す図である。
図80は、第1~第2実施形態に係る回胴式遊技機におけるメダルセレクタ、タイプ2のコインシュータ、シュート本体およびホッパを示した正面図である。
図81は、第1~第2実施形態に係る回胴式遊技機におけるメダルセレクタ、タイプ2のコインシュータ、シュート本体を示した正面図である。
図82は、第1~第2実施形態に係る回胴式遊技機におけるメダルセレクタ、タイプ2のコインシュータ、シュート本体を示した平面図である。
図83は、第3実施形態に係る回胴式遊技機における主制御基板側での遊技進行制御処理(2枚目)のフローチャートである。
図84は、第3実施形態に係る回胴式遊技機における主制御基板側での遊技進行制御処理(3枚目)のフローチャートである。
図85は、第3実施形態に係る回胴式遊技機における払出数表示装置の表示に関する図である。
図86は、第3実施形態に係る回胴式遊技機における再遊技が停止表示した場合の払出数表示装置に関するイメージ図である。
図87は、第3実施形態に係る回胴式遊技機における打ち止め状態となった場合の払出数表示装置に関するイメージ図である。
図88は、第3実施形態に係る回胴式遊技機における投入メダル逆流エラーとなった場合の払出数表示装置に関するイメージ図である。
図89は、第3実施形態に係る回胴式遊技機における電源断が発生した場合の払出数表示装置に関するイメージ図である。
図90は、第3実施形態に係る回胴式遊技機におけるボーナス中に電源断が発生した場合の払出数表示装置に関するイメージ図である。
図91は、第3実施形態に係る回胴式遊技機における下パネルの表示に関する図である。
図92は、第3実施形態に係る回胴式遊技機に適用可能な打ち止めに関する報知の報知態様に関する図である。
図93は、本例に適用可能な回胴式遊技機における主制御基板側での遊技進行制御処理のフローチャートである。
図94は、本例に適用可能な回胴式遊技機における主制御基板側でのAT状態移行制御処理のフローチャートである。
図95は、本例に適用可能な回胴式遊技機における主制御基板側での遊技区間移行制御処理のフローチャートである。
図96は、本例に適用可能な回胴式遊技機におけるAT中状態に関するイメージ図1である。
図97は、本例に適用可能な回胴式遊技機における獲得枚数表示に関するイメージ図である。
図98は、本例に適用可能な回胴式遊技機におけるAT中状態に関するイメージ図2である。
図99は、本例に適用可能な回胴式遊技機におけるAT中状態に関するイメージ図3である。
図100は、本例に適用可能な回胴式遊技機における主制御基板側での遊技区間移行制御処理のフローチャートである。
【発明を実施するための形態】
【0008】
はじめに、本明細書における各用語の意義について説明する。「乱数」とは、回胴式遊技機において何らかの遊技内容を決定するための抽選(電子計算機によるくじであり、抽せんとも称することがある)に使用される乱数であり、狭義の乱数の他に擬似乱数も含む(例えば、乱数としてはハード乱数、CPUを含む主制御チップによって生成された内蔵乱数、擬似乱数としてはソフト乱数)。例えば、遊技の結果に影響を与えるいわゆる「基本乱数」、具体的には、特別遊技に移行するための特別役や入賞役(小役、再遊技役)と関連した「当選乱数」、等を挙げることができる。「CPU」とは、当業界において周知であるものと同義であり、使用されているアーキテクチャ(CISC、RISC、ビット数等)や処理性能等には何ら限定されない。「電断(電源断)」とは、遊技機に設けられた電源スイッチの操作実行有無に係らず、遊技機に供給される電源電圧が一定レベル以下となったことを指し、例えば、電源供給ユニットの破損や停電等による不測の事態による電源供給の遮断をも包含する。「ROM」とは、当業界において周知であるものと同義であり、情報を物理的に保持する(例えば、データ読み出し用の電流を与えた場合、導通する素子構成であれば「1」、導通しない素子構成であれば「0」となる)。RAMとは、当業界において周知であるものと同義であり、情報を電気的に保持する(例えば、データ読み出し用の電流を与えた場合、蓄電されていれば「1」、蓄電されていなければ「0」となる。尚、RAM内で保持されているデータの一部またはすべてに対して、電断時にはバックアップ電源が供給されるよう構成されていることが一般的である)。「遊技状態」とは、例えば、遊技メダルが獲得容易であり遊技者にとって有利な特別遊技状態(いわゆる大当り遊技であり、ボーナス作動中、1種BB作動中、1種BB作動時、2種BB作動中、2種BB作動時などと称することがある)、ボーナスの当選を持ち越している内部中状態(1種BB内部中、2種BB内部中などと称することがある)、再遊技役の当選率があらかじめ定められた値である通常遊技状態よりも再遊技役の当選率が高い(または低い)状態である再遊技確率変動遊技状態(RT状態)、当選した役を入賞させるためのリールの停止順、停止位置(停止操作態様と称することがある)を報知し得るAT(アシストタイム)中状態、前記RT状態とAT中状態とが複合したART(アシストリプレイタイム)状態、ATに関する処理を実行し得る有利区間とATに関する処理を実行しない通常区間、等が挙げられる。また、通常遊技状態においても、RT状態、AT中状態(「AT遊技状態」、「AT状態」、「報知状態」と称することもあり、単に「AT」と称することもある。また、AT中状態でない状態を、「非AT遊技状態」、「非AT状態」、「非報知状態」と称することもあり、単に「非AT」と称することもある。)、また、AT状態にて停止操作態様を報知することを、「ATを実行する」、「ナビを実行する」、「指示を実行する」、「押し順ナビを実行する」、「報知遊技を実行する」などと称することがある。ART中状態への移行抽選確率が異なる、高確率通常遊技状態、低確率通常遊技状態、等(本例では、抽選状態と称している)が挙げられる。また、遊技状態は複合しても問題ない{更に、これらの遊技状態や機能(例えば、AT中状態への移行抽選や、リールの停止順に係る報知指示の出力等)は、遊技進行を制御する主制御基板側ですべて実装してしまっても問題ない}。また、本例においては、ATに関する状態とRT状態とを個別に記載し、RT状態が「RT1」且つATに関する状態が「通常遊技状態」等と称しているが、RT状態とATに関する状態とを纏めてARTに関する状態としてARTに関する状態が「通常遊技状態」等と称してもよい。「当選役」とは、内部抽選(内部注抽せんと称することがある)により当選した条件装置の種類(または、条件装置番号)である。「報知状態」とは、後述する押し順ナビを実行可能なATに関する状態であり、リール停止順によって入賞する役が相違しないために押し順ナビが実行されない条件装置が当選したゲームであっても、ATに関する状態が押し順ナビを実行可能な状態であれば「報知状態」とするよう構成している。「カウンタ値」とは「報知遊技実行可能数」とも称し、後述する、AT残りゲーム数もしくはATカウンタM60のカウンタ値である。例えば、「報知遊技実行可能数」が1以上(「0」となった当該遊技も含めても良い)である場合には後述する押し順ナビが実行され得る。また、「報知遊技実行可能数」として、小役(主に、押し順ベル役)が当選したことに基づいて得られる遊技媒体の差枚数(払出し枚数から投入枚数を引いた枚数)や、押し順ベル役の当選回数、を採用しても良い。また、「特殊報知状態」とは、ATに関する状態のうち遊技者に最も有利となる状態であり、本例では、「上乗せ特化状態」と称している。なお、「所定の遊技状態」とは、本例に記載する遊技状態や報知状態などの全ての状態の1または複数の組み合わせのいずれとしてもよい。また、「特定条件」とは、ATカウンタ値を減算し得る条件であり、例えば、1ゲームが終了した、所定役(例えば、押し順ベル役)が当選した、等が特定条件となる。「第1種特別役物」とは、規定数ごとの入賞に係る図柄の組み合わせの数を増加させ、または規定数ごとの入賞に係る条件装置が作動する確率を上昇させる役物で、あらかじめ定められた場合に作動し12回を超えない回数の遊技の結果が得られるまで作動を継続することができるものであり、RB(レギュラーボーナス)と称することがある。「第1種特別役物連続作動装置」とは、第1種特別役物を連続して作動させることができる装置で、特定の図柄の組み合わせが表示された場合に作動しあらかじめ定められた場合に作動を終了するものであり、BB(ビッグボーナス)や第1種BBと称することがある。「第2種特別役物」とは、役抽選の結果に拘らず入賞に係る条件装置を作動させることとなる役物で、あらかじめ定められた場合に作動し1回の遊技の結果が得られた場合に作動を終了するものであり、CB(チャレンジボーナス)と称することがある。「第2種特別役物連続作動装置」とは、第2種特別役物を連続して作動させることができる装置で、特定の図柄の組み合わせが表示された場合に作動しあらかじめ定められた場合に作動を終了するものであり、MB(ミドルボーナス)や第2種BBと称することがある。「普通役物」とは、規定数毎の入賞に係る図柄の組み合わせの数を増加させ、または、規定数毎の入賞に係る条件装置が作動する確率を上昇させる役物で、特定の図柄の組み合わせが表示された場合に作動し1回の遊技の結果が得られた場合に作動を終了することとされているものであり、SB(シングルボーナス)と称することがある。「オールJACINタイプ」とは、第1種BB役が入賞した場合にJACINしたものとみなし、第1種BBの実行中においては常にRB中とする構成である。また、「JACIN抽選タイプ」とは、第1種BBの実行時にて非RB中とRB中とを繰り返し実行する構成である。また、「無制御リール」とは、停止操作を行った後に実行され得る引込み制御が実行されない状態のリールであり、停止操作を受け付けたリール位置から停止し得る最も近いリール位置にて停止する状態のリールである。「オールCBタイプ」とは、第2種BBの実行時にて常にCB中となる構成である。「CB移行抽選タイプ」とは、第2種BBの実行時にて非CB中とCB中とを繰り返し実行する構成である。
【0009】
「入球」とは、賞球が払い出される入賞のみならず、賞球払い出しの無い「スルーチャッカー」への通過も含む。
【0010】
「識別情報」とは、五感(視覚、聴覚、触覚等)を通じて情報の種類を識別可能であればどのような形態でもよいが、好適には、視覚的なもの、例えば、数字、文字、図柄等の形状のあるものを挙げることができる。また、本明細書においては「識別情報」を、主遊技図柄・特別図柄(特図)や装飾図柄(装図)と呼ぶことがあるが、「特別図柄(特図)」は、主制御基板側にて表示制御される識別情報であり、「装飾図柄(装図)」は、副制御基板側にて表示される演出としての識別情報である。「識別情報を表示可能」とは、表示方法には何ら限定されず、例えば、発光手段(例えば液晶、LED、7セグ)の発光(発光の有無だけでなく、色の違いも含む)、物理的な表示(例えば、リール帯に描かれた図柄を所定位置に停止表示する)等、を挙げることができる。
(【0011】以降は省略されています)
この特許をJ-PlatPat(特許庁公式サイト)で参照する
関連特許
サミー株式会社
遊技機
2日前
サミー株式会社
遊技機
6日前
サミー株式会社
遊技機
6日前
サミー株式会社
遊技機
6日前
サミー株式会社
遊技機
6日前
サミー株式会社
遊技機
6日前
サミー株式会社
遊技機
6日前
サミー株式会社
遊技機
6日前
サミー株式会社
遊技機
6日前
サミー株式会社
遊技機
6日前
サミー株式会社
遊技機
6日前
サミー株式会社
遊技機
6日前
サミー株式会社
遊技機
6日前
サミー株式会社
遊技機
6日前
サミー株式会社
遊技機
6日前
サミー株式会社
遊技機
6日前
サミー株式会社
遊技機
6日前
サミー株式会社
遊技機
6日前
サミー株式会社
遊技機
6日前
サミー株式会社
遊技機
6日前
サミー株式会社
遊技機
6日前
サミー株式会社
遊技機
6日前
サミー株式会社
遊技機
16日前
サミー株式会社
遊技機
16日前
サミー株式会社
遊技機
16日前
サミー株式会社
遊技機
16日前
サミー株式会社
遊技機
16日前
サミー株式会社
遊技機
16日前
サミー株式会社
遊技機
16日前
サミー株式会社
遊技機
16日前
サミー株式会社
遊技機
6日前
サミー株式会社
遊技機
6日前
サミー株式会社
遊技機
16日前
サミー株式会社
遊技機
6日前
サミー株式会社
遊技機
6日前
サミー株式会社
遊技機
6日前
続きを見る
他の特許を見る