TOP
|
特許
|
意匠
|
商標
特許ウォッチ
Twitter
他の特許を見る
公開番号
2025144651
公報種別
公開特許公報(A)
公開日
2025-10-03
出願番号
2024044403
出願日
2024-03-21
発明の名称
冷温水供給システム
出願人
株式会社竹中工務店
代理人
個人
主分類
F24F
5/00 20060101AFI20250926BHJP(加熱;レンジ;換気)
要約
【課題】冷水利用部及び温水利用部に対して冷水生成部及び温水生成部で生成された冷水及び温水を供給する冷温水供給システムにおいて、冷温水兼用ポンプの状態を冷水ポンプ機能状態と温水ポンプ機能状態との間で切り替え可能な切替手段を備えることでポンプの必要台数を削減しながら、装置構成の簡素化により、更なる省スペース化、低コスト化、メンテナンス性の向上を実現する。
【解決手段】冷温水兼用ポンプ30とは別に、冷水ポンプCPとしてのみ機能する冷水専用ポンプ10と、温水ポンプHPとしてのみ機能する温水専用ポンプ20と、を備えた。
【選択図】図1
特許請求の範囲
【請求項1】
冷水ポンプの送水動力により冷水生成部が生成した冷水を冷水利用部に供給する冷水供給管路と、温水ポンプの送水動力により温水生成部が生成した温水を温水利用部に供給する温水供給管路と、複数の冷温水兼用ポンプと、を備え、前記複数の冷温水兼用ポンプの夫々の状態を、前記冷水供給管路に接続して前記冷水ポンプとして機能する冷水ポンプ機能状態と、前記温水供給管路に接続して前記温水ポンプとして機能する温水ポンプ機能状態との間で切り替え可能な切替手段を備えた冷温水供給システムであって、
前記冷温水兼用ポンプとは別に、前記冷水ポンプとしてのみ機能する冷水専用ポンプと、前記温水ポンプとしてのみ機能する温水専用ポンプと、を備えた冷温水供給システム。
続きを表示(約 130 文字)
【請求項2】
前記冷水専用ポンプの送水能力が、前記冷水利用部における最小冷熱負荷に対応するものに設定されており、
前記温水専用ポンプの送水能力が、前記温水利用部における最小温熱負荷に対応するものに設定されている請求項1に記載の冷温水供給システム。
発明の詳細な説明
【技術分野】
【0001】
本発明は、冷水利用部及び温水利用部に対して冷水生成部及び温水生成部で生成された冷水及び温水を供給する冷温水供給システムに関する。
続きを表示(約 2,800 文字)
【背景技術】
【0002】
冷水利用部及び温水利用部に対して冷水生成部及び温水生成部で生成された冷水及び温水を冷水供給管路及び温水供給管路供給を通じて供給する冷温水供給システムとして、特許文献1記載のものが知られている。
特許文献1記載の冷温水供給システムは、複数の冷温水兼用ポンプ(11,12,13)を備え、これら複数の冷温水兼用ポンプ(11,12,13)の夫々の状態を、冷水供給管路(37)に接続して冷水ポンプとして機能する冷水ポンプ機能状態と、温水供給管路(38)に接続して温水ポンプとして機能する温水ポンプ機能状態との間で切り替える切替手段(16~27)を備える。そして、このような冷温水兼用ポンプを設けることにより、冷水供給管路及び温水供給管路の夫々における冷水及び温水の最大供給可能流量を季節等の変化に応じて変更するために必要なポンプの台数を削減することができ、このことで、省スペース化、低コスト化、メンテナンス性の向上等が実現できる。
【先行技術文献】
【特許文献】
【0003】
特開昭53-032943号公報
【発明の概要】
【発明が解決しようとする課題】
【0004】
しかしながら、特許文献1記載の冷温水供給システムは、全て(3台)のポンプが冷温水兼用ポンプとされており、更に、各冷温水兼用ポンプに対して個別に状態を切り替えるための多くの切替手段(切替弁)が設けられている。従って、各ポンプに対する配管構造が煩雑になる上に、各ポンプに対応して設けられた切替手段の作動制御が煩雑になるという問題がある。
この実情に鑑み、本発明の主たる課題は、冷水利用部及び温水利用部に対して冷水生成部及び温水生成部で生成された冷水及び温水を供給する冷温水供給システムにおいて、冷温水兼用ポンプの状態を冷水ポンプ機能状態と温水ポンプ機能状態との間で切り替え可能な切替手段を備えることでポンプの必要台数を削減しながら、装置構成の簡素化により、更なる省スペース化、低コスト化、メンテナンス性の向上を実現できる技術を提供する点にある。
【課題を解決するための手段】
【0005】
本発明の第1特徴構成は、冷水ポンプの送水動力により冷水生成部が生成した冷水を冷水利用部に供給する冷水供給管路と、温水ポンプの送水動力により温水生成部が生成した温水を温水利用部に供給する温水供給管路と、複数の冷温水兼用ポンプと、を備え、前記複数の冷温水兼用ポンプの夫々の状態を、前記冷水供給管路に接続して前記冷水ポンプとして機能する冷水ポンプ機能状態と、前記温水供給管路に接続して前記温水ポンプとして機能する温水ポンプ機能状態との間で切り替え可能な切替手段を備えた冷温水供給システムであって、
前記冷温水兼用ポンプとは別に、前記冷水ポンプとしてのみ機能する冷水専用ポンプと、前記温水ポンプとしてのみ機能する温水専用ポンプと、を備えた点にある。
【0006】
本構成によれば、上記冷水専用ポンプや上記温水専用ポンプを備えて、全てのポンプのうちの一部のみを上記切替手段が必要な上記冷温水兼用ポンプとするので、全てのポンプを上記切替手段が必要な上記冷温水兼用ポンプとする場合と比べて上記切替手段の数を少なくして、装置構成を簡素化することができる。
従って、本発明により、冷水利用部及び温水利用部に対して冷水生成部及び温水生成部で生成された冷水及び温水を供給する冷温水供給システムにおいて、冷温水兼用ポンプの状態を冷水ポンプ機能状態と温水ポンプ機能状態との間で切り替え可能な切替手段を備えることでポンプの必要台数を削減しながら、装置構成の簡素化により、更なる省スペース化、低コスト化、メンテナンス性の向上を実現できる技術を提供することができる。
【0007】
本発明の第2特徴構成は、前記冷水専用ポンプの送水能力が、前記冷水利用部における最小冷熱負荷に対応するものに設定されており、
前記温水専用ポンプの送水能力が、前記温水利用部における最小温熱負荷に対応するものに設定されている点にある。
【0008】
本構成によれば、冷水専用ポンプの送水能力が、冷水利用部における最小冷熱負荷に対応するものに設定されているので、例えば冷水利用部における冷熱負荷が最小となる冬期においては、無駄なく冷水専用ポンプのみで冷水利用部に冷水を供給可能としながら、冷水利用部における冷熱負荷が増加する夏期においては、当該冷水専用ポンプに冷水ポンプ機能状態とされた冷温水兼用ポンプを加えて、冷水利用部に冷水を供給することができる。よって、冷水専用ポンプの送水能力が冷水利用部における最小冷熱負荷に対応するものよりも小さいことによる冬期に冷水ポンプ機能状態に切り替える必要がある冷温水兼用ポンプの設置を回避することができる。また、冷水専用ポンプの送水能力が冷水利用部における最小冷熱負荷に対応するものよりも大きいことによる冬期に頻繁に停止される無駄な冷水専用ポンプの設置を回避することができる。
【0009】
一方、温水専用ポンプの送水能力が、温水利用部における最小温熱負荷に対応するものに設定されているので、例えば温水利用部における温熱負荷が最小となる夏期においては、無駄なく温水専用ポンプのみで温水利用部に温水を供給可能としながら、温水利用部における温熱負荷が増加する冬期においては、当該温水専用ポンプに温水ポンプ機能状態とされた冷温水兼用ポンプを加えて、温水利用部に温水を供給することができる。よって、温水専用ポンプの送水能力が温水利用部における最小温熱負荷に対応するものよりも小さいことによる夏期に温水ポンプ機能状態に切り替える必要がある冷温水兼用ポンプの設置を回避することができる。また、温水専用ポンプの送水能力が温水利用部における最小温熱負荷に対応するものよりも大きいことによる夏期に頻繁に停止される無駄な温水専用ポンプの設置を回避することができる。
従って、冷水兼用ポンプの設置台数並びに冷水専用ポンプ及び温水専用ポンプの設置台数を好適化して、全体のポンプの設置台数の削減を図りながら、冷温水兼用ポンプの設置台数の増加による装置構成の煩雑化を抑制することができる。
【図面の簡単な説明】
【0010】
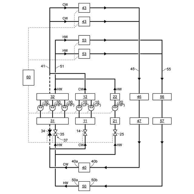
本実施形態の冷温水供給システムの概略構成及び夏期運転モードでの作動状態を示す図
本実施形態の冷温水供給システムの概略構成及び冬期運転モードでの作動状態を示す図
本実施形態の冷温水供給システムの概略構成及び中間期運転モードでの作動状態を示す図
【発明を実施するための形態】
(【0011】以降は省略されています)
この特許をJ-PlatPat(特許庁公式サイト)で参照する
関連特許
株式会社竹中工務店
水硬性組成物
4日前
株式会社竹中工務店
コンクリート製の床材の施工方法
4日前
株式会社竹中工務店
水硬性組成物及び水硬性組成物硬化体の製造方法
4日前
株式会社竹中工務店
地盤改良用セメントスラリー組成物及びソイルセメントスラリーの調製方法
4日前
個人
空気調和機
4か月前
個人
エアコン室内機
4か月前
株式会社コロナ
空調装置
1か月前
株式会社コロナ
空調装置
3か月前
株式会社コロナ
加湿装置
24日前
株式会社コロナ
空調装置
1か月前
株式会社コロナ
給湯装置
2か月前
株式会社コロナ
空調装置
4日前
株式会社コロナ
空調装置
14日前
株式会社コロナ
加湿装置
4か月前
株式会社コロナ
風呂給湯機
1か月前
株式会社コロナ
空気調和機
1か月前
株式会社コロナ
空気調和機
2か月前
個人
住宅換気空調システム
1か月前
株式会社コロナ
空気調和機
5か月前
株式会社パロマ
給湯器
3か月前
ホーコス株式会社
排気フード
2か月前
株式会社コロナ
貯湯式給湯機
4か月前
株式会社コロナ
直圧式給湯機
3か月前
株式会社コロナ
貯湯式給湯機
18日前
株式会社コロナ
貯湯式給湯機
10日前
株式会社コロナ
暖房システム
14日前
株式会社コロナ
直圧式給湯機
1か月前
株式会社コロナ
輻射式冷房装置
1か月前
株式会社コロナ
貯湯式給湯装置
3か月前
株式会社コロナ
貯湯式給湯装置
4か月前
三菱電機株式会社
送風機
5か月前
株式会社コロナ
貯湯式給湯装置
4か月前
ホーコス株式会社
換気扇取付枠
1か月前
株式会社パロマ
給湯暖房機
3か月前
株式会社パロマ
給湯暖房機
3か月前
株式会社パロマ
給湯暖房機
3か月前
続きを見る
他の特許を見る