TOP
|
特許
|
意匠
|
商標
特許ウォッチ
Twitter
他の特許を見る
10個以上の画像は省略されています。
公開番号
2025143205
公報種別
公開特許公報(A)
公開日
2025-10-01
出願番号
2025026237
出願日
2025-02-20
発明の名称
スチレンモノマーの製造方法
出願人
PSジャパン株式会社
代理人
個人
,
個人
,
個人
,
個人
主分類
C07C
4/22 20060101AFI20250924BHJP(有機化学)
要約
【課題】単位時間当たりのスチレンの製造量の低減を抑制できるスチレンモノマーの製造方法を提供する。
【解決手段】本開示は、スチレンモノマー単位を含むスチレン系重合体を含有するスチレン系樹脂組成物と、溶剤とを混合した混合液を調製する混合液調製工程と、前記混合液を精製手段により精製する精製工程と、前記精製した混合液を脱揮して流動体とする脱揮工程と、前記流動体を熱分解して第1熱分解液を生成する第1熱分解工程と、を含むスチレンモノマーの製造方法である。
【選択図】なし
特許請求の範囲
【請求項1】
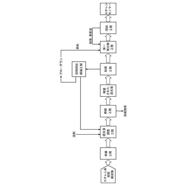
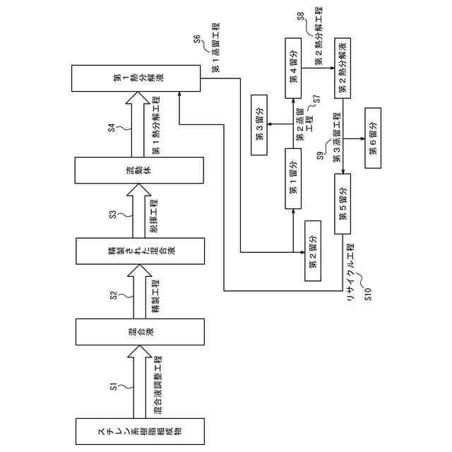
スチレンモノマー単位を含むスチレン系重合体を含有するスチレン系樹脂組成物と、溶剤とを混合した混合液を調製する混合液調製工程と、
前記混合液を精製手段により精製する精製工程と、
前記精製した混合液を脱揮して流動体とする脱揮工程と、
前記流動体を熱分解して第1熱分解液を生成する第1熱分解工程と、
を含むスチレンモノマーの製造方法。
続きを表示(約 800 文字)
【請求項2】
前記第1熱分解液を蒸留してスチレンモノマーを回収する回収工程をさらに有する、請求項1に記載のスチレンモノマーの製造方法。
【請求項3】
前記溶剤が、トルエン、メチルエチルケトン及びエチルベンゼンからなる群から選択される1種又は2種以上である、請求項1に記載のスチレンモノマーの製造方法。
【請求項4】
前記流動体は、前記流動体の総量100質量%に対して、前記スチレン系重合体を10質量%以上100質量%以下であることを特徴とする、請求項1に記載のスチレンモノマーの製造方法。
【請求項5】
前記精製した混合液は、前記精製した混合液の総量100質量%に対して、前記スチレン系重合体を5質量%以上100質量%以下であることを特徴とする、請求項1又は2に記載のスチレンモノマーの製造方法。
【請求項6】
前記混合液は、前記混合液の総量100質量%に対して、前記スチレン系重合体を5質量%以上であることを特徴とする、請求項1又は2に記載のスチレンモノマーの製造方法。
【請求項7】
前記の混合液調製工程における、前記スチレン系樹脂組成物及び前記溶剤を混合する雰囲気温度が、0℃以上であることを特徴とする、請求項1又は2に記載のスチレンモノマーの製造方法。
【請求項8】
前記脱揮工程を減圧下で行うことを特徴とする、請求項1又は2に記載のスチレンモノマーの製造方法。
【請求項9】
前記第1熱分解工程を減圧下で行うことを特徴とする、請求項1又は2に記載のスチレンモノマーの製造方法。
【請求項10】
前記第1熱分解液を分析する分析工程をさらに含むことを特徴とする、請求項1又は2に記載のスチレンモノマーの製造方法。
(【請求項11】以降は省略されています)
発明の詳細な説明
【技術分野】
【0001】
本発明は、スチレンモノマーの製造方法に関する。
続きを表示(約 2,200 文字)
【背景技術】
【0002】
近年のSDGsの潮流を受けて、ポリスチレン樹脂等のプラスチック材料をリサイクルする技術が求められている。中でもポリスチレン樹脂のリサイクル方法として、ポリスチレン樹脂を一旦スチレンモノマーに戻すことなく、再度ポリスチレン樹脂として使用することを目的としたメカニカルリサイクルと呼ばれる方法、あるいはポリスチレン樹脂を一旦スチレンモノマーに戻すケミカルリサイクルと呼ばれる方法が注目されている。
【0003】
ポリスチレン樹脂のメカニカルリサイクルに関しては、例えば特許文献1に記載の技術が知られている。特許文献1には、ポリスチレン樹脂廃棄物をシメン、p-キシレン、トルエン、エチルベンゼンなどの良溶媒に溶解させ、不溶物を除去した後に、ヘプタン等の貧溶媒と混合することによりポリスチレン樹脂成分を析出させて回収する技術が開示されている。
また、特許文献2には、ポリスチレン廃棄物をリモネン又は沸点が200℃未満の有機溶剤で溶解し、不溶物を除去した後に真空加熱脱揮することにより、ポリスチレン廃棄物の分子量を低下させずにポリスチレン樹脂を回収する技術が開示されている。
【0004】
一方、ポリスチレン樹脂のケミカルリサイクルに関しては、例えば特許文献3に記載の技術が知られている。当該特許文献3には、ポリスチレン樹脂の廃棄物を熱溶融した熱溶融ポリスチレン樹脂を管型の熱分解装置内に導入し、さらに高熱で熱分解することでスチレンモノマーが得られる技術が開示されている。
【0005】
同様に、特許文献4には、二軸押し出し機を用いてポリスチレン樹脂を高熱で熱溶融し、さらに熱分解することによりスチレンモノマーを得る技術が開示されている。
【先行技術文献】
【特許文献】
【0006】
国際公開2023/082009号公報
特開2000-334738号公報
特開2001-40136号公報
特開2021-134281号公報
【発明の概要】
【発明が解決しようとする課題】
【0007】
上述した従来のスチレン樹脂のメカニカルリサイクルの技術は、二種類以上の有機溶剤を使用することによりポリスチレン廃棄物を一度溶解させて異物などを除去した後に、貧溶媒を用いて析出又は脱揮することで、高品質な再生ポリスチレン樹脂を回収するとしている、しかしながら、食品衛生用途で再生ポリスチレン樹脂を使用する場合等、再生利用する用途によって再生ポリスチレン樹脂の純度が十分でないことが確認されている。そのため、用途によっては各種規格に合致した不純物の除去が求められるのが現状である。
【0008】
また、上述した従来のスチレン樹脂のケミカルリサイクルの技術はいずれもポリスチレン廃棄物を熱分解する工程を行っており、ケミカルリサイクルによりポリマーからモノマーへの変換を行う際には熱分解工程を実質的に回避しがたいのが現状である。そのため、熱分解の際に生じる熱分解残渣あるいは固体残留物を除去する機構が上記特許文献3及び4には開示されている。
しかしながら、ポリスチレン廃棄物は一般的に純粋なポリスチレン樹脂のみから構成されるものではないことが多く、例えば包装等で使用されるポリオレフィン樹脂等をはじめとする他樹脂だけでなく、金属粉等の無機物が不可避的に含まれることがある。また、ポリスチレン廃棄物から熱分解によるスチレンモノマーへの還元過程において、前記他樹脂及び前記無機物はポリスチレン樹脂とは異なる分解挙動を示すため、熱分解残渣となるだけでない点が確認された。
具体的には、熱分解によって生じたガス中に、熱分解温度よりも低い温度で低流動性の液体又は固体を生じるため、熱分解の際に生じる炭化物及び無機物等を含んだ熱分解残渣以外に熱分解装置あるいは各装置を連結する配管の閉塞又は熱分解工程の連続運転性の低下についての新たな課題が生じることが確認された。
そこで、本開示は、長期的運転時における平均運転時間当たりのスチレンの製造量の低減を抑制することを目的とする。
【課題を解決するための手段】
【0009】
本発明者は、上記課題を解決するために鋭意検討した結果、スチレンモノマー単位を含むスチレン系重合体を含有するスチレン系樹脂組成物を溶剤添加による混合液化した後、当該混合液を精製及び脱揮して得た流動体を熱分解した第1熱分解液を得ることにより、熱分解工程で発生する残渣又は熱分解によって生じたガスによる配管の閉塞を抑制し、かつ長期的運転時における平均運転時間のスチレンの製造量の低減を抑制できることを見出し、本発明を完成するに至った。
【0010】
すなわち、本開示は以下の通りである。
[1]スチレンモノマー単位を含むスチレン系重合体を含有するスチレン系樹脂組成物と、溶剤とを混合した混合液を調製する混合液調製工程と、
前記混合液を精製手段により精製する精製工程と、
前記精製した混合液を脱揮して流動体とする脱揮工程と、
前記流動体を熱分解してスチレンモノマーを含有する第1熱分解液を生成する第1熱分解工程と、
を含むスチレンモノマーの製造方法。
(【0011】以降は省略されています)
この特許をJ-PlatPat(特許庁公式サイト)で参照する
関連特許
クミアイ化学工業株式会社
多形
9日前
東ソー株式会社
タンパク質の発現方法
1か月前
株式会社半導体エネルギー研究所
有機化合物
9日前
株式会社半導体エネルギー研究所
有機化合物
2か月前
株式会社トクヤマ
ビオチン誘導体の製造方法
3か月前
栗田工業株式会社
ギ酸の回収方法
1か月前
株式会社トクヤマ
ベンザゼピン化合物の製造方法
3か月前
株式会社トクヤマ
ホルムアミド化合物の製造方法
2か月前
株式会社コスモス
液状炭化水素の増産方法
3か月前
株式会社トクヤマ
チオラクトン誘導体の製造方法
1か月前
株式会社コスモス
液状炭化水素の増産方法
3か月前
東ソー株式会社
イソシアネート化合物の製造方法
2か月前
株式会社トクヤマ
チオファニウム塩誘導体の製造方法
11日前
日産化学株式会社
ピラゾール化合物及び有害生物防除剤
3か月前
大阪瓦斯株式会社
メタン製造システム
1か月前
本田技研工業株式会社
CO2変換方法
1か月前
三菱ケミカル株式会社
アルコールの製造方法
1か月前
国立大学法人東京農工大学
深共晶溶媒
2か月前
東ソー株式会社
免疫グロブリン結合性タンパク質の製造方法
1か月前
JNC株式会社
有機ケイ素化合物およびこれを用いた重合体
2か月前
JNC株式会社
有機ケイ素化合物およびこれを用いた重合体
3か月前
株式会社トクヤマ
アシル化ベンゼン誘導体の酸塩の製造方法
2か月前
キヤノン株式会社
有機化合物及び有機発光素子
1か月前
個人
IL-17産生誘導能を有する化合物及びその用途
1か月前
株式会社半導体エネルギー研究所
有機金属錯体、発光デバイス
2か月前
キヤノン株式会社
有機金属錯体及び有機発光素子
1か月前
デンカ株式会社
有機酸又はその塩の製造方法
2か月前
国立大学法人京都大学
抗がん剤
2か月前
株式会社成和化成
アスコルビン酸誘導体又はその塩及びその化粧料
22日前
国立大学法人岩手大学
反応性付与化合物
2か月前
株式会社 MTG
ツバキ科ツバキ属の若葉からのエラグ酸製造方法
2か月前
岐阜市
化合物、アジュバント組成物および医薬組成物
1か月前
学校法人東海大学
樹脂担持環状テルル化合物
3か月前
日油株式会社
ペルフルオロアシル過酸化物の製造方法。
29日前
三菱ケミカル株式会社
化合物
2か月前
東京都公立大学法人
キチン系複合体
3か月前
続きを見る
他の特許を見る