TOP
|
特許
|
意匠
|
商標
特許ウォッチ
Twitter
他の特許を見る
公開番号
2025142685
公報種別
公開特許公報(A)
公開日
2025-10-01
出願番号
2024042190
出願日
2024-03-18
発明の名称
エンジン装置
出願人
ヤンマーホールディングス株式会社
代理人
個人
,
個人
主分類
F02D
45/00 20060101AFI20250924BHJP(燃焼機関;熱ガスまたは燃焼生成物を利用する機関設備)
要約
【課題】アンモニアやメタノール等の温室効果ガス排出量の少ない低GHG燃料を加熱して稼動するエンジンにおいて、過早着火を抑制すると共に安定した燃焼を実現することができるエンジン装置を提供する。
【解決手段】
エンジン装置1は、温室効果ガス排出量の少ない低GHG燃料を供給してエンジン2を駆動するエンジン装置1であって、低GHG燃料に混合される空気と、低GHG燃料とのうち、少なくとも一方を加熱する加熱部40を備え、エンジン2における低GHG燃料の過早着火が発生し、又は予測される場合、加熱部40による加熱を弱める、又は停止する。
【選択図】図1
特許請求の範囲
【請求項1】
燃料を供給してエンジンを駆動するエンジン装置であって、
前記燃料に混合される空気と、前記燃料とのうち、少なくとも一方を加熱する加熱部を備え、
前記エンジンにおける前記燃料の過早着火が発生し、又は予測される場合、前記加熱部による加熱を弱める、又は停止することを特徴とするエンジン装置。
続きを表示(約 710 文字)
【請求項2】
前記エンジンのノッキングを検出するノックセンサと、前記エンジンの燃焼室内の圧力を検出する筒内圧力センサと、前記エンジンの燃焼室内の温度を検出する筒内温度センサと、前記エンジンへの吸気の圧力を検出する吸気圧力センサと、前記エンジンへの吸気の温度を検出する吸気温度センサとのうち、少なくとも1つのセンサを備え、
当該少なくとも1つのセンサの検出結果に基づいて、前記エンジンの過早着火を判断することを特徴とする請求項1に記載のエンジン装置。
【請求項3】
前記少なくとも1つのセンサの検出結果に基づいて、前記加熱部による加熱をフィードバック制御する制御ユニットを備えることを特徴とする請求項2に記載のエンジン装置。
【請求項4】
前記燃料に混合される空気と、前記燃料とのうち、少なくとも一方が流通する熱交換部を備え、
前記熱交換部は、当該熱交換部に流入する熱交換媒体の流量及び/又は流速を調整することで、前記燃料に混合される空気と、前記燃料とのうち、少なくとも一方を加熱する前記加熱部として機能することを特徴とする請求項1に記載のエンジン装置。
【請求項5】
前記燃料に混合される空気を加圧する過給機を備え、
前記過給機は、当該過給機の回転数及び/又は当該過給機から吐出される空気の圧力を調整することで、前記燃料に混合される空気を加熱する前記加熱部として機能することを特徴とする請求項1に記載のエンジン装置。
【請求項6】
前記燃料は、アンモニア又はメタノールであることを特徴とする請求項1に記載のエンジン装置。
発明の詳細な説明
【技術分野】
【0001】
本発明は、アンモニアやメタノール等の温室効果ガス排出量の少ない低GHG(Green House Gas)燃料をエンジンに供給して駆動するエンジン装置に関する。
続きを表示(約 1,600 文字)
【背景技術】
【0002】
従来、エンジン装置には、アンモニアやメタノール等の温室効果ガス排出量の少ない低GHG燃料をエンジンに供給して駆動するものがある。エンジン装置は、液体状態の低GHG燃料を貯蔵していて、エンジンに通じる吸気経路やエンジンの燃焼室に対して低GHG燃料を噴射することで、燃焼室に低GHG燃料を供給する。
【0003】
例えば、特許文献1に開示されるアンモニアの燃焼システムは、アンモニアを液体の状態で石油系燃料と混合して噴射するものであって、特に、液体アンモニア又はアンモニア水を、流体混合気において微粒化すると共に、燃料と混合し、アンモニア混合燃料又はアンモニア水混合燃料として、ディーゼルエンジン又はボイラーに供給する。ディーゼルエンジンの燃焼室又はボイラーの燃焼室に石油系燃料と噴射されたアンモニアは、大気圧下における沸点が約マイナス33℃であり、燃焼室内ですぐに気化して可燃性ガスとなる。そのとき、石油系燃料は、着火・燃焼過程にあり、雰囲気温度が1000℃を超えているため、容易に着火して、アンモニアと共に燃焼する。
【先行技術文献】
【特許文献】
【0004】
特許第7264386号
【発明の概要】
【発明が解決しようとする課題】
【0005】
しかしながら、特許文献1のような従来のエンジン装置では、アンモニアが高温の雰囲気温度で容易に着火(発火)するために、エンジンの燃焼室で予期せぬ着火(発火)が比較的容易に起こってしまう。エンジンでは、高温の吸気に起因して燃焼室の筒内圧力が過度に高くなると、ストローク(サイクル)に拘わらずアンモニアに予期せぬ着火(発火)が発生し、例えば、過早着火(プレイグニッション)が発生して、燃焼室の筒内圧力が上昇し、エンジンにダメージを与えるおそれがあり、また、燃焼が不安定になるおそれがある。
【0006】
本発明は、アンモニアやメタノール等の温室効果ガス排出量の少ない低GHG燃料を加熱して稼動するエンジンにおいて、過早着火を抑制すると共に安定した燃焼を実現することができるエンジン装置を提供することを目的とする。
【課題を解決するための手段】
【0007】
上記課題を解決するために、本発明のエンジン装置は、燃料を供給してエンジンを駆動するエンジン装置であって、前記燃料に混合される空気と、前記燃料とのうち、少なくとも一方を加熱する加熱部を備え、前記エンジンにおける前記燃料の過早着火が発生し、又は予測される場合、前記加熱部による加熱を弱める、又は停止することを特徴とする。
【発明の効果】
【0008】
本発明によれば、アンモニアやメタノール等の温室効果ガス排出量の少ない低GHG燃料を加熱して稼動するエンジンにおいて、過早着火を抑制すると共に安定した燃焼を実現することができるエンジン装置を提供する。
【図面の簡単な説明】
【0009】
本発明の実施形態に係るエンジン装置の一例を示す概要図である。
本発明の実施形態に係るエンジン装置の他の例を示す概要図である。
【発明を実施するための形態】
【0010】
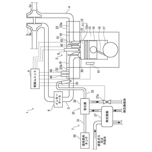
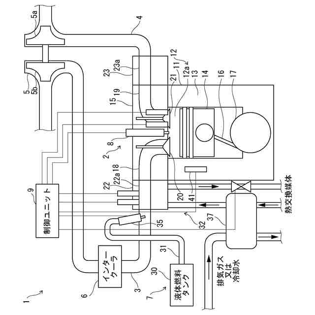
本発明の実施形態であるエンジン装置1について図面を参照して説明する。図1に示すように、エンジン装置1は、エンジン2と、吸気通路3と、排気通路4と、過給機5と、インタークーラ6と、燃料供給機構7と、点火装置8と、制御ユニット9とを備える。また、エンジン装置1は、ノックセンサ41と、筒内圧力センサ42と、筒内温度センサ43と、吸気圧力センサ44と、吸気温度センサ45とを備える。
(【0011】以降は省略されています)
この特許をJ-PlatPat(特許庁公式サイト)で参照する
関連特許
個人
バンケル型内燃機関の改良
26日前
スズキ株式会社
車両の制御装置
23日前
スズキ株式会社
車両の制御装置
16日前
本田技研工業株式会社
車両
1か月前
本田技研工業株式会社
車両
1か月前
株式会社クボタ
作業車
16日前
トヨタ自動車株式会社
電磁弁
26日前
本田技研工業株式会社
内燃機関
1か月前
株式会社クボタ
作業車両
16日前
株式会社クボタ
作業車両
1か月前
本田技研工業株式会社
内燃機関
1か月前
トヨタ自動車株式会社
車両制御装置
16日前
本田技研工業株式会社
始動制御装置
1か月前
本田技研工業株式会社
始動制御装置
1か月前
トヨタ自動車株式会社
エンジン制御装置
11日前
トヨタ自動車株式会社
電磁弁の制御装置
26日前
トヨタ自動車株式会社
エンジン制御装置
1か月前
トヨタ自動車株式会社
フレックス燃料車両
2日前
日産自動車株式会社
内燃機関
1か月前
日産自動車株式会社
内燃機関
1か月前
トヨタ自動車株式会社
V型8気筒エンジン
26日前
本田技研工業株式会社
可変ファンネル装置
1か月前
株式会社デンソートリム
エンジン制御装置
1か月前
トヨタ自動車株式会社
内燃機関の制御装置
2日前
川崎重工業株式会社
ガスタービンエンジン
12日前
本田技研工業株式会社
内燃機関の吸気構造
1か月前
大阪瓦斯株式会社
エンジンシステム
1か月前
マツダ株式会社
エンジン
1か月前
三菱重工業株式会社
燃焼筒の取付方法
16日前
富士電機株式会社
駆動回路
10日前
トヨタ自動車株式会社
水素エンジンの制御装置
10日前
株式会社SUBARU
車両
26日前
トヨタ自動車株式会社
内燃機関の燃料供給装置
1か月前
ヤンマーホールディングス株式会社
エンジン装置
1か月前
ヤンマーホールディングス株式会社
エンジン装置
1か月前
本田技研工業株式会社
内燃機関の制御装置
1か月前
続きを見る
他の特許を見る