TOP
|
特許
|
意匠
|
商標
特許ウォッチ
Twitter
他の特許を見る
公開番号
2025140955
公報種別
公開特許公報(A)
公開日
2025-09-29
出願番号
2024040626
出願日
2024-03-15
発明の名称
汚泥性状予測方法及び汚泥性状一定制御方法
出願人
株式会社石垣
代理人
主分類
C02F
11/121 20190101AFI20250919BHJP(水,廃水,下水または汚泥の処理)
要約
【課題】各ローカル汚泥の汚泥性状及び汚泥移送量から集約汚泥の汚泥性状を予測するとともに各ローカル汚泥の移送量を制御して汚泥性状の均一な集約汚泥を生成することで、脱水処理効率が向上する汚泥性状予測方法及び汚泥性状一定制御方法を提供する。
【解決手段】
複数のローカル処理場から移送されるローカル汚泥を集約処理場に設置した集約汚泥槽で混合した後、脱水処理する汚泥処理システムにおいて、予め汚泥性状の判別指標となる汚泥性状基準値を設定し、各ローカル汚泥の汚泥性状計測値を汚泥性状基準値と比較して汚泥性状をそれぞれ判別した後、各ローカル汚泥の移送割合をもとに集約汚泥槽内で生成される集約汚泥の汚泥性状を予測することで、汚泥性状の異なる複数のローカル汚泥から汚泥性状一定の集約汚泥を生成できるため脱水効率が向上する。
【選択図】 図2
特許請求の範囲
【請求項1】
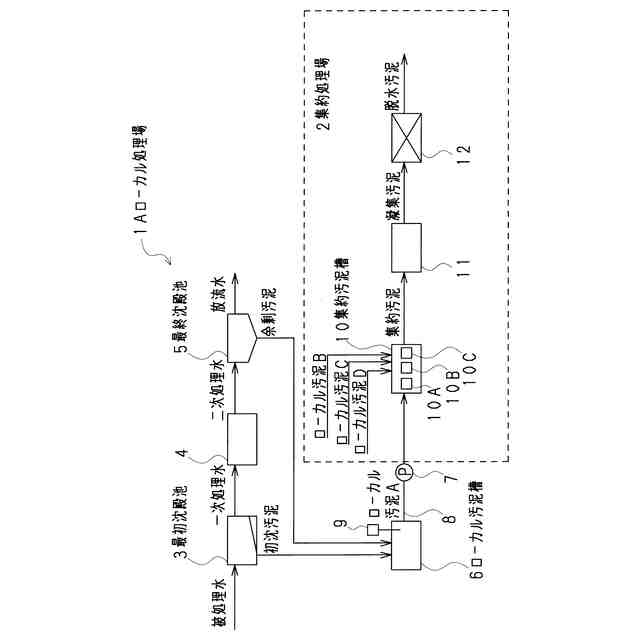
複数のローカル処理場(1)から移送されるローカル汚泥を集約処理場(2)に設置した集約汚泥槽(10)で混合した後、脱水処理する汚泥処理システムにおいて、
予め汚泥性状の判別指標となる汚泥性状基準値を設定し、
各ローカル汚泥の汚泥性状計測値を汚泥性状基準値と比較して汚泥性状をそれぞれ判別した後、
各ローカル汚泥の移送割合をもとに集約汚泥槽(10)内で生成される集約汚泥の汚泥性状を予測する
ことを特徴とする汚泥性状予測方法。
続きを表示(約 96 文字)
【請求項2】
前記集約汚泥の汚泥性状値が汚泥性状基準値を満たすようにローカル汚泥の移送割合を変更する制御を行う
ことを特徴とする請求項1に記載の汚泥性状一定制御方法。
発明の詳細な説明
【技術分野】
【0001】
本発明は、複数のローカル処理場から集約される集約汚泥の汚泥性状を予測するとともに、集約汚泥の汚泥性状が一定になるように各処理場からの移送量を制御する汚泥性状予測方法及び汚泥性状一定制御方法に関する。
続きを表示(約 1,600 文字)
【背景技術】
【0002】
従来、都市部における汚泥処理は、個別の下水処理場ごとに汚泥処理設備を保有するのではなく、複数のローカル処理場から送泥管やトラック等の汚泥移送手段を用いて汚泥を集約して集約処理場で一括処理する方法が採用されている。
【0003】
例えば、特許文献1には、複数のローカル処理場から集約処理場へ汚泥と繊維状物を個別に移送して集約処理する技術が開示してあり、集約処理場に移送された集約汚泥の繊維状物濃度が所定値よりも低い場合に、集約された繊維状物を供給して汚泥の脱水性を高めることが記載されている。
【0004】
また、一般的な下水処理場の汚泥処理システムでは、本願の図3に示すように、最初沈殿池から引き抜いた初沈汚泥を重力濃縮槽で濃縮するとともに最終沈殿池で発生した余剰汚泥を機械濃縮機で濃縮して汚泥貯留槽内で混合した後、脱水機で脱水処理するが、重力濃縮槽及び機械濃縮機を省略して初沈汚泥と余剰汚泥を未濃縮の状態で直接脱水処理する方法も知られている。
【先行技術文献】
【特許文献】
【0005】
特許第6298792号公報
【発明の概要】
【発明が解決しようとする課題】
【0006】
従来、複数のローカル処理場から移送される汚泥は、濃度や汚泥性状が異なるとともに移送中に汚泥性状が極端に変質することがあるため、集約処理場にて低含水率の脱水ケーキを安定的に生成することが困難であった。
【0007】
特許文献1は、各ローカル処理場から集約処理場に向けて汚泥と繊維状物を個別に移送することで繊維状物の腐敗を防止できる技術であるが、個別に搬送するための配管や圧送ポンプ等を新たに設置する必要があり、移送の手間やコストがかかるといった課題がある。また、汚泥の脱水性を高めるために集約処理場に移送された集約汚泥の繊維状物濃度を測定して、濃度に応じて繊維状物の供給量を制御するものであるが、繊維状物以外の指標を用いて制御を行う等の記載及び示唆はない。
【0008】
さらに、最初沈殿池から引き抜いた初沈汚泥と最終沈殿池で発生した余剰汚泥を未濃縮の状態で直接脱水処理する汚泥処理システムを、集約処理場向けに適用した場合、各ローカル処理場から未濃縮の初沈汚泥及び余剰汚泥が混同された混合汚泥が集約処理場に移送されるが、混合汚泥は処理場ごとに汚泥性状が異なっており、汚泥性状の異なる混合汚泥を集約処理することになるため、集約処理場で稼働する脱水機の脱水性能が安定しないといった問題があった。
【0009】
本発明は、上記問題点に鑑みてなされたものであり、複数のローカル処理場から移送される各ローカル汚泥の汚泥性状を判別した後、各ローカル汚泥の移送割合から集約汚泥の汚泥性状を予測するとともに、集約汚泥の汚泥性状を一定にするために各ローカル汚泥の移送量を制御することで、汚泥性状一定の集約汚泥を脱水処理可能となるため、脱水効率が向上して低含水率の脱水汚泥を安定的に得ることができる汚泥性状予測方法及び汚泥性状一定制御方法を提供する。
【課題を解決するための手段】
【0010】
本発明は、複数のローカル処理場から移送されるローカル汚泥を集約処理場に設置した集約汚泥槽で混合した後、脱水処理する汚泥処理システムにおいて、予め汚泥性状の判別指標となる汚泥性状基準値を設定し、各ローカル汚泥の汚泥性状計測値を汚泥性状基準値と比較して汚泥性状をそれぞれ判別した後、各ローカル汚泥の移送割合をもとに集約汚泥槽内で生成される集約汚泥の汚泥性状を予測することで、汚泥性状が異なる複数のローカル汚泥を効率的に集約処理できる。
(【0011】以降は省略されています)
この特許をJ-PlatPat(特許庁公式サイト)で参照する
関連特許
株式会社石垣
汚泥性状予測方法及び汚泥性状一定制御方法
1か月前
株式会社げんき
液体活性化装置
17日前
三浦工業株式会社
汚泥乾燥加熱釜
1か月前
株式会社ライトアース
水循環式水質浄化システム
24日前
名古屋メッキ工業株式会社
溶存金属析出装置
28日前
三浦工業株式会社
精製水供給システム
1か月前
スタンレー電気株式会社
流体除菌装置
22日前
栗田工業株式会社
電気イオン濃縮装置
28日前
栗田工業株式会社
逆浸透膜装置の運転方法
17日前
オルガノ株式会社
UV照射装置
16日前
有限会社フリーウェー
浄水装置
16日前
栗田工業株式会社
電気脱イオン装置の運転方法
29日前
WOTA株式会社
液性判定システム及び液性判定方法
28日前
ジヤトコ株式会社
排水回収システム
1日前
個人
海水の塩分除去装置と淡水製造方法
2日前
株式会社ヘルスカンパニー
浴用剤の使用方法
28日前
竹鶴油業株式会社
残渣処理プラント及び成形物の製造方法
16日前
株式会社医道メディカル
水素及び水素溶解エクソソーム液発生装置
15日前
三菱化工機株式会社
電界ろ過装置及び電界ろ過装置のろ材の製造方法
9日前
王子ホールディングス株式会社
排水処理方法
25日前
株式会社セルマップ
油吸着用の吸着体、及び油吸着用の吸着体の製造方法
25日前
栗田工業株式会社
水・蒸気サイクル中の有機系溶存物質の除去方法
23日前
キヤノン株式会社
液体中に溶存するガスの回収システム
15日前
荏原実業株式会社
防臭システム、防臭装置及び防臭方法
14日前
ガス・ウォーター株式会社
海水淡水化・塩分製造プラント
29日前
株式会社ササクラ
被処理液の膜処理方法および装置
1日前
オルガノ株式会社
水処理システム
1日前
メタウォーター株式会社
消化システム及び加熱制御方法
15日前
株式会社東芝
スカム発生抑制システム及びスカム発生抑制方法
14日前
メタウォーター株式会社
消化システム及び配管設置方法
14日前
メタウォーター株式会社
消化システム及び加熱制御方法
14日前
メタウォーター株式会社
消化システム及び加熱制御方法
14日前
メタウォーター株式会社
消化システム及び加熱制御方法
14日前
メタウォーター株式会社
消化システム及び加熱制御方法
14日前
三菱ケミカルアクア・ソリューションズ株式会社
水処理装置および水処理方法
24日前
オルガノ株式会社
水処理装置、溶存ガス測定装置の設置方法、および溶存ガス測定方法
7日前
続きを見る
他の特許を見る