TOP
|
特許
|
意匠
|
商標
特許ウォッチ
Twitter
他の特許を見る
10個以上の画像は省略されています。
公開番号
2025138416
公報種別
公開特許公報(A)
公開日
2025-09-25
出願番号
2024037498
出願日
2024-03-11
発明の名称
作業機械、及び作業機械の制御システム
出願人
住友建機株式会社
代理人
個人
,
個人
主分類
E02F
9/16 20060101AFI20250917BHJP(水工;基礎;土砂の移送)
要約
【課題】静音性を向上させる。
【解決手段】本開示の一態様に係る作業機械は、下部走行体と、前記下部走行体に旋回自在の搭載される上部旋回体と、前記上部旋回体に設けられる運転室と、前記運転室の外側に配置される外側集音装置と、前記運転室の内側に配置される内側音出力装置と、当該作業機械の周辺に存在する対象物の検知結果に応じて、前記外側集音装置が収集した音を前記内側音出力装置からの出力を制限する制御装置と、を備える。
【選択図】図4
特許請求の範囲
【請求項1】
下部走行体と、
前記下部走行体に旋回自在の搭載される上部旋回体と、
前記上部旋回体に設けられる運転室と、
前記運転室の外側に配置される外側集音装置と、
前記運転室の内側に配置される内側音出力装置と、
当該作業機械の周辺に存在する対象物の検知結果に応じて、前記外側集音装置が収集した音を前記内側音出力装置からの出力を制限する制御装置と、
を備える作業機械。
続きを表示(約 1,100 文字)
【請求項2】
前記制御装置は、前記外側集音装置が収集した音に、前記対象物から発せられた所定の音が含まれているか否かに基づいて、前記内側音出力装置からの出力を制限する、
請求項1に記載の作業機械。
【請求項3】
前記外側集音装置は、複数設けられ、
前記制御装置は、複数の前記外側集音装置のうち、前記対象物が存在する方向に設けられた前記外側集音装置が収集した音を、前記内側音出力装置からの出力を制限する、
請求項1に記載の作業機械。
【請求項4】
前記制御装置は、前記対象物が存在する方向を、複数の前記外側集音装置の各々が収集した音、前記対象物及び前記作業機械の位置情報、前記作業機械に設けられた撮像装置が撮像した画像情報、及び、前記作業機械に設けられた物体検出装置による前記対象物の検出結果、のうちいずれか一つ以上に基づいて検出する、
請求項3に記載の作業機械。
【請求項5】
前記運転室の内側に配置される内側集音装置と、
前記運転室の外側に配置される外側音出力装置と、をさらに備え、
前記制御装置は、前記外側集音装置が収集した音を前記内側音出力装置から出力制御が可能であり、且つ、前記内側集音装置が収集した音を前記外側音出力装置から出力制御が可能である、
請求項1に記載の作業機械。
【請求項6】
前記制御装置は、第1の操作に応じて、前記内側集音装置が収集した音を、前記外側音出力装置から出力する制御と、前記外側集音装置が収集した音を、前記内側音出力装置からの出力を制限する制御と、のうちいずれを行うかを切り替える、
請求項5に記載の作業機械。
【請求項7】
前記制御装置は、前記内側音出力装置からの音の出力の制限として、前記内側音出力装置からの音の出力停止、又は、前記内側音出力装置から出力される音に対するノイズキャンセリング機能のゲインを、前記対象物を検出する前と比べて大きくする、
請求項1に記載の作業機械。
【請求項8】
前記制御装置は、前記対象物から前記対象物の稼働状態を示した稼働情報を受信し、前記稼働情報に基づいて、前記外側集音装置が収集した音の前記内側音出力装置からの出力を制限する、
請求項1に記載の作業機械。
【請求項9】
前記制御装置は、前記対象物から前記対象物が取得した音信号を受信し、前記音信号で示された音を、前記内側音出力装置から出力する、
請求項1に記載の作業機械。
【請求項10】
前記制御装置は、音の出力の制限に基づいた通知を行う、
請求項1に記載の作業機械。
(【請求項11】以降は省略されています)
発明の詳細な説明
【技術分野】
【0001】
本発明は、作業機械、及び作業機械の制御システムに関する。
続きを表示(約 1,600 文字)
【背景技術】
【0002】
従来から、作業機械には、作業機械の周辺について集音するための集音装置と、収集された音声を作業機械の運転席に出力するスピーカと、が設けられている場合がある。これにより、操作者は、作業機械の周辺の状況を音で認識できる。
【先行技術文献】
【特許文献】
【0003】
特開2013-047427号公報
【発明の概要】
【発明が解決しようとする課題】
【0004】
しかしながら、作業機械の周辺に存在する物体が動作音などの雑音を発している場合、当該動作音が運転席に出力されるので、運転席近傍の静音性が低減する可能性がある。
【0005】
本発明の一態様は、音の出力を制限することで静音性を向上させる。
【課題を解決するための手段】
【0006】
本発明の一態様に係る作業機械は、下部走行体と、前記下部走行体に旋回自在の搭載される上部旋回体と、前記上部旋回体に設けられる運転室と、前記運転室の外側に配置される外側集音装置と、前記運転室の内側に配置される内側音出力装置と、当該作業機械の周辺に存在する対象物の検知結果に応じて、前記外側集音装置が収集した音を前記内側音出力装置からの出力を制限する制御装置と、を備える。
【発明の効果】
【0007】
本発明の一態様によれば、音の出力を制限することで静音性を向上させる。
【図面の簡単な説明】
【0008】
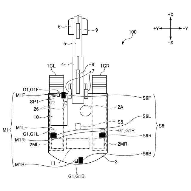
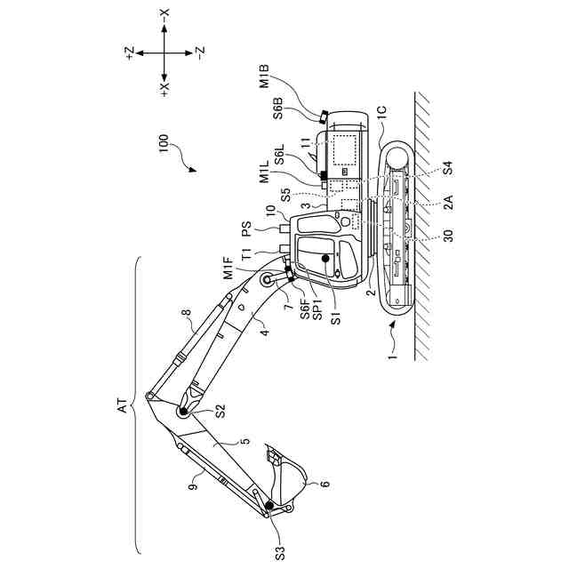
本開示の実施形態に係る作業機械の側面図である。
図1に示す作業機械の上面図である。
図1に示す作業機械に取り付けられる外部集音装置及び情報伝達装置の構成例を示す図である。
図1に示す作業機械の構成の一例を概略的に示す図である。
図1に示す作業機械の運転室内の上面図である。
操作者が搭乗している作業機械とその周囲にいる作業者の斜視図である。
第1の実施形態に係る作業機械における音の制限を例示した説明図である。
第1の実施形態に係るコントローラにおける、対象物が発している動作音に応じて音の出力を制限するための処理手順を示したフローチャートである。
第2の実施形態に係る作業機械と他の作業機械との間の制御を例示した説明図である。
第2の実施形態に係る作業機械と他の作業機械との間で行われる制御を示したシーケンス図である。
第3の実施形態に係る作業機械と他の作業機械との間で行われる制御を示したシーケンス図である。
第4の実施形態に係る作業機械の別の構成例の上面図である。
第5の実施形態に係る操作システムの構成例を示す概要図である。
【発明を実施するための形態】
【0009】
以下、本開示の実施形態について図面を参照して説明する。以下で説明する実施形態は、例示であり、発明を限定するものではない。本開示の実施形態における全ての特徴及びその組み合わせは、必ずしも発明の本質的なものであるとは限らない。なお、各図面において同一の又は対応する構成には同一の又は対応する符号を付し、重複する説明を省略する場合がある。
【0010】
本開示の実施形態に係る作業機械100は、ショベルである。作業機械100は、クレーン、アスファルトフィニッシャ、又はフォークリフト等のショベル以外の機械であってもよい。また、図示例では、作業機械100としてのショベルは、エンドアタッチメントとしてバケット6を備えた掘削機であるが、バケット6以外のエンドアタッチメントを備えた林業機械等の応用機であってもよい。
(【0011】以降は省略されています)
この特許をJ-PlatPat(特許庁公式サイト)で参照する
関連特許
住友建機株式会社
作業機械、操作支援システム
1か月前
住友建機株式会社
作業機械及び遠隔支援システム
3か月前
住友建機株式会社
作業機械、作業機械の操作システム
1か月前
住友建機株式会社
作業機械及び作業機械の操作システム
1か月前
住友建機株式会社
作業機械及び作業機械の操作システム
1か月前
住友建機株式会社
作業機械、及び作業機械の制御システム
1か月前
住友建機株式会社
作業機械、及び作業機械の制御システム
1か月前
住友建機株式会社
作業機械、及び作業機械の制御システム
1か月前
住友建機株式会社
作業機械、及び作業機械の制御システム
1か月前
住友建機株式会社
作業機械、作業機械の制御システム、及び、作業機械の管理システム
1か月前
JIG-SAW株式会社
施工システム、施工方法、および建設機械
1か月前
FKS株式会社
擁壁
27日前
個人
建物の不同沈下の修正方法
3日前
鈴健興業株式会社
敷板部材
23日前
株式会社クボタ
作業車
25日前
株式会社クボタ
作業車
25日前
個人
擁壁用ブロックおよび擁壁
24日前
株式会社ネクステリア
平板基礎
23日前
千代田工営株式会社
回転貫入杭
10日前
株式会社大林組
建物の構造
24日前
株式会社熊谷組
地盤改良方法
19日前
株式会社熊谷組
密度計測方法
25日前
株式会社熊谷組
山留壁用親杭
16日前
ヤンマーホールディングス株式会社
作業機械
9日前
日立建機株式会社
作業機械
10日前
日立建機株式会社
作業機械
16日前
日本車輌製造株式会社
建設機械
12日前
日立建機株式会社
作業機械
16日前
日立建機株式会社
作業機械
17日前
日立建機株式会社
作業車両
12日前
日立建機株式会社
建設機械
23日前
ヤンマーホールディングス株式会社
作業機械
9日前
日立建機株式会社
作業機械
16日前
日立建機株式会社
建設機械
17日前
ヤマト発動機株式会社
浮遊型消波装置
27日前
日立建機株式会社
建設機械
17日前
続きを見る
他の特許を見る