TOP
|
特許
|
意匠
|
商標
特許ウォッチ
Twitter
他の特許を見る
公開番号
2025123480
公報種別
公開特許公報(A)
公開日
2025-08-22
出願番号
2025104893,2022547453
出願日
2025-06-20,2021-08-11
発明の名称
電子ペン
出願人
株式会社ワコム
代理人
個人
,
個人
主分類
G06F
3/03 20060101AFI20250815BHJP(計算;計数)
要約
【課題】 細型化されて携帯性に優れ、安定して機能するサイドスイッチを有すると共に、メンテナンスなどもし易い電子ペンを実現する。
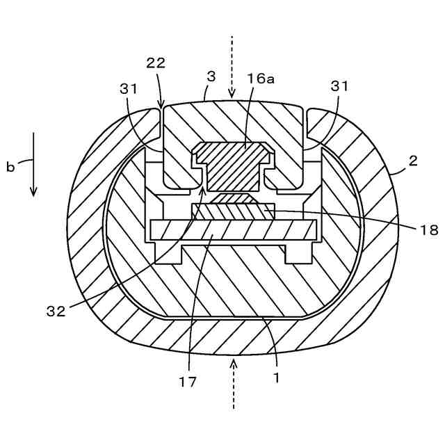
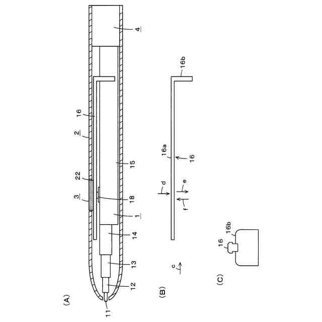
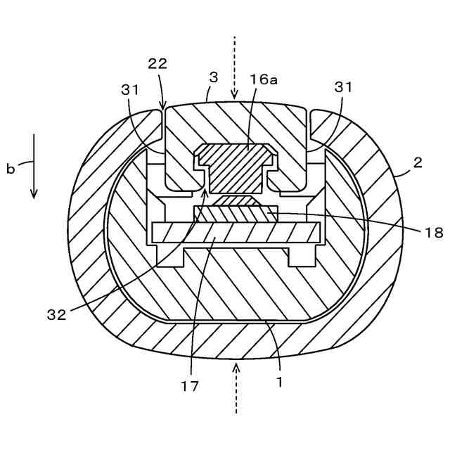
【解決手段】 押下用操作子3の挿通部32には、電子ペン本体部1の押し子部16aが挿通されることにより、押下用操作子3が、外側筐体2の操作子用開口部22に嵌め込まれた状態で、電子ペン本体部1の押し子部16aに取り付けられる。外側筐体2の操作子用開口部22は、電子ペン本体部1が装填されて定位置に固定された場合に、電子ペン本体部1の釦スイッチ18に対応する側面上の位置に設けられている。このため、押下用操作子3を通じた釦スイッチ18の確実な押下操作が可能にされ、電子ペンにおけるサイドスイッチが実現される。
【選択図】図3
特許請求の範囲
【請求項1】
スイッチを備えた回路基板を有する電子ペン本体部と、
前記電子ペン本体部が収容された外側筐体と、
前記外側筐体の側面に設けられ、前記スイッチの直上に配置された操作部と、
前記スイッチと前記操作部の間に配置された押圧部とを備え、
前記操作部には、少なくとも前記押圧部の一部が当接する凹部が設けられている
ことを特徴とする電子ペン。
続きを表示(約 960 文字)
【請求項2】
請求項1に記載の電子ペンにおいて、
前記操作部が押下されると、前記押圧部により前記電子ペン本体部の前記スイッチが押下される
ことを特徴とする電子ペン。
【請求項3】
請求項2に記載の電子ペンにおいて、
前記操作部が解放されると、前記押圧部が板バネとして機能し、前記押圧部および前記操作部が押下前の状態に復帰し、前記スイッチが解放される
ことを特徴とする電子ペン。
【請求項4】
請求項1に記載の電子ペンにおいて、
前記操作部が押下されると、前記押圧部に取り付けられた前記操作部により前記電子ペン本体部の前記スイッチが押下される
ことを特徴とする電子ペン。
【請求項5】
請求項1に記載の電子ペンにおいて、さらに、
前記外側筐体に収容された前記電子ペン本体部の後端側に配置された過負荷吸収部を備え、
前記電子ペン本体部のペン先が前記外側筐体の先端部から突出しており、
前記ペン先に所定値以上の筆圧が加えられると、前記過負荷吸収部の機能により前記電子ペン本体部が後端側にスライドして移動し、前記ペン先が前記外側筐体内に収容される
ことを特徴とする電子ペン。
【請求項6】
請求項1に記載の電子ペンにおいて、
前記操作部は電子ペンの軸方向と交差する方向に延在する壁部を含み、前記凹部はこれらの壁部の間に形成されている
ことを特徴とする電子ペン。
【請求項7】
請求項1に記載の電子ペンにおいて、
前記凹部および前記押圧部のそれぞれが電子ペンの軸に対して垂直な方向にT字形の断面を有する
ことを特徴とする電子ペン。
【請求項8】
請求項1に記載の電子ペンにおいて、
前記押圧部は、前記電子ペン本体部の後端側に固定される固定部を含む押圧部材の一部であり、前記押圧部と前記固定部は電子ペンの側面から見てL字状を成す
ことを特徴とする電子ペン。
【請求項9】
請求項1に記載の電子ペンにおいて、
前記スイッチはボタンスイッチであることを特徴とする電子ペン。
発明の詳細な説明
【技術分野】
【0001】
この発明は、例えば、タブレットPC(Personal Computer)などの電子機器に搭載された位置検出装置に対して、座標を指示することにより情報の入力を可能にする電子ペンに関する。
続きを表示(約 1,900 文字)
【背景技術】
【0002】
例えば、タブレットPC(Personal Computer)やスマートフォンなどと呼ばれる高機能携帯電話端末などの電子機器においては、搭載された位置検出装置を通じて、より細かな描画入力を行うために、電子ペンによる指示入力が可能にされたものがある。携帯されて利用されることが多いタブレットPCや高機能電話端末での利用態様に鑑み、電子ペンについても細型化し、携帯により適したものとすることが考えられている。
【0003】
例えば、後に記す特許文献1には、市販のボールペンのリフィル(替え芯)と同じ形状、同じ大きさの電子ペン本体部等についての発明が開示されている。当該電子ペン本体部は、ボールペンの筐体にセットして利用できるもので、持ち運びに便利で、ボールペンを使用する場合と同様の感覚で使用可能な電子ペンが実現できる。このような電子ペン本体部をボールペンの筐体にセットして実現する電子ペンにおいても、いわゆるサイドスイッチを利用可能にすることが考えられている。電子ペンにおけるサイドスイッチは、電子ペンを持ったまま指によって押下操作が可能なように、電子ペンの側面に設けられた押下スイッチを意味する。
【0004】
特許文献1では、電子ペン本体部の側面に2つの端子を設け、これらの端子間を筐体の側面に設けるようにした操作子を通じて接続した場合にはオンとなり、接続を解除した場合にはオフとなるサイドスイッチを実現している。端子間の接続/非接続により、オン/オフを切り替える構成であるため、いわゆるノック式のボールペンのように、ノックして電子ペン本体部をボールペンの筐体から繰り出したり、収納したりするものにおいても、サイドスイッチを実現できる。
【先行技術文献】
【特許文献】
【0005】
国際公開第2017/043214号
【発明の概要】
【発明が解決しようとする課題】
【0006】
特許文献1に開示された発明に場合には、その構造上、何等かの原因により、電子ペン本体部に設けられた2つの端子間を、ボールペンの筐体に設けられた操作子によって安定して接続することができなくなる場合があると考えられる。例えば、2つの端子と操作子との位置関係がずれたり、端子と操作子との間に小さな埃などが介在してしまったりすることで、端子間の電気的な接続が適切にできなくなることが考えられる。このような場合には、サイドスイッチとしての機能を安定して実現できない。
【0007】
また、特許文献1に開示された発明の場合、操作子はボールペンの筐体に取り付けられるが、一度取り付けると取り外し難い。電子ペンに設けられる当該操作子は、使用時においてはボールペンの筐体から容易に離れることが無いようにしておく必要がある。しかし、当該操作子は、例えば電子ペンのメンテナンスなどのために必要に応じて、簡単に取り外すことができるようにしておくことが望ましい。
【0008】
以上のことに鑑み、この発明は、細型化されて携帯性に優れ、安定して機能するサイドスイッチを有すると共に、メンテナンスなどもし易い電子ペンを実現することを目的とする。
【課題を解決するための手段】
【0009】
上記課題を解決するため、
スイッチを備えた回路基板を有する電子ペン本体部と、
前記電子ペン本体部が収容された外側筐体と、
前記外側筐体の側面に設けられ、前記スイッチの直上に配置された操作部と、
前記スイッチと前記操作部の間に配置された押圧部とを備え、
前記操作部には、少なくとも前記押圧部の一部が当接する凹部が設けられている
ことを特徴とする電子ペンを提供する。
【図面の簡単な説明】
【0010】
実施の形態の電子ペンの構成例を説明するための分解斜視図である。
実施の形態の電子ペンを軸心に沿って半分に切断した場合の釦スイッチ部分を中心とする部分の断面図である。
実施の形態の電子ペンの釦スイッチ部分において軸心と直交する方向に切断した場合の断面図である。
実施の形態の電子ペンの構成例を模式的に示した図である。
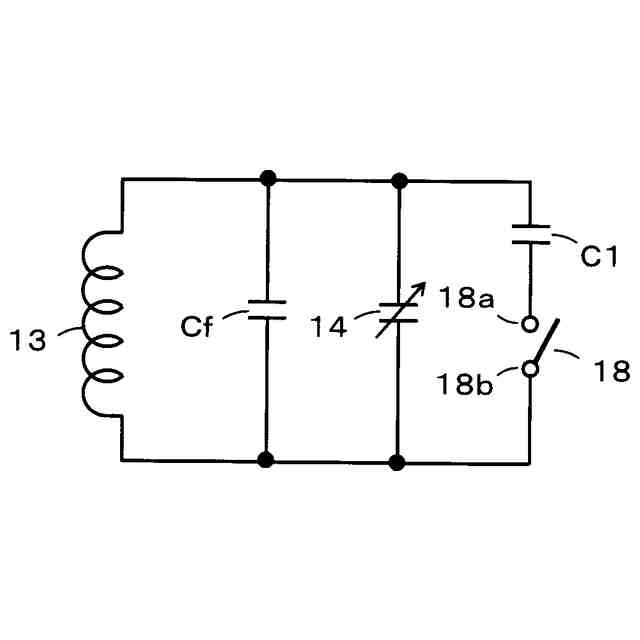
実施の形態の電磁誘導方式の電子ペンの等価回路を示す図である。
実施の形態の電子ペンをアクティブ静電容量方式のものとして構成した場合の等価回路を示す図である。
【発明を実施するための形態】
(【0011】以降は省略されています)
この特許をJ-PlatPat(特許庁公式サイト)で参照する
関連特許
株式会社ワコム
電子ペン
24日前
株式会社ワコム
電子ペン
24日前
株式会社ワコム
電子ペン用のグリップ及び電子ペン
1日前
株式会社ワコム
パッド付属物、仮想入力デバイス、及び入力システム
22日前
株式会社ワコム
スタイラス
17日前
株式会社ワコム
手書き入力装置
15日前
株式会社ワコム
計算機及びプログラム
1か月前
株式会社ワコム
電子ペン及び情報処理装置
24日前
株式会社ワコム
ホスト装置及び入出力システム
9日前
株式会社ワコム
電子ペン、手書き入力装置及び電子ペン用芯体
1か月前
株式会社ワコム
ペン状態検出回路、ペン状態検出方法、及び電子機器
1か月前
株式会社ワコム
タッチパッド、タッチパッドによって実行される方法、集積回路
1か月前
株式会社ワコム
コンピュータによって実行される方法、コンピュータ、及びプログラム
11日前
個人
詐欺保険
1か月前
個人
縁伊達ポイン
1か月前
個人
職業自動販売機
15日前
個人
RFタグシート
1か月前
個人
5掛けポイント
22日前
個人
地球保全システム
1か月前
個人
ペルソナ認証方式
1か月前
個人
QRコードの彩色
1か月前
個人
自動調理装置
1か月前
個人
情報処理装置
25日前
個人
残土処理システム
1か月前
個人
農作物用途分配システム
1か月前
個人
知的財産出願支援システム
1か月前
個人
タッチパネル操作指代替具
1か月前
個人
インターネットの利用構造
29日前
個人
サービス情報提供システム
17日前
個人
スケジュール調整プログラム
1か月前
個人
携帯端末障害問合せシステム
1か月前
株式会社キーエンス
受発注システム
1か月前
個人
エリアガイドナビAIシステム
1か月前
個人
海外支援型農作物活用システム
2か月前
株式会社キーエンス
受発注システム
1か月前
個人
食品レシピ生成システム
1か月前
続きを見る
他の特許を見る