TOP
|
特許
|
意匠
|
商標
特許ウォッチ
Twitter
他の特許を見る
10個以上の画像は省略されています。
公開番号
2025116692
公報種別
公開特許公報(A)
公開日
2025-08-08
出願番号
2024011257
出願日
2024-01-29
発明の名称
画像形成装置
出願人
キヤノン株式会社
代理人
弁理士法人大塚国際特許事務所
主分類
G03G
21/00 20060101AFI20250801BHJP(写真;映画;光波以外の波を使用する類似技術;電子写真;ホログラフイ)
要約
【課題】帯電バイアスと負転写バイアスとを同時に生成する画像形成装置において、像担持体である感光ドラムの帯電電位を好適に求める。
【解決手段】第一電源は、第一極性の電圧を生成し、帯電部材に対して当該第一極性の電圧を帯電バイアスとして供給するとともに、転写部材に対して当該第一極性の電圧を供給する。第二電源は、第一極性とは反対の第二極性の電圧を生成し、当該第二極性の電圧を転写部材に供給する。制御手段は、帯電電流を検知する電流検知期間において、第一電源と第二電源とを稼働させる。これにより、第一極性の電圧と第二極性の電圧とが重畳されて生成された重畳電圧が転写部材に印加される。電流検知期間において検知された帯電電流に基づき、像担持体の表面電位が求められる。
【選択図】図6
特許請求の範囲
【請求項1】
像担持体と、
前記像担持体を回転駆動するモータと、
前記モータにより回転駆動される前記像担持体の表面を帯電させる帯電部材と、
前記像担持体の前記表面に光を照射して静電潜像を形成する光源と、
第一極性に帯電したトナーを用いて前記静電潜像を現像してトナー像を形成する現像部材と、
前記像担持体から転写材へ前記トナー像を転写する転写部材と、
前記第一極性の電圧を生成し、前記帯電部材に対して当該第一極性の電圧を帯電バイアスとして供給するとともに、前記転写部材に対して当該第一極性の電圧を供給する第一電源と、
前記第一極性とは反対の第二極性の電圧を生成し、当該第二極性の電圧を前記転写部材に供給する第二電源と、
前記帯電部材と前記像担持体との間に流れる帯電電流を検知する検知手段と、
前記第一電源と前記第二電源とを制御し、前記帯電電流に基づき前記像担持体の表面電位を求める制御手段と、を有し、
前記制御手段は、前記検知手段が前記帯電電流を検知する電流検知期間において、前記第一電源と前記第二電源とを稼働させることで、前記第一極性の電圧と前記第二極性の電圧とが重畳されて生成された重畳電圧を前記転写部材に印加し、当該電流検知期間において検知された前記帯電電流に基づき、前記像担持体の前記表面電位を求めるように構成されている、画像形成装置。
続きを表示(約 1,800 文字)
【請求項2】
前記電流検知期間において使用される前記第一極性の電圧と前記第二極性の電圧とは、前記帯電部材と前記像担持体との間では放電が発生し、かつ、前記転写部材と前記像担持体との間で放電が発生しないように、調整されている、請求項1に記載の画像形成装置。
【請求項3】
前記電流検知期間は、第一期間と、第二期間とを含み、
前記第一期間における前記第一極性の電圧の絶対値は、前記第二期間における前記第一極性の電圧の絶対値よりも小さく、
前記第一期間において前記第二極性の電圧は前記転写部材に供給されておらず、
前記第二期間において前記第二極性の電圧は前記転写部材に供給され、
前記制御手段は、前記第一期間において前記検知手段により検知された第一帯電電流と、前記第二期間において前記検知手段により検知された第二帯電電流と、に基づき、前記像担持体の表面電位を求めるように構成されている、請求項1に記載の画像形成装置。
【請求項4】
前記制御手段は、前記第一帯電電流と、前記第二帯電電流との差を、前記第二期間において前記転写部材に供給されていた前記第一極性の電圧と前記第一期間において前記転写部材に供給されていた前記第一極性の電圧との差で除算して、単位電圧あたり電流変化量を求め、前記第二帯電電流を前記電流変化量で除算することで、前記像担持体の表面電位である暗部電位を求めるように構成されている、請求項3に記載の画像形成装置。
【請求項5】
前記電流検知期間は、第一期間と、第二期間と、第三期間とを含み、
前記第一期間における前記第一極性の電圧の絶対値は、前記第二期間における前記第一極性の電圧の絶対値よりも小さく、前記第一期間における前記第一極性の電圧の絶対値は、前記第三期間における前記第一極性の電圧の絶対値よりも小さく、
前記第一期間において前記第二極性の電圧は前記転写部材に供給されておらず、
前記第二期間および前記第三期間において前記第二極性の電圧は前記転写部材に供給され、
前記第一期間と前記第二期間とは、前記像担持体の表面部分のうち暗部電位にある表面部分が前記帯電部材を通過する期間であり、
前記第三期間は、前記像担持体の表面部分のうち明部電位にある表面部分が前記帯電部材を通過する期間であり、
前記制御手段は、前記第一期間において前記検知手段により検知された第一帯電電流と、前記第二期間において前記検知手段により検知された第二帯電電流と、前記第三期間において前記検知手段により検知された第三帯電電流と、に基づき、前記像担持体の表面電位を求めるように構成されている、請求項1に記載の画像形成装置。
【請求項6】
前記制御手段は、前記第一帯電電流と、前記第二帯電電流との差を、前記第二期間において前記転写部材に供給されていた前記第一極性の電圧と前記第一期間において前記転写部材に供給されていた前記第一極性の電圧との差で除算して、単位電圧あたり電流変化量を求め、前記第三帯電電流を前記電流変化量で除算することで電圧を求め、前記像担持体の暗部電位から当該電圧を減算することで、前記像担持体の明部電位を求めるように構成されている、請求項5に記載の画像形成装置。
【請求項7】
前記制御手段は、前記第二帯電電流を前記電流変化量で除算することで、前記暗部電位を求めるように構成されている、請求項6に記載の画像形成装置。
【請求項8】
前記制御手段は、前記転写部材の抵抗値に応じて、前記電流検知期間において使用される前記第二極性の電圧を調整する、請求項1に記載の画像形成装置。
【請求項9】
前記画像形成装置が設置される環境の環境条件を検知する環境検知手段をさらに有し、
前記制御手段は、前記環境条件に応じて、前記電流検知期間において使用される前記第二極性の電圧を調整する、請求項1に記載の画像形成装置。
【請求項10】
前記転写部材に流れる転写電流を検知する電流検知手段をさらに有し、
前記制御手段は、前記環境条件に基づき前記転写電流の目標値を決定し、前記第二電源の出力電圧を変化させながら、前記転写電流が前記目標値に到達するときの前記出力電圧を前記第二極性の電圧として決定する、請求項9に記載の画像形成装置。
(【請求項11】以降は省略されています)
発明の詳細な説明
【技術分野】
【0001】
本発明は画像形成装置に関する。
続きを表示(約 2,200 文字)
【背景技術】
【0002】
電子写真技術を利用した画像形成装置は、様々な高電圧(例:帯電バイアス、現像バイアス、転写バイアス、クリーニングバイアスなど)を生成する複数の電源回路を必要とする。転写バイアスはトナー像の転写を促すために転写ローラに印加される正極性の電圧である(正転写バイアス)。クリーニングバイアスは転写ローラに付着したトナーを感光ドラムに逆転写するための負極性の電圧である(負転写バイアス)。よって、正転写バイアスを生成する電源回路と負転写バイアスを生成する別の電源回路とが必要となっていた。特許文献1によれば、負極性の帯電バイアスを生成する電源回路を、クリーニングバイアスを生成するための電源回路として共用することが提案されている。
【先行技術文献】
【特許文献】
【0003】
特開2007-206414号公報
【発明の概要】
【発明が解決しようとする課題】
【0004】
ところで、感光ドラムの表面電位(例:暗部電位、明部電位などの帯電電位)を正確に求めることは、シートに転写されたトナー像の濃度を正確に制御したり、トナーかぶりを抑制したりする上で必要となる。特許文献1では、帯電ローラに帯電バイアスが印加されると、転写ローラにも負転写バイアスが印加されてしまう。そのため、帯電ローラと感光ドラムとの間で放電が生じる一方で、転写ローラと感光ドラムとの間でも放電が生じてしまい、正確に帯電電位を求めることが困難である。
【0005】
そこで、本発明は、帯電バイアスと負転写バイアスとを同時に生成する画像形成装置において、像担持体である感光ドラムの帯電電位を好適に求めることを目的とする。
【課題を解決するための手段】
【0006】
本発明は、たとえば、
像担持体と、
前記像担持体を回転駆動するモータと、
前記モータにより回転駆動される前記像担持体の表面を帯電させる帯電部材と、
前記像担持体の前記表面に光を照射して静電潜像を形成する光源と、
第一極性に帯電したトナーを用いて前記静電潜像を現像してトナー像を形成する現像部材と、
前記像担持体から転写材へ前記トナー像を転写する転写部材と、
前記第一極性の電圧を生成し、前記帯電部材に対して当該第一極性の電圧を帯電バイアスとして供給するとともに、前記転写部材に対して当該第一極性の電圧を供給する第一電源と、
前記第一極性とは反対の第二極性の電圧を生成し、当該第二極性の電圧を前記転写部材に供給する第二電源と、
前記帯電部材と前記像担持体との間に流れる帯電電流を検知する検知手段と、
前記第一電源と前記第二電源とを制御し、前記帯電電流に基づき前記像担持体の表面電位を求める制御手段と、を有し、
前記制御手段は、前記検知手段が前記帯電電流を検知する電流検知期間において、前記第一電源と前記第二電源とを稼働させることで、前記第一極性の電圧と前記第二極性の電圧とが重畳されて生成された重畳電圧を前記転写部材に印加し、当該電流検知期間において検知された前記帯電電流に基づき、前記像担持体の前記表面電位を求めるように構成されている、画像形成装置を提供する。
【発明の効果】
【0007】
本発明によれば、帯電バイアスと負転写バイアスとを同時に生成する画像形成装置において、像担持体である感光ドラムの帯電電位を好適に求めることが可能となる。
【図面の簡単な説明】
【0008】
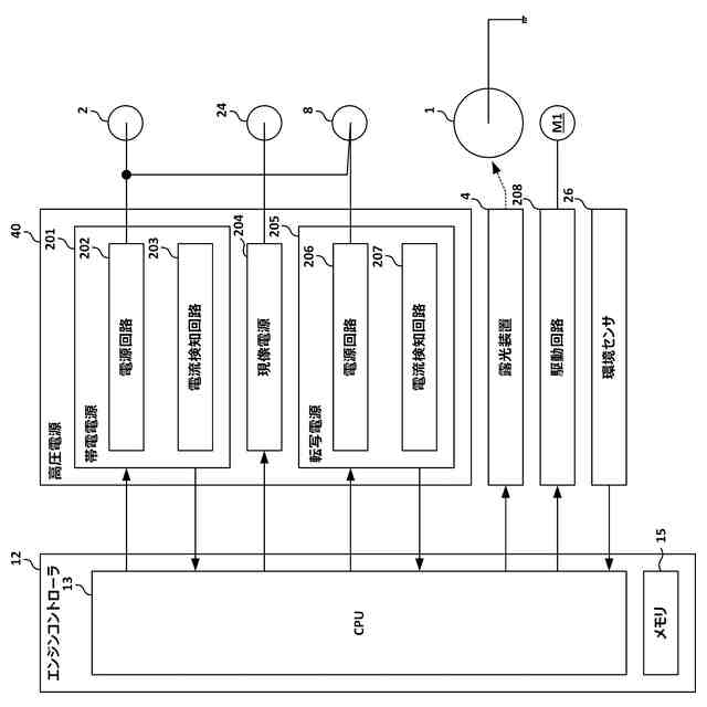
画像形成装置を説明する図
電源装置を説明する図
電源回路を説明する図
帯電電流の検知方法を説明する図
比較例の検知シーケンスを示す図
第1の実施例の検知シーケンスを示す図
第1の実施例の制御方法を示すフローチャート
環境条件(水分量)と負荷抵抗との関係を示す図
第2の実施例の検知シーケンスを示す図
第2の実施例の制御方法を示すフローチャート
第3の実施例の検知シーケンスを示す図
第3の実施例の制御方法を示すフローチャート
第4の実施例の検知シーケンスを示す図
第4の実施例の制御方法を示すフローチャート
【発明を実施するための形態】
【0009】
以下、添付図面を参照して実施形態を詳しく説明する。なお、以下の実施形態は特許請求の範囲に係る発明を限定するものではない。実施形態には複数の特徴が記載されているが、これらの複数の特徴の全てが発明に必須のものとは限らず、また、複数の特徴は任意に組み合わせられてもよい。さらに、添付図面においては、同一若しくは同様の構成に同一の参照番号を付し、重複した説明は省略する。
【0010】
<第1の実施例>
(1)画像形成装置
図1は電子写真方式の画像形成装置100を示している。画像形成装置100は、着脱可能なプロセスカートリッジ22を装着している。プロセスカートリッジ22は、感光ドラム1、帯電ローラ2、現像ローラ24、トナー容器7、清掃部材41、および不揮発性メモリ30を有している。
(【0011】以降は省略されています)
この特許をJ-PlatPat(特許庁公式サイト)で参照する
関連特許
個人
表示装置
1か月前
個人
雨用レンズカバー
1か月前
日本精機株式会社
プロジェクタ
4日前
キヤノン株式会社
撮像装置
1か月前
キヤノン株式会社
撮像装置
11日前
キヤノン株式会社
撮像装置
2か月前
日本精機株式会社
車両用投射装置
2か月前
キヤノン株式会社
撮像装置
1か月前
キヤノン株式会社
撮像装置
2か月前
キヤノン株式会社
撮像装置
1か月前
株式会社リコー
画像形成装置
25日前
株式会社リコー
画像形成装置
1か月前
株式会社リコー
画像形成装置
1か月前
株式会社リコー
画像形成装置
2か月前
株式会社リコー
画像形成装置
1か月前
株式会社リコー
画像形成装置
1か月前
キヤノン株式会社
トナー
2か月前
キヤノン株式会社
画像形成装置
1か月前
キヤノン株式会社
トナー
1か月前
株式会社オプトル
プロジェクタ
2か月前
キヤノン株式会社
トナー
2か月前
キヤノン株式会社
画像形成装置
19日前
キヤノン株式会社
画像形成装置
1か月前
沖電気工業株式会社
画像形成装置
1か月前
アイホン株式会社
カメラシステム
2か月前
レーザーテック株式会社
光源装置
6日前
沖電気工業株式会社
画像形成装置
1か月前
沖電気工業株式会社
画像形成装置
6日前
レーザーテック株式会社
光源装置
27日前
スタンレー電気株式会社
照明装置
2か月前
キヤノン株式会社
レンズキャップ
1か月前
キヤノン株式会社
現像装置
2か月前
株式会社電気印刷研究所
静電印刷用積層体
2か月前
シャープ株式会社
捺染トナー
4日前
ブラザー工業株式会社
画像形成装置
2か月前
ブラザー工業株式会社
画像形成装置
2か月前
続きを見る
他の特許を見る