TOP
|
特許
|
意匠
|
商標
特許ウォッチ
Twitter
他の特許を見る
公開番号
2025114299
公報種別
公開特許公報(A)
公開日
2025-08-05
出願番号
2024008915
出願日
2024-01-24
発明の名称
作業車両
出願人
井関農機株式会社
代理人
弁理士法人新大阪国際特許事務所
主分類
A01B
63/114 20060101AFI20250729BHJP(農業;林業;畜産;狩猟;捕獲;漁業)
要約
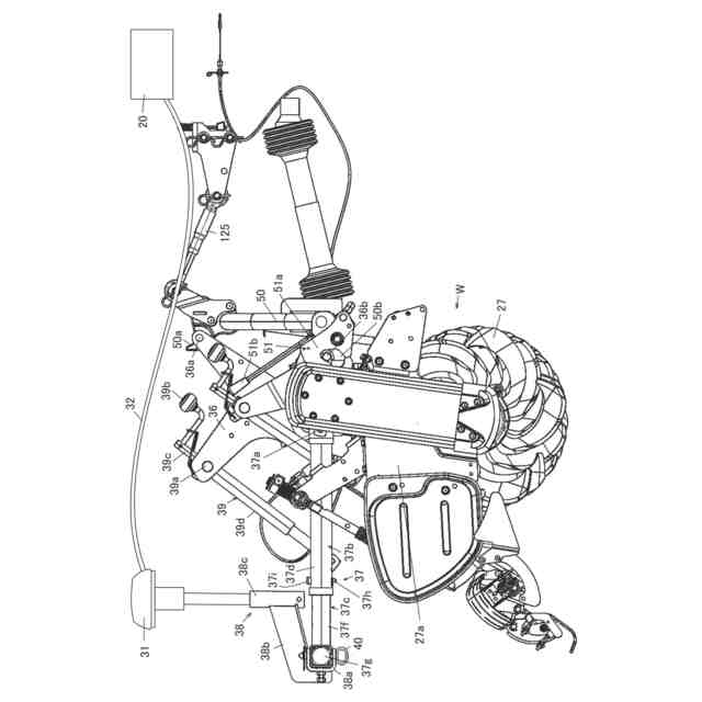
【課題】作業機の高さ位置情報を測る測位装置がトップリンクに設けられており、測位装置により得られる測位情報に基づいて作業機の昇降位置を制御する測位制御モードを備えることで、圃場を均平化する作業車両が公知である。然しながら、従来では、測位装置の基準高さを設定器により変更する必要があった。そこで、本発明は、容易に測位装置の高さ変更が行なえる作業車両を提供する。
【解決手段】走行車体2に昇降装置12により昇降自在に作業機Wを装着した作業車両において、作業機Wの上下位置を測る測位装置31を作業機Wの上下位置調節機構39により上下位置を変更自在のスライドヒッチ37に設け、測位装置31から得られる高さ位置情報に基づいて作業機Wが所定高さになるように昇降装置12を制御する制御装置20を設ける。
【選択図】図1
特許請求の範囲
【請求項1】
走行車体(2)に昇降装置(12)により昇降自在に作業機(W)を装着した作業車両において、作業機(W)の上下位置を測る測位装置(31)を作業機(W)の上下位置調節機構(39)により上下位置を変更自在のスライドヒッチ(37)に設け、測位装置(31)から得られる高さ位置情報に基づいて作業機(W)が所定高さになるように昇降装置(12)を制御する制御装置(20)を設けたことを特徴とする作業車両。
続きを表示(約 370 文字)
【請求項2】
測位装置(31)をスライドヒッチ(37)に装着する測位装置ブラケット(38)がスライドヒッチ(37)に装着する装着部(38a)と該装着部(38a)から前方に延びるアーム(38b)と該アーム(38b)先端部に設けた測位装置(31)を取り付ける支持ステー(38c)にて構成されることを特徴とする請求項1に記載の作業車両。
【請求項3】
昇降装置(12)の懸架装置(50)に装着される作業機(W)の連結をロックするロック機構(51)のロック解除状態を検出するロック解除検出センサを懸架装置(50)に設け、該ロック解除検出センサがロック解除状態を検出したときに、測位装置(31)と制御装置(20)を接続する配線(32)がつながっていることを検知したとき報知することを特徴とする請求項1または請求項2に記載の作業車両。
発明の詳細な説明
【技術分野】
【0001】
本発明は、農業用の作業機を装備したトラクタ等の作業車両に関する。
続きを表示(約 1,400 文字)
【背景技術】
【0002】
作業機の高さ位置情報を測る測位装置がトップリンクに設けられており、測位装置により得られる測位情報に基づいて作業機の昇降位置を制御する測位制御モードを備えることで、圃場を均平化する作業車両が公知である(特許文献1参照)。
【先行技術文献】
【特許文献】
【0003】
特開2021-193898号公報
【発明の概要】
【発明が解決しようとする課題】
【0004】
従来では、測位装置の基準高さを設定器により変更する必要があった。
【0005】
そこで、本発明は、容易に測位装置の高さ変更が行なえる作業車両を提供することを目的とする。
【課題を解決するための手段】
【0006】
請求項1記載の発明は、走行車体2に昇降装置12により昇降自在に作業機Wを装着した作業車両において、作業機Wの上下位置を測る測位装置31を作業機Wの上下位置調節機構39により上下位置を変更自在のスライドヒッチ37に設け、測位装置31から得られる高さ位置情報に基づいて作業機Wが所定高さになるように昇降装置12を制御する制御装置20を設けた作業車両である。
【0007】
請求項1記載の発明によると、作業機Wの上下位置を測る測位装置31を作業機Wの上下位置調節機構39により上下位置を変更自在のスライドヒッチ37に設け、測位装置31から得られる高さ位置情報に基づいて作業機Wが所定高さになるように昇降装置12を制御する制御装置20を設けたので、スライドヒッチ37の上下位置を変更する上下位置調節機構39により測位装置31の高さを変更することができる。
【0008】
請求項2記載の発明は、測位装置31をスライドヒッチ37に装着する測位装置ブラケット38がスライドヒッチ37に装着する装着部38aと該装着部38aから前方に延びるアーム38bと該アーム38b先端部に設けた測位装置31を取り付ける支持ステー38cにて構成される請求項1に記載の作業車両である。
【0009】
請求項2記載の発明によると、測位装置31をスライドヒッチ37に装着する測位装置ブラケット38がスライドヒッチ37に装着する装着部38aと該装着部38aから前方に延びるアーム38bと該アーム38b先端部に設けた測位装置31を取り付ける支持ステー38cにて構成されるので、測位装置ブラケット38のスライドヒッチ37に装着する装着部38aよりも前方に作業機測位装置31が配置され、作業機Wが跳ね上げる泥土がかかることを防ぐことができ、また、スライドヒッチ37後端部から前方に離れた配置となり、作業機Wが作動して発生する振動の影響を受け難い。
【0010】
請求項3記載の発明は、昇降装置12の懸架装置50に装着される作業機Wの連結をロックするロック機構51のロック解除状態を検出するロック解除検出センサを懸架装置50に設け、該ロック解除検出センサがロック解除状態を検出したときに、測位装置31と制御装置20を接続する配線32がつながっていることを検知したとき報知する請求項1または請求項2に記載の作業車両である。
(【0011】以降は省略されています)
この特許をJ-PlatPat(特許庁公式サイト)で参照する
関連特許
井関農機株式会社
田植機
2か月前
井関農機株式会社
作業車両
1日前
井関農機株式会社
作業車両
1か月前
井関農機株式会社
作業車両
1か月前
井関農機株式会社
苗移植機
1日前
井関農機株式会社
作業車両
1か月前
井関農機株式会社
作業車両
1か月前
井関農機株式会社
作業車両
1か月前
井関農機株式会社
作業車両
1か月前
井関農機株式会社
作業車両
1か月前
井関農機株式会社
作業車両
2か月前
井関農機株式会社
作業車両
1か月前
井関農機株式会社
作業車両
1か月前
井関農機株式会社
作業車両
2か月前
井関農機株式会社
作業車両
2か月前
井関農機株式会社
作業車両
2か月前
井関農機株式会社
作業車両
2か月前
井関農機株式会社
作業車両
2か月前
井関農機株式会社
農作業機
2か月前
井関農機株式会社
作業車両
2か月前
井関農機株式会社
作業車両
1か月前
井関農機株式会社
作業車両
1か月前
井関農機株式会社
エンジン
20日前
井関農機株式会社
作業車両
28日前
井関農機株式会社
農作業機
12日前
井関農機株式会社
作業車両
13日前
井関農機株式会社
作業車両
28日前
井関農機株式会社
苗移植機
20日前
井関農機株式会社
作業車両
20日前
井関農機株式会社
作業車両
20日前
井関農機株式会社
作業車両
20日前
井関農機株式会社
作業車両
20日前
井関農機株式会社
コンバイン
2か月前
井関農機株式会社
乗用芝刈機
2か月前
井関農機株式会社
圃場作業機
5日前
井関農機株式会社
野菜収穫機
12日前
続きを見る
他の特許を見る