TOP
|
特許
|
意匠
|
商標
意匠ウォッチ
Twitter
他の意匠を見る
24個以上の画像は省略されています。
発行日
2025-10-09
公報種別
意匠公報(S)
登録番号
1810350
登録日
2025-10-01
意匠に係る物品
バスバー
意匠分類
H1
-120(基本的電気素子)
出願番号
2024009381
出願日
2024-05-10
意匠権者
タキロンシーアイシビル株式会社
,
タキロンシーアイ株式会社
代理人
個人
意匠に係る物品の説明
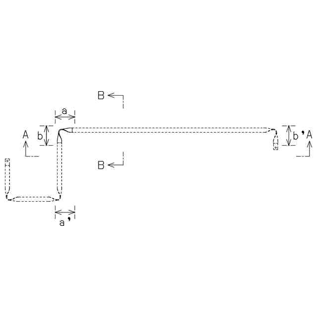
この意匠に係る物品は、電気自動車や電車用の制御回路配線などに使用される長尺バスバーである。本願意匠は、フラットワイズ曲げとねじり加工によって屈曲部を構成したものである。この構成とすることで、高さ方向の嵩張りを屈曲部のみに局限しつつ、曲げ加工時の屈曲部における被覆樹脂の皺や浮き上がりを解消し、亀裂、破れを防止して絶縁性能を維持することができる。また、本願意匠においては、屈曲部の角度調整を作業者が手で行うことができる。よって、バスバー取付け時、その場で角度の微調整を行うことができ、取付け作業をスムーズに進めることが可能である。加えて、屈曲部をエッジワイズ曲げで構成したものなどと比して、本体全体に撓みが生じ難いため、ロボットによる取付けにも適している。
意匠の説明
意匠登録を受けようとする部分を実線で、それ以外の部分を破線で表した。一点鎖線は、意匠登録を受けようとする部分とそれ以外の部分との境界のみを示すものである。
この意匠をJ-PlatPat(特許庁公式サイト)で参照する
関連意匠
タキロンシーアイシビル株式会社
バスバー
1か月前
タキロンシーアイシビル株式会社
バスバー
1か月前
タキロンシーアイシビル株式会社
バスバー
1か月前
タキロンシーアイシビル株式会社
バスバー
1か月前
タキロンシーアイシビル株式会社
シート状物の固定部材
7日前
タキロンシーアイシビル株式会社
シート状物の固定部材
7日前
三井住友建設株式会社
止水材
6日前
タイコ エレクトロニクス (シャンハイ) カンパニー リミテッド
端子
11か月前
タイコ エレクトロニクス (シャンハイ) カンパニー リミテッド
端子
8か月前
東莞市諾星電子有限公司
電池
7か月前
タイコ エレクトロニクス (シャンハイ) カンパニー リミテッド
端子
8か月前
リーダーソン ライティング カンパニー リミテッド
電球
9か月前
タイコ エレクトロニクス (シャンハイ) カンパニー リミテッド
端子
8か月前
深せん市緑巨能科技発展有限公司
電池
5か月前
東莞市楽点照明科技有限公司
電球
28日前
タイコ エレクトロニクス (シャンハイ) カンパニー リミテッド
端子
8か月前
日東工業株式会社
端子台
4か月前
日東工業株式会社
端子台
4か月前
安克創新科技股ふん有限公司
充電器
11か月前
ベンアン エナジー テクノロジー ジャンスー シーオー.,エルティーディー
組電池
12か月前
ベンアン エナジー テクノロジー ジャンスー シーオー.,エルティーディー
蓄電池
12か月前
新電元工業株式会社
コイル
7か月前
株式会社マキタ
蓄電池
1か月前
新電元工業株式会社
ボビン
7か月前
洪祿有限公司
ボビン
2か月前
株式会社CIO
充電器
8か月前
ハーヴェー ハイドローリック エスイー
電磁石
1か月前
ハーヴェー ハイドローリック エスイー
電磁石
1か月前
株式会社マキタ
蓄電池
5か月前
新電元工業株式会社
ボビン
1か月前
テンパール工業株式会社
開閉器
4か月前
テンパール工業株式会社
開閉器
4か月前
テンパール工業株式会社
開閉器
4か月前
株式会社戸上電機製作所
開閉器
10か月前
日東工業株式会社
端子台
4か月前
安克創新科技股ふん有限公司
充電器
11か月前
続きを見る
他の意匠を見る